Einmal nach primärgetaktetes Schaltnetzteil googeln:
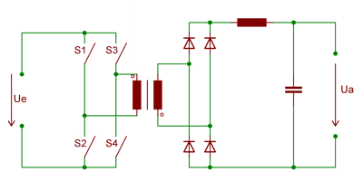
Fotos zeigen Vollbrücken bzw. Halbbrücken Gegentaktwandler. Ich denke, bei deinem DC DC Wandler handelt sich es um einen Halbbrücken Gegentaktwandler, da zwei Leistungstransistoren zu sehen sind. Unten Leistungsplatine und senkrecht Steuerplatine....
DC/DC Wandler
Für alles was mit Steuergeräten und Motoren zu tun hat. Bitte eventuell auch im speziellen Forum eures Rollertyps suchen.
-
- Beiträge: 6501
- Registriert: Sa 6. Aug 2011, 10:04
- Roller: E-Max 90s, E-Max 110s, E-Max 120s
- PLZ: 2
- Kontaktdaten:
Re: DC/DC Wandler
- Dateianhänge
-
- schaltnetzeile33.gif (8.54 KiB) 1989 mal betrachtet
-
- schaltnetzeile34.gif (8.43 KiB) 1989 mal betrachtet
E-Max 90s von 2012 - Vmax>46km/h - km-Stand >5150 - 16x Littokala 51,2V 105Ah = 5kWh. JK-B1A24S15P - Sevcon Gen4
E-Max 110s von 2010 - Vmax>50km/h - km-Stand >1.800 - 4x Littokala 72V 50Ah = 14,4kWh
E-Max 120s von 2015 - Vmax 80km/h - TÜV 03.2026 - 72V100Ah LFP-Akku - JK-B2A24S15P Balancer BT - MQ Controller BT
E-Max 110s von 2010 - Vmax>50km/h - km-Stand >1.800 - 4x Littokala 72V 50Ah = 14,4kWh
E-Max 120s von 2015 - Vmax 80km/h - TÜV 03.2026 - 72V100Ah LFP-Akku - JK-B2A24S15P Balancer BT - MQ Controller BT
Zurück zu „Steuergeräte / Controller / Motoren“
Gehe zu
- Elektroroller
- ↳ Altmarken
- ↳ eRider
- ↳ E-sprit
- ↳ Goldenkey (GK)
- ↳ Innoscooter
- ↳ IO-Scooter
- ↳ Masini
- ↳ Oxygen
- ↳ Simple
- ↳ Solarscooter
- ↳ Vectrix
- ↳ Askoll
- ↳ Bimie
- ↳ BMW
- ↳ Doohan
- ↳ E-Max
- ↳ Ecomobility
- ↳ Econelo
- ↳ Ecooter
- ↳ E.F.O.
- ↳ E-KUMA
- ↳ Emco
- ↳ Felo
- ↳ Futura / Sunra
- ↳ GoE
- ↳ Govecs
- ↳ GreenStreet
- ↳ Horwin
- ↳ Kito
- ↳ Kreidler
- ↳ Kumpan
- ↳ KSR
- ↳ Landi
- ↳ NEXT
- ↳ NIU
- ↳ Nito
- ↳ Nova Motors / Minimoto
- ↳ Peugeot
- ↳ Piaggio
- ↳ Ray / Rieju
- ↳ Retro
- ↳ Segway
- ↳ Sharing
- ↳ Silence / SEAT
- ↳ SNE
- ↳ Super Soco / Vmoto
- ↳ Tinbot
- ↳ Tisto
- ↳ Tori
- ↳ Torrot
- ↳ Trinity
- ↳ Unu
- ↳ vR Bikes / QvR
- ↳ Wayscral
- ↳ Yadea
- ↳ Yamaha
- ↳ Zeeho
- ↳ Prototypen/Neuvorstellungen
- Elektromotorräder - Straße und Dual Sport
- ↳ Alrendo / Alrando / Rezon
- ↳ Bimie
- ↳ Black Tea
- ↳ BMW
- ↳ Brammo
- ↳ Can Am
- ↳ Dayi Motors
- ↳ DMG
- ↳ Ebroh
- ↳ E.F.O.
- ↳ Energica
- ↳ evMoto / Rotom
- ↳ Horwin
- ↳ LiveWire / Harley-Davidson
- ↳ Maico
- ↳ Naxeon
- ↳ NIU
- ↳ Ovaobike
- ↳ Ranis / Wuxi
- ↳ RGNT (Regent)
- ↳ Saxxx
- ↳ Sunra
- ↳ Super Soco / Vmoto
- ↳ Tinbot
- ↳ Tromox
- ↳ Ultraviolette
- ↳ Urbet
- ↳ Zero
- ↳ Prototypen/Neuvorstellungen
- Elektromotorräder - Enduro / Motocross / Offroad
- Elektrotrikes / Elektroquads / Microcars
- ↳ Kabinenroller / Microcars
- ↳ Econelo
- ↳ Elektrofrosch
- ↳ Futura
- ↳ GECO / Menila / E-Go eK4, Stormborn XL, Scheelen Moonliner
- ↳ TOL
- ↳ Trixi 4.3 / eLazzy / Stormborn X8
- ↳ Renault Twizy
- ↳ Sharing
- ↳ Silence
- ↳ Trikes / Quads
- ↳ El. Bobbycars
- ↳ Krankenfahrstühle
- ↳ Prototypen/Neuvorstellungen
- Elektroscooter
- ↳ E-Scooter
- ↳ Di Blasi
- ↳ Forca / Mach1 / Rolektro / eFlux
- ↳ Horwin/Lehe K1
- ↳ Revoluzzer & Revoluzzi
- ↳ Revoluzzer & Revoluzzi der 1.Generation
- ↳ Revoluzzer 20 km/h und 45 km/ der 2.Generation
- ↳ Revoluzzer 20 km/h und 45 km/ der 3.Generation
- ↳ Sonstiges alle Revoluzzer & Revoluzzi
- ↳ Tante Paula
- ↳ Segways
- ↳ SXT Scooter
- ↳ Scrooser/Harley
- ↳ Stigo
- ↳ eBikeBoards
- ↳ Sharing
- ↳ Prototypen/Neuvorstellungen
- ↳ Elektrokleinstfahrzeuge
- ↳ BMW
- ↳ Doc Green
- ↳ Egret
- ↳ E-Micro
- ↳ ePowerFun
- ↳ Futura
- ↳ IO Hawk
- ↳ Kumpan
- ↳ Longway
- ↳ Metz
- ↳ Ninebot
- ↳ NIU
- ↳ SoFlow
- ↳ SXT Scooter
- ↳ The-Urban
- ↳ Xiaomi
- ↳ Sharing
- ↳ Prototypen/Neuvorstellungen
- ↳ Einräder
- Elektrotechnik
- ↳ Akkutechnik / Ladetechnik
- ↳ Blei Akkus
- ↳ Lithium Akkus
- ↳ LiFePo Akkus
- ↳ BMS
- ↳ Ladegeräte
- ↳ Ladestationen
- ↳ Solartankstellen
- ↳ Steuergeräte / Controller / Motoren
- ↳ Elektronik
- Werkstatt und Händler
- ↳ Händler und Servicebetriebe
- ↳ User helfen Usern
- ↳ Schraubertipps / DIY
- ↳ Transport
- Kaufberatung
- Kleinanzeigen
- ↳ Ich verkaufe...
- ↳ Ich suche...
- ↳ Ich tausche...
- Sonstiges
- ↳ Wer ist neu?
- ↳ Veranstaltungen
- ↳ Gesetzliche Regelungen
- ↳ Umwelt
- ↳ Kleidung / Helm / Kommunikation
- ↳ Helme
- ↳ Kleidung
- ↳ Kommunikation
- ↳ Förderung
- ↳ Versicherung
- ↳ Internes Forum
- Archiv
- ↳ Elektrofahrräder / Pedelecs
- ↳ Umbau-Pedelecs
- ↳ BionX
- ↳ Pedelec Akku Themen
- ↳ Prototypen/Neuvorstellungen
Wer ist online?
Mitglieder in diesem Forum: 0 Mitglieder und 19 Gäste