Mein Ecooter
-
CarlosTT
- Beiträge: 253
- Registriert: Sa 29. Aug 2020, 16:58
- Roller: Segway E300; Micro Explorer; Unagi; Zero SR; Zero SR/S
- PLZ: 53604
- Wohnort: Bad Honnef
- Tätigkeit: Im Ruhestand :-)
- Kontaktdaten:
Re: Mein Ecooter
Der Tacho macht ja auch bei 99 Schluß. Wahrscheinlich fängt er wieder bei 0 an.
-
ripper1199
- Beiträge: 691
- Registriert: Mi 19. Sep 2018, 12:57
- PLZ: 45470
- Kontaktdaten:
Re: Mein Ecooter
Heute bei 5888 km Ausfall der 12V (?) Elektrik. Schaut nach DCDC Wandler aus. Betrifft aber nicht den Motor. Freischaltknopf geht noch und Antrieb auch. Bremslichteinfluss unbekannt, hab ich ja lahmgelegt. Da ich nicht laufen musste darf er vorerst bleiben.
Darauf steht HF und Dayang oder Davang 60-64 V 2017/12
60V Nennspannung wär ja okay, warum da "bis 64V" drauf steht finde ich wieder verwunderlich, es stehen bis 71V oder so an... Finde leider nichts dazu bisher
Darauf steht HF und Dayang oder Davang 60-64 V 2017/12
60V Nennspannung wär ja okay, warum da "bis 64V" drauf steht finde ich wieder verwunderlich, es stehen bis 71V oder so an... Finde leider nichts dazu bisher
Zuletzt geändert von ripper1199 am Fr 11. Jun 2021, 20:20, insgesamt 1-mal geändert.
-
ripper1199
- Beiträge: 691
- Registriert: Mi 19. Sep 2018, 12:57
- PLZ: 45470
- Kontaktdaten:
Re: Mein Ecooter
Karre also auseinandergerissen, keine Spannung an 12V vom DCDC kommend. Verdächtigen gefunden. Da keine Daten vorhanden alles aufgebaut um die Niedervoltseite per Netzgerät zu befeuern um nötigen Stromfluss des neuen DCDC zu bestimmen. 10A bei 4V. Oh ein Kurzschluss irgendwo. DCDC nochmal auf dem Tisch leer probiert, geht doch noch bei 12,4V.
Multimeter auf Durchgangsprüfung und piepsen lassen und an allem erreichbaren wackeln. Mehr Plastik abbauen, mehr wackeln. Im Lenker riecht es am Ende verdächtig nach verbrannter Elektronik. Jeden Stecker abziehen bis das Multimeter nicht mehr piepst und über bleibt ein Dings was irgendwas mit dem Blinker zu tun hat. Hier findet sich ein Brandloch.
Scheint die Steuerung für Blinker links, rechts und Warnblinker zu sein. Beim testen nochmal kurz kurzschliessen ein SMD Baustein oder Dreck der da irgendwo angehaftet hat verglüht und zerfällt beim befingern zu Staub. Jetzt geht wieder alles. Bezeichnung wahrscheinlich C5 an der Stelle, könnte für Kondensator stehen?
Auf dem Chip findet sich die Nummer, wahrscheinlich dieser
https://www.ti.com/lit/ds/symlink/cd4013b.pdf
Pin5 also D1 für Channel 1 input bekommt jetzt irgendwas nicht mehr.
Ist mir sehr recht, solange es noch geht braucht man nichts reparieren. Bisschen fraglich ist die 10A Sicherung der 12V Seite. Der DCDC kriegt die offensichtlich nicht durch, bin ja noch 10 Minuten damit gefahren.
Bisschen Schrumpfschlauch drum und warten bis was brennt...
Strombedarf mit allem an etwa 50W.
Multimeter auf Durchgangsprüfung und piepsen lassen und an allem erreichbaren wackeln. Mehr Plastik abbauen, mehr wackeln. Im Lenker riecht es am Ende verdächtig nach verbrannter Elektronik. Jeden Stecker abziehen bis das Multimeter nicht mehr piepst und über bleibt ein Dings was irgendwas mit dem Blinker zu tun hat. Hier findet sich ein Brandloch.
Scheint die Steuerung für Blinker links, rechts und Warnblinker zu sein. Beim testen nochmal kurz kurzschliessen ein SMD Baustein oder Dreck der da irgendwo angehaftet hat verglüht und zerfällt beim befingern zu Staub. Jetzt geht wieder alles. Bezeichnung wahrscheinlich C5 an der Stelle, könnte für Kondensator stehen?
Auf dem Chip findet sich die Nummer, wahrscheinlich dieser
https://www.ti.com/lit/ds/symlink/cd4013b.pdf
Pin5 also D1 für Channel 1 input bekommt jetzt irgendwas nicht mehr.
Ist mir sehr recht, solange es noch geht braucht man nichts reparieren. Bisschen fraglich ist die 10A Sicherung der 12V Seite. Der DCDC kriegt die offensichtlich nicht durch, bin ja noch 10 Minuten damit gefahren.
Bisschen Schrumpfschlauch drum und warten bis was brennt...
Strombedarf mit allem an etwa 50W.
-
freesty
- Beiträge: 224
- Registriert: Mi 3. Jul 2019, 00:02
- Roller: ecooter e2s
- PLZ: 1
- Kontaktdaten:
Re: Mein Ecooter
Danke für die Recherche.
Habe schon öfter gehört, dass die 12V Elektrik bei den Ecootern Probleme macht.
Habe schon öfter gehört, dass die 12V Elektrik bei den Ecootern Probleme macht.
2019er Ecooter e2s mit 27000km SoH 90%.
-
ripper1199
- Beiträge: 691
- Registriert: Mi 19. Sep 2018, 12:57
- PLZ: 45470
- Kontaktdaten:
Re: Mein Ecooter
Wir sind gerade auf der Fehlersuche an einem anderen Ecooter. @'MEroller' @'STW' ihr kennt euch doch mit som Zeug aus.
Bei dem würgt es irgendwie den Akkustrom ab. Ich vermute dass entweder das BMS wegen Kurzschluss oder sonstigem Ungemach zu macht, oder eher mein Tipp die Sanftlademechanik einen Schaden hat und nicht den Fahrstrom aufmacht. Es kommen einzelne Volt durch, aber nicht so richtig.
Wenn man den Akku nach einiger Zeit ausgesteckt, neu einsteckt knallt und klickt es irgendwo. Ich halte das für eine Einschaltstrombegrenzung.
Das Ding finden wir aber nicht und ich wollte mal fragen ob es einen Tip gibt wonach wir suchen (Grösse, eher Anlasserrelais oder elektronisches Bauteil)oder ob das gemeinhin mit im Motorcontroller ist.
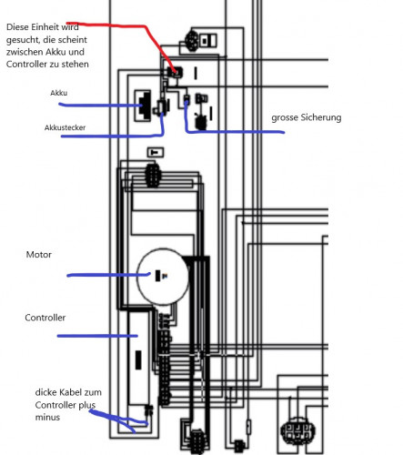
In der Anleitung ist ein ganz arg schlechter Schaltplan: Ich habe mal die Wachsmaler ausgepackt und Vermutungen angestellt was da was ist. Das rot bezeichnete Ding halte ich für eben dieses Bauteil. Ist das realistisch und wo würde man es vermuten?
Bei dem würgt es irgendwie den Akkustrom ab. Ich vermute dass entweder das BMS wegen Kurzschluss oder sonstigem Ungemach zu macht, oder eher mein Tipp die Sanftlademechanik einen Schaden hat und nicht den Fahrstrom aufmacht. Es kommen einzelne Volt durch, aber nicht so richtig.
Wenn man den Akku nach einiger Zeit ausgesteckt, neu einsteckt knallt und klickt es irgendwo. Ich halte das für eine Einschaltstrombegrenzung.
Das Ding finden wir aber nicht und ich wollte mal fragen ob es einen Tip gibt wonach wir suchen (Grösse, eher Anlasserrelais oder elektronisches Bauteil)oder ob das gemeinhin mit im Motorcontroller ist.
In der Anleitung ist ein ganz arg schlechter Schaltplan: Ich habe mal die Wachsmaler ausgepackt und Vermutungen angestellt was da was ist. Das rot bezeichnete Ding halte ich für eben dieses Bauteil. Ist das realistisch und wo würde man es vermuten?
-
STW
- Beiträge: 8400
- Registriert: So 22. Feb 2009, 11:31
- Roller: RGNT Classic NO. 1 SEL
- PLZ: 14***
- Wohnort: bei Berlin
- Kontaktdaten:
Re: Mein Ecooter
Wenn das ein Einschaltstrombegrenzer sein sollte, der erstmal mit Stromspitzen abfindet, bis die Kondensatorendes Controllers geladen sind, dann dürfte das Teil die Größe ungefähr von ein- bis zwei Blinkerrelais eines Autos haben. Alternativ könnte das auch eine Art selbstrückstellende Sicherung sein. Wenn es "Klick" macht, dann spricht das am ehesten für ein verbautes Relais, wenn es knallt, dann für einen Elektrolytkondensator, der durchgegangen ist.
Letztendlich hilft erstmal nur, die Geräuschquelle zu lokalisieren, vor und nach der Quelle die Kabelverbindungen nach und nach zu Messzwecken aufzutrennen und schauen, wo der Spannungsverlust ist.
Allerdings hängt das jetzt auch noch vom BMS des Akkus ab: ggf. macht der wegen zu hohem Strombedarf dicht, oder aber er benötigt eine "Freischaltung", um die Spannung aufzumachen. Da ist der Schaltplan jetzt aber wirklich zu sehr Katastrophe, um da irgendwas erkennen zu können.
Letztendlich hilft erstmal nur, die Geräuschquelle zu lokalisieren, vor und nach der Quelle die Kabelverbindungen nach und nach zu Messzwecken aufzutrennen und schauen, wo der Spannungsverlust ist.
Allerdings hängt das jetzt auch noch vom BMS des Akkus ab: ggf. macht der wegen zu hohem Strombedarf dicht, oder aber er benötigt eine "Freischaltung", um die Spannung aufzumachen. Da ist der Schaltplan jetzt aber wirklich zu sehr Katastrophe, um da irgendwas erkennen zu können.
RGNT V2 ab 01/23 > 20000km
NIU NGT ab 06/20 Km-Stand > 36000km, nach Unfall verkauft in 5/23
Niu NPro seit 09/19 Km-Stand > 8000km - Verkauft in 10/22
Ahamani Swap Bj 2007 - 2.4KW - Vario - Km-Stand > 27.000km - 40AH Thundersky ab 11/08 - CALB 70AH seit 10/11 -Verschrottung 09/19
NIU NGT ab 06/20 Km-Stand > 36000km, nach Unfall verkauft in 5/23
Niu NPro seit 09/19 Km-Stand > 8000km - Verkauft in 10/22
Ahamani Swap Bj 2007 - 2.4KW - Vario - Km-Stand > 27.000km - 40AH Thundersky ab 11/08 - CALB 70AH seit 10/11 -Verschrottung 09/19
- MEroller
- Moderator
- Beiträge: 19356
- Registriert: Mo 1. Nov 2010, 22:37
- Roller: Zero S 11kW ZF10.5/erider Thunder (R.I.P)
- PLZ: 7
- Tätigkeit: Entwickler (Traktionsbatterie)
- Kontaktdaten:
Re: Mein Ecooter
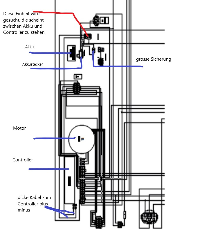
Hat der Ecooter einen Schütz, der nach dem Fahrzeugstart die Batterie mit dem Controller verbindet? Der gibt ein deutlich vernehmbares "klack" von sich, wenn er schaltet. Dann müsste es eine Vorladeeinrichtung geben um diesen Schütz herum, welche die Eingangskondensatoren vom Controller vorlädt bis auf fast Batteriespannung, so dass der Schütz recht verschleißarm (und somit massiv Lebensdauer-verlängernd) betreibbar wird.
Das Vorladen kann dabei über ein Relais elektromechanisch gestartet werden. Das gibt üblicherweise weit vor dem Schütz den Geist auf. Weshalb man das lieber per einem MOSFET macht.
Aber dazu braucht es schon einen gescheiten Schaltplan vom Ecooter... Wenn dieses Vorladen nicht genügend vorladen kann (Widerstand ist durchgebrannt, Relais ist durchgebrannt), bleibt der Schütz offen, und der E-Roller geht nicht an.
Das rot markierte Teil könnte der Schütz sein.
Einschaltstrombegrenzungen sind in einem Ladegerät verbaut.
Das Vorladen kann dabei über ein Relais elektromechanisch gestartet werden. Das gibt üblicherweise weit vor dem Schütz den Geist auf. Weshalb man das lieber per einem MOSFET macht.
Aber dazu braucht es schon einen gescheiten Schaltplan vom Ecooter... Wenn dieses Vorladen nicht genügend vorladen kann (Widerstand ist durchgebrannt, Relais ist durchgebrannt), bleibt der Schütz offen, und der E-Roller geht nicht an.
Das rot markierte Teil könnte der Schütz sein.
Einschaltstrombegrenzungen sind in einem Ladegerät verbaut.
Zero S 11kWZF10.5
e-rider Thunder 5000: Ruht in Frieden
e-rider Thunder 5000: Ruht in Frieden
-
ripper1199
- Beiträge: 691
- Registriert: Mi 19. Sep 2018, 12:57
- PLZ: 45470
- Kontaktdaten:
Re: Mein Ecooter
Danke Euch beiden, das BMS des Akkus scheint immer offen, ich kann Solarfremdladen und einen Inverter betreiben.
Es klickt nur beim erstmaligen einstecken nach längerem abgestecktsein. Da darf man auch nicht zu hektisch sein bis alles aufgeladen ist, Einstecken, Sitzbank zu und Schlüsselschalter betätigen ist zu schnell, da gibt es Fehlfunktionen. Danach wird per Zündschloss geschaltet, der Controller steht quasi ständig unter Strom würde ich sagen. Bin gespannt ob der Kollege einen besseren Plan bekommt.
Es klickt nur beim erstmaligen einstecken nach längerem abgestecktsein. Da darf man auch nicht zu hektisch sein bis alles aufgeladen ist, Einstecken, Sitzbank zu und Schlüsselschalter betätigen ist zu schnell, da gibt es Fehlfunktionen. Danach wird per Zündschloss geschaltet, der Controller steht quasi ständig unter Strom würde ich sagen. Bin gespannt ob der Kollege einen besseren Plan bekommt.
- MEroller
- Moderator
- Beiträge: 19356
- Registriert: Mo 1. Nov 2010, 22:37
- Roller: Zero S 11kW ZF10.5/erider Thunder (R.I.P)
- PLZ: 7
- Tätigkeit: Entwickler (Traktionsbatterie)
- Kontaktdaten:
Re: Mein Ecooter
Leider ist auch auf dem detaillierteren Kabelbaum-Plan nichts zu entdecken, was diese Problem verursachen könnte. Es ist wirklich nur der Kabelbaum, ohne sonstige Gerätschaften. Von einem Schütz und einer Vorlademimik auch keinerlei Spur in den übersetzten Beschreibungen...
Zero S 11kWZF10.5
e-rider Thunder 5000: Ruht in Frieden
e-rider Thunder 5000: Ruht in Frieden
-
Elektrobär
- Beiträge: 510
- Registriert: Di 28. Apr 2020, 20:32
- Roller: Ecooter E1S / Horwin EK3 / Unu 2.1
- PLZ: 1
- Kontaktdaten:
Re: Mein Ecooter
In dem detaillierten Kabelbaum ist zumindest von einem Stecker die Rede, der als Funktion Stromsperre ausgewiesen hat. Mir scheint als ob dieser Stecker bzw. dessen Kabel im Zündschloss münden. Auch wenn die Farben der Kabel nicht ganz hinhauen. Gelb statt grün. Der rest passt. auch die Form des Steckers.
Siehe Fotos.
Meint ihr es könnte damit was zu tun haben?
Siehe Fotos.
Meint ihr es könnte damit was zu tun haben?
Wer ist online?
Mitglieder in diesem Forum: 0 Mitglieder und 12 Gäste