GSX-R e899 K2
-
Rov
- Beiträge: 725
- Registriert: Mo 13. Feb 2017, 08:48
- Roller: GSX-R e899 K2
- PLZ: 96114
- Kontaktdaten:
Re: GSXR 1000 K2 Notlösung
Da ich Euch teil haben lassen möchte was ich mache, habe ich mich dazu entschlossen mal das Manual ins Jpeg Format umzuwandeln. Dann kann ich Euch pro Seite berichten, was ich gemacht bzw. eingestellt habe.
Evtl. ist das spatter ja auch für jemand anderen Interessant zu wissen!
Da, wo es dann interessant wird werde ich nur eine Seite posten!
Evtl. ist das spatter ja auch für jemand anderen Interessant zu wissen!
Da, wo es dann interessant wird werde ich nur eine Seite posten!
-
Rov
- Beiträge: 725
- Registriert: Mo 13. Feb 2017, 08:48
- Roller: GSX-R e899 K2
- PLZ: 96114
- Kontaktdaten:
Re: GSXR 1000 K2 Notlösung
und weiter geht es ...
Speziell auf Seite 10 sind ein paar Randbedingungen:
1. Befindet sich am Lenker (linke Seite)
2. Habe keine Honda Goldwing, von daher benötige ich nur "forward" und diesen habe ich direkt angeschlossen
3. Ist auch am Lenker (rechte Seite)
4. verwende ich nicht
5. ist vorhanden
Speziell auf Seite 10 sind ein paar Randbedingungen:
1. Befindet sich am Lenker (linke Seite)
2. Habe keine Honda Goldwing, von daher benötige ich nur "forward" und diesen habe ich direkt angeschlossen
3. Ist auch am Lenker (rechte Seite)
4. verwende ich nicht
5. ist vorhanden
-
Rov
- Beiträge: 725
- Registriert: Mo 13. Feb 2017, 08:48
- Roller: GSX-R e899 K2
- PLZ: 96114
- Kontaktdaten:
Re: GSXR 1000 K2 Notlösung
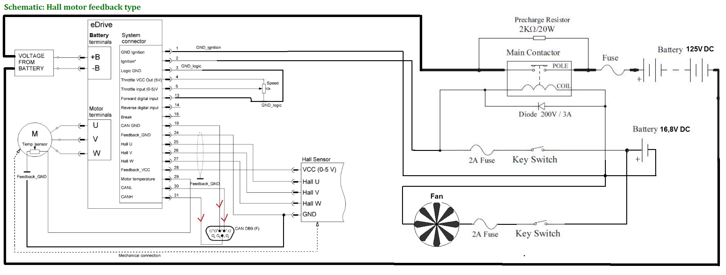
Nun folgen ein paar Stromlaufpläne bzgl. der verschiedenen Sensoren.
Ich verwende den Hallsensor Feedback-Geber und hänge nochmals meinen Stromlaufplan hinten dran.
Hier sieht man das ich den Forward Digitaleingang (low active) direkt mit Masse verbunden habe und damit nur eine Drehrichtung zugelassen wird.
Des Weiteren habe ich dort einen Lüfter eingezeichnet, der hinter dem Wasserkühler angebracht ist (Original GSXR 1000 K2 Equipment).
Dann noch den Hauptleistungsschalter, der Akkus vom Regler trennt und den dazugehörigen Lade-/Entladewiderstand.
Die zusätlichen Eingänge für sin/cos Feedback habe ich auch schon am SealAmp Stecker versehen (für die Zukunft gerüstet
)
Ich verwende den Hallsensor Feedback-Geber und hänge nochmals meinen Stromlaufplan hinten dran.
Hier sieht man das ich den Forward Digitaleingang (low active) direkt mit Masse verbunden habe und damit nur eine Drehrichtung zugelassen wird.
Des Weiteren habe ich dort einen Lüfter eingezeichnet, der hinter dem Wasserkühler angebracht ist (Original GSXR 1000 K2 Equipment).
Dann noch den Hauptleistungsschalter, der Akkus vom Regler trennt und den dazugehörigen Lade-/Entladewiderstand.
Die zusätlichen Eingänge für sin/cos Feedback habe ich auch schon am SealAmp Stecker versehen (für die Zukunft gerüstet
-
Rov
- Beiträge: 725
- Registriert: Mo 13. Feb 2017, 08:48
- Roller: GSX-R e899 K2
- PLZ: 96114
- Kontaktdaten:
Re: GSXR 1000 K2 Notlösung
Installation des Treibers für den USB2CAN BUS Konverter.
Fürs PW habe ich auch mehrere Anläufe benötigt.
Am Ende war es nur die einfache Zahlenreihenfolge!
Fürs PW habe ich auch mehrere Anläufe benötigt.
Am Ende war es nur die einfache Zahlenreihenfolge!
-
Rov
- Beiträge: 725
- Registriert: Mo 13. Feb 2017, 08:48
- Roller: GSX-R e899 K2
- PLZ: 96114
- Kontaktdaten:
-
Rov
- Beiträge: 725
- Registriert: Mo 13. Feb 2017, 08:48
- Roller: GSX-R e899 K2
- PLZ: 96114
- Kontaktdaten:
Re: GSXR 1000 K2 Notlösung
Jetzt geht es weiter mit der Installation des "Configuration Tools".
Auch hier einfach nur die das Zip-Filer entpacken und die setup.exe starten
Auch hier einfach nur die das Zip-Filer entpacken und die setup.exe starten
-
Rov
- Beiträge: 725
- Registriert: Mo 13. Feb 2017, 08:48
- Roller: GSX-R e899 K2
- PLZ: 96114
- Kontaktdaten:
Re: GSXR 1000 K2 Notlösung
Nun wird das Configuration Tool gestartet und man benötigt einen Lizenzschlüssel, der sich aus der Seriennummer ergibt.
D.h. Seriennummer zu Emsiso schicken und sie schicken dann einen Lizenzschlüssel zurück.
Es sei noch kurz erwähnt das der Treiber und die SW über einen Download-Link (von Emsiso bereitgestellt) heruntergeladen wird.
D.h. Seriennummer zu Emsiso schicken und sie schicken dann einen Lizenzschlüssel zurück.
Es sei noch kurz erwähnt das der Treiber und die SW über einen Download-Link (von Emsiso bereitgestellt) heruntergeladen wird.
-
Rov
- Beiträge: 725
- Registriert: Mo 13. Feb 2017, 08:48
- Roller: GSX-R e899 K2
- PLZ: 96114
- Kontaktdaten:
Re: GSXR 1000 K2 Notlösung
Nun wird es interessant.
Wie gesagt die Stecker bzw. Verbindungskabel gehörten nicht zum Lieferumfang!
Das durfte ich mir am Ende doch alles selber zusammenbasteln!
D. h. Verbindung vom Regler zum USB2CAN Device per RS232 Sub-D9 (f) mit 2,3,7 Belegung (siehe Stromlaufplan).
USB to USB vom USB2CAN Device zum PC.
So, und nun kommt es, als ich dieser Anweisung gefolgt bin war das Kästchen komplett leer.
Nach ein paar Erinnerungen an die alte Windowszeit bin ich dann im Gerätemanager der Systemsteuerung gelandet und habe mir den COM Port angeschaut. Dieser stand Default mäßig auf COM3. Den habe ich dann auf COM10 umgestellt.
Dann habe ich das Programm (Configuration Tool) nochmals neu gestartet und siehe da plötzlich war das Kästchen nicht mehr leer sondern es stand COM10 drin!
Somit konnte ich weiter mit dem Menü fortfahren
Wie gesagt die Stecker bzw. Verbindungskabel gehörten nicht zum Lieferumfang!
Das durfte ich mir am Ende doch alles selber zusammenbasteln!
D. h. Verbindung vom Regler zum USB2CAN Device per RS232 Sub-D9 (f) mit 2,3,7 Belegung (siehe Stromlaufplan).
USB to USB vom USB2CAN Device zum PC.
So, und nun kommt es, als ich dieser Anweisung gefolgt bin war das Kästchen komplett leer.
Nach ein paar Erinnerungen an die alte Windowszeit bin ich dann im Gerätemanager der Systemsteuerung gelandet und habe mir den COM Port angeschaut. Dieser stand Default mäßig auf COM3. Den habe ich dann auf COM10 umgestellt.
Dann habe ich das Programm (Configuration Tool) nochmals neu gestartet und siehe da plötzlich war das Kästchen nicht mehr leer sondern es stand COM10 drin!
Somit konnte ich weiter mit dem Menü fortfahren
-
Rov
- Beiträge: 725
- Registriert: Mo 13. Feb 2017, 08:48
- Roller: GSX-R e899 K2
- PLZ: 96114
- Kontaktdaten:
Re: GSXR 1000 K2 Notlösung
Jetzt muß man noch wissen, das am USB2CAN Device ein Schalter ist (Termination).
Der muss unbedingt auf "On" stehen, sonst bekommt man standing eine Fehlermeldung beim Download der EDS vom Regler!
Der muss unbedingt auf "On" stehen, sonst bekommt man standing eine Fehlermeldung beim Download der EDS vom Regler!
-
Rov
- Beiträge: 725
- Registriert: Mo 13. Feb 2017, 08:48
- Roller: GSX-R e899 K2
- PLZ: 96114
- Kontaktdaten:
Re: GSXR 1000 K2 Notlösung
Nun folgt der Schritt alle Parameter zu löschen und mit der Auto align Funktion zu beginnen.
Wer ist online?
Mitglieder in diesem Forum: 0 Mitglieder und 18 Gäste