Hallo zusammen, ich habe das gleiche Problem, wie viele andere hier in diesem Forum. Mein kumpan 54 iconic geht nicht mehr an.
Ich habe schon etliche Beiträge durchgelesen und probiert ohne Ergebnis..
Mein kumpan stand mehrere wochen mit vollgeladenem Akku in der Garage. Ladeklappe war geschlossen. Nach der standzeit ließ er sich nicht mehr einschalten.
Durch Drücken des startknopfes ließe er sich nicht mehr einschalten. Das Display ging nicht an. Und der einschaltknopf leuchtete auch nicht grün.
Ein laden, der Hauptakkus über die Frontklappe führte zu einer Fehlermeldung error am Ladegerät.
Folgendes habe ich bisher unternommen:
Der Backup Akku im Steuergerät wurde ausgebaut und ich habe 0 Volt gemessen. Ich habe an den Backup Akku durch ein Labornetzteil mit 12 Volt ersetzt.
Ein Laden des Hauptakkus über dem Front Ladeanschluss war nun mit dem Kumpanetzteil wieder möglich.
Allerdings lies der Roller sich über den Einschaltknopf weiterhin nicht einschalten. Der Einschaltknopf blieb weiterhin dunkel. Er leuchtet somit auch nicht grün
Mittlerweile habe ich den Backup Akku auf 12 Volt wieder aufgeladen und der liefert nun auch wieder 12 Volt und im Steuergerät angeschlossen. Ein Laden über die Ladeklappe mit dem Kumpanetzteil war nun auch wieder möglich. Allerdings auch weiterhin ließ er sich nicht Einschalten. Der Einschaltknopf blieb dunkel.
Mein Roller hat einen Schlüssel und keine RFID - karte.
Die Batterie, des schlüssel habe ich mittlerweile ersetzt. auch das trug dazu nicht bei, dass der Roller sich wieder einschalten lässt.
Hinweis der Funkschlüssel hat einen Einschalt und Ausschaltknopf.
Mein Handy war angelernt am Roller als Schlüssel. Allerdings funktioniert das einschalten mit dem Handy auch nicht
Auffällig ist, dass der Backup Akku sich trotz geschlossener Ladeklappe nicht lädt. Nach einer Woche standzeit beträgt die Batteriespannung nur noch 7 Volt.
Im Steuergerät gibt es drei Sicherungen. Bei einer Sicherung steht Backup akku dabei. Hier stehen nur 3 Volt an was ich merkwürdig finde, da zum Laden doch eigentlich 12 Volt notwendig sind.
An der anderen Sicherung im Steuergerät stehen 12 Volt an und an der letzten Sicherung die ca 60 Volt. Das messen der Spannungen erfolgte bei geschlossener Ladeklappe.
Hat jemand noch eine Idee was man machen könnte? Ich befürchte fast, dass das Steuergerät defekt ist, weil laut den anderen Beiträgen müsste wenigstens nach Austausch der Backup Batterie der Einschaltknopf grün leuchten. Das ist bei meinem Roller nicht der Fall.
Leider kann ich auch nicht sagen, welcher Softwarestand auf dem Roller ist, da das Display nicht an geht, und ich mir das vorher nicht notiert habe.
Der Roller müsste ein 2019er Modell sein. Gekauft habe ich in 2022 im Frühjahr
Model 1954 Ri
Variante B
Version 54
Typ 05
Kumpan 54 i:conic geht nicht an
-
- Beiträge: 8
- Registriert: Sa 18. Mär 2023, 14:35
- Roller: Kumpan i:conic
- PLZ: 97509
- Kontaktdaten:
Kumpan 54 i:conic geht nicht an
Zuletzt geändert von MarkDo am So 10. Aug 2025, 21:11, insgesamt 1-mal geändert.
-
- Beiträge: 7
- Registriert: Mo 16. Jun 2025, 13:58
- Roller: Kumpan i54 Iconic
- PLZ: 93077
- Kontaktdaten:
Re: Kumpan 54 i:conic geht nicht an
Hallo,
das hört sich nach einem defekten Spannungsregler an (60V ->12V): Der muss bei gesteckten Haupakkus 12V liefern! Bitte auch die zugehöige Sicherung prüfen! Gruß MountainBiker
das hört sich nach einem defekten Spannungsregler an (60V ->12V): Der muss bei gesteckten Haupakkus 12V liefern! Bitte auch die zugehöige Sicherung prüfen! Gruß MountainBiker
-
- Beiträge: 8
- Registriert: Sa 18. Mär 2023, 14:35
- Roller: Kumpan i:conic
- PLZ: 97509
- Kontaktdaten:
Re: Kumpan 54 i:conic geht nicht an
Hallo, der DC-DC Wandler liefert 12 Volt..
Sicherung ist nicht defekt
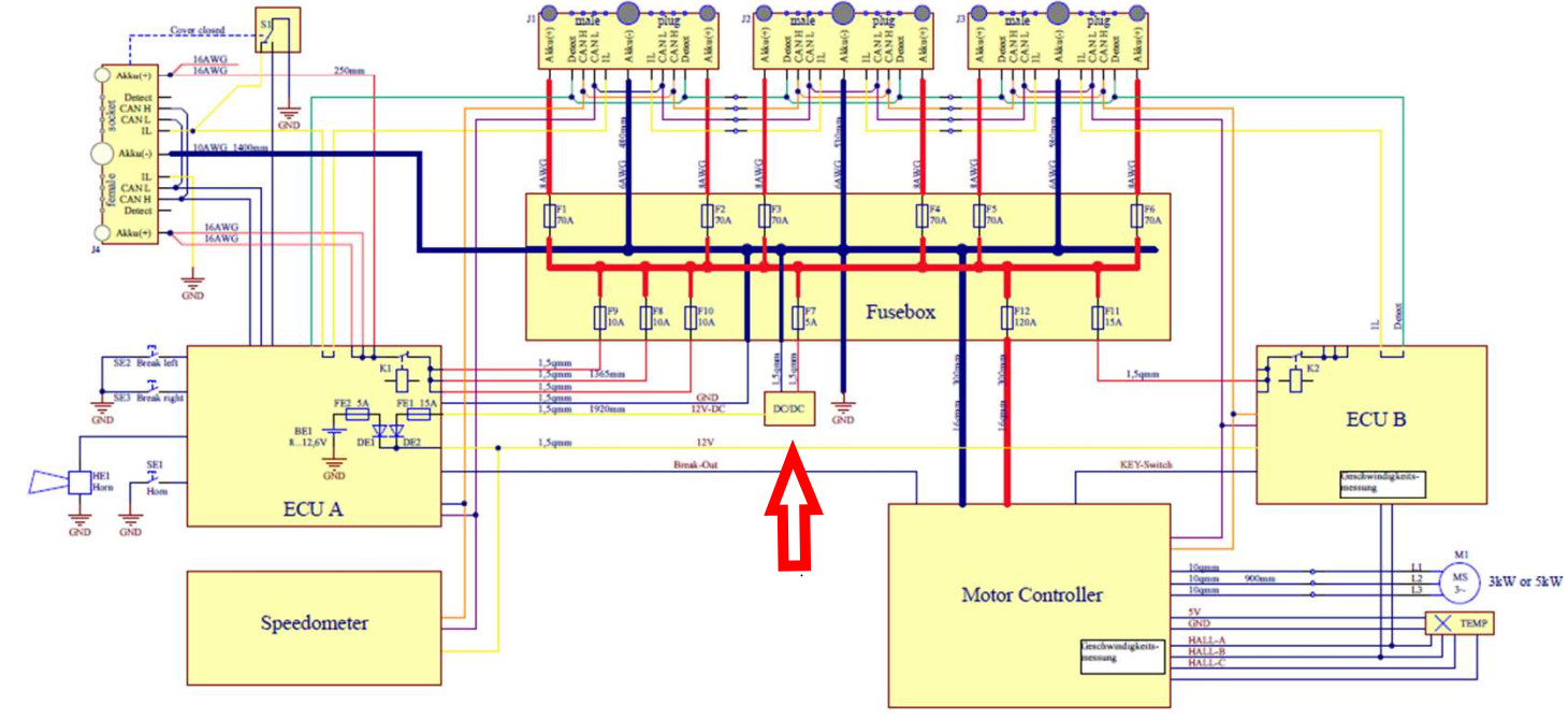
Im Steuergerät messe ich an den Sicherungen folgende Werte. siehe Datei Anhang
Ich habe im Bild Nummern rein geschrieben.
3) ca. 60V
2) 12V
1) ohne Backup Batterie ca. 3 V mit angesteckter Backup Batterie die Spg. der Backup Batterie, aktuell 7V.
Da sich die Backup Batterie wohl auch nicht mehr lädt. Müsste da vom Verständnis her, um die Batterie zu laden nicht doch 12. Volt anstehen.
Sorry für die Rechtschreibfehler. Ich schreibe am Handy und nutze die Spracheingabe. Ist nicht so optimal wie ich feststellen muß.
Sicherung ist nicht defekt
Im Steuergerät messe ich an den Sicherungen folgende Werte. siehe Datei Anhang
Ich habe im Bild Nummern rein geschrieben.
3) ca. 60V
2) 12V
1) ohne Backup Batterie ca. 3 V mit angesteckter Backup Batterie die Spg. der Backup Batterie, aktuell 7V.
Da sich die Backup Batterie wohl auch nicht mehr lädt. Müsste da vom Verständnis her, um die Batterie zu laden nicht doch 12. Volt anstehen.
Sorry für die Rechtschreibfehler. Ich schreibe am Handy und nutze die Spracheingabe. Ist nicht so optimal wie ich feststellen muß.
-
- Beiträge: 235
- Registriert: So 22. Mai 2022, 19:44
- Roller: Kumpan Ignite
- PLZ: 8125
- Land: CH
- Kontaktdaten:
Re: Kumpan 54 i:conic geht nicht an
Hoi MarkDo!
solange die LED am einschaltknopf nicht grün leuchtet, kannst du davon ausgehen, dass dein Kumpan nicht starten wird...
der erste Meilenstein sollte also die grün leuchtende LED sein...
Backupakku scheint schlapp zu sein....
kannst du auch mal weglassen für den moment oder mit einem 12v Netzteil /batterie whatever 12v direkt anlegen dort.
die Batterie braucht um 12.6V um bis 100% zu laden. mit 12v lädt sie einfach nicht bis 100%.
ein Kumpan mit defekter Backupbatterie startet nach meinem Verständnis nicht, wenn der Kumpan beim ausschalten eine funktionierende Batterie hatte.
schaltet der Kumpan mit defekter Batterie aus, startet er wieder.
also nochmals:
Backuppbatterie weglassen
wenns nicht geht
12v Direkt in die ECU speisen (kabel der Backupbatterie benutzen)
wenn dann die LED immernoch nicht geht, dann ist es möglich dass die ECU defekt ist....
hätte ersatz falls du eine benötigst..
LG Raffler
solange die LED am einschaltknopf nicht grün leuchtet, kannst du davon ausgehen, dass dein Kumpan nicht starten wird...
der erste Meilenstein sollte also die grün leuchtende LED sein...
Backupakku scheint schlapp zu sein....
kannst du auch mal weglassen für den moment oder mit einem 12v Netzteil /batterie whatever 12v direkt anlegen dort.
die Batterie braucht um 12.6V um bis 100% zu laden. mit 12v lädt sie einfach nicht bis 100%.
ein Kumpan mit defekter Backupbatterie startet nach meinem Verständnis nicht, wenn der Kumpan beim ausschalten eine funktionierende Batterie hatte.
schaltet der Kumpan mit defekter Batterie aus, startet er wieder.
also nochmals:
Backuppbatterie weglassen
wenns nicht geht
12v Direkt in die ECU speisen (kabel der Backupbatterie benutzen)
wenn dann die LED immernoch nicht geht, dann ist es möglich dass die ECU defekt ist....
hätte ersatz falls du eine benötigst..
LG Raffler
--> Anschreiben per Telegram hier: https://t.me/raffler5
ansonsten schicke ich dir gerne eine PN mit meiner Tel.Nr
ansonsten schicke ich dir gerne eine PN mit meiner Tel.Nr

-
- Beiträge: 8
- Registriert: Sa 18. Mär 2023, 14:35
- Roller: Kumpan i:conic
- PLZ: 97509
- Kontaktdaten:
Re: Kumpan 54 i:conic geht nicht an
Also der Roller geht nicht ohne und auch nicht mit Backup Batterie an. Mit Labor Netzteil geht's auch nicht.
Die grüne Lampe leuchtet in keinem Fall
Wie läuft das mit der Ersatz ECU ab.
Kann der Schlüssel wieder angelernt werden?
Was kostet der Spaß?
Die grüne Lampe leuchtet in keinem Fall
Wie läuft das mit der Ersatz ECU ab.
Kann der Schlüssel wieder angelernt werden?
Was kostet der Spaß?
-
- Beiträge: 8
- Registriert: Sa 18. Mär 2023, 14:35
- Roller: Kumpan i:conic
- PLZ: 97509
- Kontaktdaten:
Re: Kumpan 54 i:conic geht nicht an
Das einzige was an dem Roller noch funktioniert ist. Ladeklappe öffnen dann fängt die Hauptbatterie an zu leuchten tolle Funktion.
Evtl macht die ECU doch noch was, nämlich das Lämpchen von Akku einschalten.
Evtl macht die ECU doch noch was, nämlich das Lämpchen von Akku einschalten.

-
- Beiträge: 235
- Registriert: So 22. Mai 2022, 19:44
- Roller: Kumpan Ignite
- PLZ: 8125
- Land: CH
- Kontaktdaten:
Re: Kumpan 54 i:conic geht nicht an
Hoi MarkDo
wenn selbst mit angelegter spannung die LED nicht leuchtet ist die ECU definitiv kaput....
Ich schlage vor du schickst mir diese zu,
ggfls kann ich sie hier wieder zum leben erwecken...
Ansonsten hab ich bei mir noch Ersatz ECU's
Anlernen der Schlüssel ist kein Problem!
nach dem Installieren der ERsatzECU kannst du einfach SChlüssel anlernen (ECU startet zu beginn ohne schlüssel, bis ein schlüssel angelernt ist)
die ErsatzECU ist 500.-
LG Raffler
kontaktier mir doch am besten direkt
wenn selbst mit angelegter spannung die LED nicht leuchtet ist die ECU definitiv kaput....
Ich schlage vor du schickst mir diese zu,
ggfls kann ich sie hier wieder zum leben erwecken...
Ansonsten hab ich bei mir noch Ersatz ECU's
Anlernen der Schlüssel ist kein Problem!
nach dem Installieren der ERsatzECU kannst du einfach SChlüssel anlernen (ECU startet zu beginn ohne schlüssel, bis ein schlüssel angelernt ist)
die ErsatzECU ist 500.-
LG Raffler
kontaktier mir doch am besten direkt

--> Anschreiben per Telegram hier: https://t.me/raffler5
ansonsten schicke ich dir gerne eine PN mit meiner Tel.Nr
ansonsten schicke ich dir gerne eine PN mit meiner Tel.Nr

Wer ist online?
Mitglieder in diesem Forum: 0 Mitglieder und 9 Gäste