90s die 204te
-
Peter51
- Beiträge: 6501
- Registriert: Sa 6. Aug 2011, 10:04
- Roller: E-Max 90s, E-Max 110s, E-Max 120s
- PLZ: 2
- Kontaktdaten:
Re: 90s die 204te
Im Controller sitzt ein Kfz.-Relais, welches mit einem Vorwiderstand die Softladung realiesiert. Da aber alles vergossen ist, kann man nichts sehen und auch nichts reparieren. Irgendwo hat einer die Vergußmasse freigegratzt, hat aber aucht nichts geholfen.
E-Max 90s von 2012 - Vmax>46km/h - km-Stand >5150 - 16x Littokala 51,2V 105Ah = 5kWh. JK-B1A24S15P - Sevcon Gen4
E-Max 110s von 2010 - Vmax>50km/h - km-Stand >1.800 - 4x Littokala 72V 50Ah = 14,4kWh
E-Max 120s von 2015 - Vmax 80km/h - TÜV 03.2026 - 72V100Ah LFP-Akku - JK-B2A24S15P Balancer BT - MQ Controller BT
E-Max 110s von 2010 - Vmax>50km/h - km-Stand >1.800 - 4x Littokala 72V 50Ah = 14,4kWh
E-Max 120s von 2015 - Vmax 80km/h - TÜV 03.2026 - 72V100Ah LFP-Akku - JK-B2A24S15P Balancer BT - MQ Controller BT
- Pedator92
- Beiträge: 658
- Registriert: Mo 6. Jul 2020, 14:19
- Roller: E-max 90s | 65ah lifepo4
- PLZ: 266
- Kontaktdaten:
Re: 90s die 204te
Die 2 ersteigerten Ersatzteile kamen an aber sind beide ebenfalls defekt (war auch in der Anzeige geschrieben, aber Versuch macht klug). Leider ist das so Wartungs und Umweltunfreundlich, aber naja
.
So läuft es wohl auch hier auf den Umbau auf einen Anderen Controller mit extra Dc/Dc hinaus.
So läuft es wohl auch hier auf den Umbau auf einen Anderen Controller mit extra Dc/Dc hinaus.
Kreidler Amaze 50 | 2796km | 48V 40AH LFP
E-Max 90s | 20727km | 48v ~62AH LFP | Wartung
Stanford STF A4 | 2450+2700km | 75,6V 60AH
https://www.youtube.com/c/pedator92 Diy | Reparatur | Solar | Motovlog
E-Max 90s | 20727km | 48v ~62AH LFP | Wartung
Stanford STF A4 | 2450+2700km | 75,6V 60AH
https://www.youtube.com/c/pedator92 Diy | Reparatur | Solar | Motovlog
-
Peter51
- Beiträge: 6501
- Registriert: Sa 6. Aug 2011, 10:04
- Roller: E-Max 90s, E-Max 110s, E-Max 120s
- PLZ: 2
- Kontaktdaten:
Re: 90s die 204te
Eine intakte MSU solltest du schon haben. Ein SVMC72150 hat keinen +12V Ausgang. Den DC DC 48V 12V brauchst du, um die MSU anzustoßen.
E-Max 90s von 2012 - Vmax>46km/h - km-Stand >5150 - 16x Littokala 51,2V 105Ah = 5kWh. JK-B1A24S15P - Sevcon Gen4
E-Max 110s von 2010 - Vmax>50km/h - km-Stand >1.800 - 4x Littokala 72V 50Ah = 14,4kWh
E-Max 120s von 2015 - Vmax 80km/h - TÜV 03.2026 - 72V100Ah LFP-Akku - JK-B2A24S15P Balancer BT - MQ Controller BT
E-Max 110s von 2010 - Vmax>50km/h - km-Stand >1.800 - 4x Littokala 72V 50Ah = 14,4kWh
E-Max 120s von 2015 - Vmax 80km/h - TÜV 03.2026 - 72V100Ah LFP-Akku - JK-B2A24S15P Balancer BT - MQ Controller BT
- Pedator92
- Beiträge: 658
- Registriert: Mo 6. Jul 2020, 14:19
- Roller: E-max 90s | 65ah lifepo4
- PLZ: 266
- Kontaktdaten:
Re: 90s die 204te
Da seh ich für mich kein Sinn hinter.
Mein Plan ist:
Msu, Controller, kabelbaum und Verteiler (dieses Teil am Rahmen unterhalb des Tachos) zu entfernen.
Neuer Controller (kein Svmc72150) welcher auch ein Hallsensor Ausgang hat (fürs Tacho) einbauen. Genug Releis für die ansteuerung von Stand/Fahr/Fernlicht/Bremslicht/Hupe und natürlich ein Lastunabhängiges Für die Blinker. Daraus kann ich ja mit ein paar transistoren ganz einfach die Signale fürs Tacho abzweigen.
Einschalten geht ja über den Controller bzw einem trennrelais für die 12v dc.
Dürfte ich gerade nichts vergessen haben an Elektronik.
Mein Plan ist:
Msu, Controller, kabelbaum und Verteiler (dieses Teil am Rahmen unterhalb des Tachos) zu entfernen.
Neuer Controller (kein Svmc72150) welcher auch ein Hallsensor Ausgang hat (fürs Tacho) einbauen. Genug Releis für die ansteuerung von Stand/Fahr/Fernlicht/Bremslicht/Hupe und natürlich ein Lastunabhängiges Für die Blinker. Daraus kann ich ja mit ein paar transistoren ganz einfach die Signale fürs Tacho abzweigen.
Einschalten geht ja über den Controller bzw einem trennrelais für die 12v dc.
Dürfte ich gerade nichts vergessen haben an Elektronik.
Kreidler Amaze 50 | 2796km | 48V 40AH LFP
E-Max 90s | 20727km | 48v ~62AH LFP | Wartung
Stanford STF A4 | 2450+2700km | 75,6V 60AH
https://www.youtube.com/c/pedator92 Diy | Reparatur | Solar | Motovlog
E-Max 90s | 20727km | 48v ~62AH LFP | Wartung
Stanford STF A4 | 2450+2700km | 75,6V 60AH
https://www.youtube.com/c/pedator92 Diy | Reparatur | Solar | Motovlog
-
Peter51
- Beiträge: 6501
- Registriert: Sa 6. Aug 2011, 10:04
- Roller: E-Max 90s, E-Max 110s, E-Max 120s
- PLZ: 2
- Kontaktdaten:
Re: 90s die 204te
Natürlich kannst du alles weglassen und deinem E-Max 90s ein 12V Bordnetz, wie beim Benziner, verpassen. Brauchst nur ein DC DC und ein Blinkrelais, Kabel, Lüsterklemmen, Aderendhülsen und 4 Samstagnachmittage. Die Kontrollleuchten im Tacho haben als Gemeinsamen +12V und ein Hallsensorausgang kannst du direkt am speed Eingang Tacho anschliessen 
E-Max 90s von 2012 - Vmax>46km/h - km-Stand >5150 - 16x Littokala 51,2V 105Ah = 5kWh. JK-B1A24S15P - Sevcon Gen4
E-Max 110s von 2010 - Vmax>50km/h - km-Stand >1.800 - 4x Littokala 72V 50Ah = 14,4kWh
E-Max 120s von 2015 - Vmax 80km/h - TÜV 03.2026 - 72V100Ah LFP-Akku - JK-B2A24S15P Balancer BT - MQ Controller BT
E-Max 110s von 2010 - Vmax>50km/h - km-Stand >1.800 - 4x Littokala 72V 50Ah = 14,4kWh
E-Max 120s von 2015 - Vmax 80km/h - TÜV 03.2026 - 72V100Ah LFP-Akku - JK-B2A24S15P Balancer BT - MQ Controller BT
- Pedator92
- Beiträge: 658
- Registriert: Mo 6. Jul 2020, 14:19
- Roller: E-max 90s | 65ah lifepo4
- PLZ: 266
- Kontaktdaten:
Re: 90s die 204te
Klar wird das wie du sagst einiges an Zeit verbrauchen, aber meiner Meinung nach ist das Wartungsfreundlicher falls mal was defekt geht. Ich bleib gespannt wie schwierig das wird 
Danke hier schonmal für deine Tipps.
Danke hier schonmal für deine Tipps.
Kreidler Amaze 50 | 2796km | 48V 40AH LFP
E-Max 90s | 20727km | 48v ~62AH LFP | Wartung
Stanford STF A4 | 2450+2700km | 75,6V 60AH
https://www.youtube.com/c/pedator92 Diy | Reparatur | Solar | Motovlog
E-Max 90s | 20727km | 48v ~62AH LFP | Wartung
Stanford STF A4 | 2450+2700km | 75,6V 60AH
https://www.youtube.com/c/pedator92 Diy | Reparatur | Solar | Motovlog
-
Peter51
- Beiträge: 6501
- Registriert: Sa 6. Aug 2011, 10:04
- Roller: E-Max 90s, E-Max 110s, E-Max 120s
- PLZ: 2
- Kontaktdaten:
Re: 90s die 204te
Nimm einen 48...72V/12V oder 13,8V DC DC mit 15A. Die 10A Dinger schaffen meist nur 7A dauernd. Der E-Max hat vorn 55W Birnen. Sämliches Licht sowie Blinker werden gegen ground eingeschaltet. Ein letzter Tipp von mir, ohne Schaltplan wird das nichts. Ich hab' keinen.
E-Max 90s von 2012 - Vmax>46km/h - km-Stand >5150 - 16x Littokala 51,2V 105Ah = 5kWh. JK-B1A24S15P - Sevcon Gen4
E-Max 110s von 2010 - Vmax>50km/h - km-Stand >1.800 - 4x Littokala 72V 50Ah = 14,4kWh
E-Max 120s von 2015 - Vmax 80km/h - TÜV 03.2026 - 72V100Ah LFP-Akku - JK-B2A24S15P Balancer BT - MQ Controller BT
E-Max 110s von 2010 - Vmax>50km/h - km-Stand >1.800 - 4x Littokala 72V 50Ah = 14,4kWh
E-Max 120s von 2015 - Vmax 80km/h - TÜV 03.2026 - 72V100Ah LFP-Akku - JK-B2A24S15P Balancer BT - MQ Controller BT
-
Evolution
- Moderator
- Beiträge: 7248
- Registriert: So 7. Feb 2016, 15:04
- Roller: Vormals Vectrix VX-2 und E-Max 80L
- PLZ: 41564
- Kontaktdaten:
Re: 90s die 204te
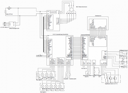
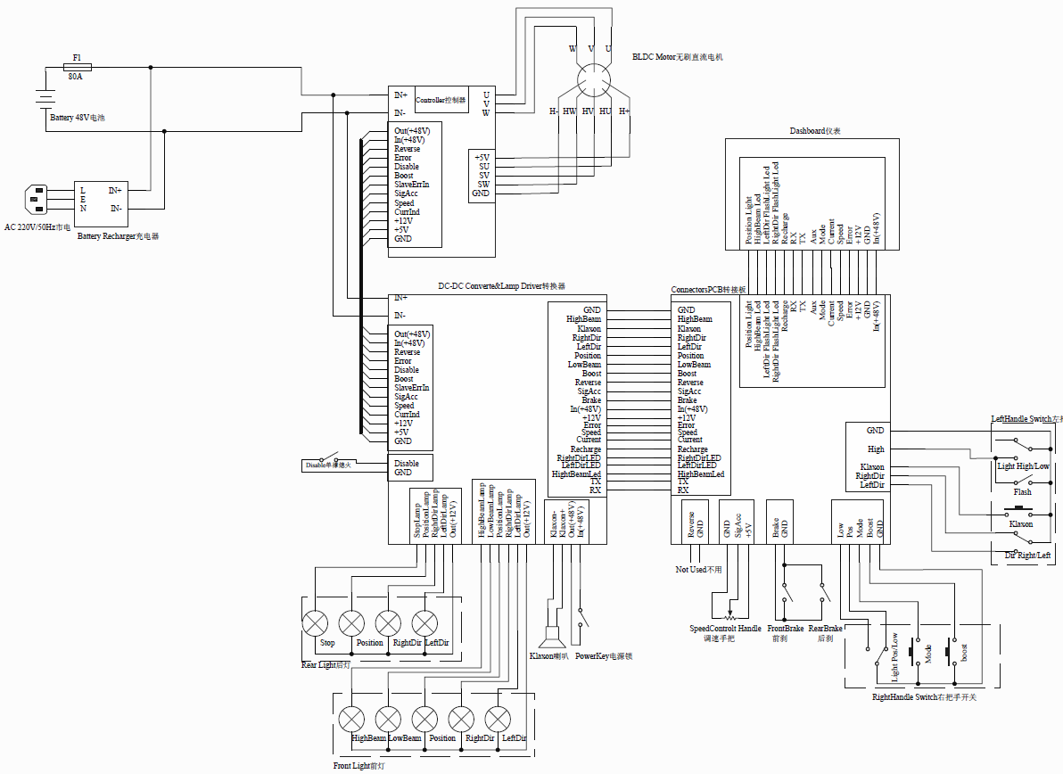
Google mal nach Electrical circuit diagram e-max 90s
Da wirst Du schnell pfündig. Bitte darauf achten, dass die alten 90 s und die neuen von 2007 und jünger unterschiedliche Roller sind.
Da wirst Du schnell pfündig. Bitte darauf achten, dass die alten 90 s und die neuen von 2007 und jünger unterschiedliche Roller sind.
-
Peter51
- Beiträge: 6501
- Registriert: Sa 6. Aug 2011, 10:04
- Roller: E-Max 90s, E-Max 110s, E-Max 120s
- PLZ: 2
- Kontaktdaten:
Re: 90s die 204te
E-Max 90s von 2012 - Vmax>46km/h - km-Stand >5150 - 16x Littokala 51,2V 105Ah = 5kWh. JK-B1A24S15P - Sevcon Gen4
E-Max 110s von 2010 - Vmax>50km/h - km-Stand >1.800 - 4x Littokala 72V 50Ah = 14,4kWh
E-Max 120s von 2015 - Vmax 80km/h - TÜV 03.2026 - 72V100Ah LFP-Akku - JK-B2A24S15P Balancer BT - MQ Controller BT
E-Max 110s von 2010 - Vmax>50km/h - km-Stand >1.800 - 4x Littokala 72V 50Ah = 14,4kWh
E-Max 120s von 2015 - Vmax 80km/h - TÜV 03.2026 - 72V100Ah LFP-Akku - JK-B2A24S15P Balancer BT - MQ Controller BT
- Pedator92
- Beiträge: 658
- Registriert: Mo 6. Jul 2020, 14:19
- Roller: E-max 90s | 65ah lifepo4
- PLZ: 266
- Kontaktdaten:
Re: 90s die 204te
Danke für die Verlinkungen.
Heute kam ein neuer Controller an aus China.
Ykz7280ja, Allerdings passt die Belegung des Hall Sensors nicht deswegen ruckelt der Motor nur.
Muss ich morgen mal durchtesten bis er richtig läuft.
Heute kam ein neuer Controller an aus China.
Ykz7280ja, Allerdings passt die Belegung des Hall Sensors nicht deswegen ruckelt der Motor nur.
Muss ich morgen mal durchtesten bis er richtig läuft.
Kreidler Amaze 50 | 2796km | 48V 40AH LFP
E-Max 90s | 20727km | 48v ~62AH LFP | Wartung
Stanford STF A4 | 2450+2700km | 75,6V 60AH
https://www.youtube.com/c/pedator92 Diy | Reparatur | Solar | Motovlog
E-Max 90s | 20727km | 48v ~62AH LFP | Wartung
Stanford STF A4 | 2450+2700km | 75,6V 60AH
https://www.youtube.com/c/pedator92 Diy | Reparatur | Solar | Motovlog
Wer ist online?
Mitglieder in diesem Forum: 0 Mitglieder und 5 Gäste