Steckerbelegung am DC-DC Step-Down-Modul von Znen??

Für alles elektronische, was woanders nicht reinpasst.
Benutzeravatar
vsm
Administrator
Beiträge: 3033
Registriert: Mo 15. Mai 2017, 12:18
PLZ: 12
Kontaktdaten:

Re: Steckerbelegung am DC-DC Step-Down-Modul von Znen??

Beitrag von vsm »

Habe da kein Fertiggerät, das ich selbst getestet hätte...

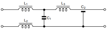
Als diskretes Bauteil sieht ein DC-EMV-Filter so aus.

Das equivalente Schaltbild so:
emv-filter.png
emv-filter.png (6.94 KiB) 3313 mal betrachtet
Bei den Fertiggeräten steht leider selten drauf, was drin ist... Im Zweifel musst Du da nach Rezensionen gehen. Oder es gibt hier noch ein Mitglied mit entsprechenden Erfahrungen...

Benutzeravatar
horst0606
Beiträge: 93
Registriert: Di 24. Jul 2018, 08:00
Roller: Nova Motors SLI5, Xiaomi mi4, Yuba E500, Kona E0
PLZ: 53
Kontaktdaten:

Re: Steckerbelegung am DC-DC Step-Down-Modul von Znen??

Beitrag von horst0606 »

Danke:-)
Nova Motors SLI5, Xiaomi mi4, Yuba E5000, Kona E

Antworten

Zurück zu „Elektronik“

Wer ist online?

Mitglieder in diesem Forum: 0 Mitglieder und 10 Gäste