probleme beim laden von akku
-
- Beiträge: 47
- Registriert: Fr 28. Feb 2020, 06:21
- Roller: sur ron
- PLZ: 67067
- Kontaktdaten:
probleme beim laden von akku
hallo,
ich habe mir für mein e-moped einen zusatzakku (16s 6p vtc6 zelle)
zur vergrößerung der reichweite angefertigt.
hatte mich hier im forum beraten lassen.
der akku wurde nach angleichen der spannung (beide 55 v)
parallel angeschlossen und mit dem org. moped ladegerät
67,2v 10a geladen. nach ladeschluß hatte der
org akku 67 volt der zusatzakku nur 61 volt
am bms liegt an der c- seite 67 volt und
an der b- seite nur 61 volt an !!
was ist hier los ?? den akku wieder aus seiner ummantelung geschält und mal die spannung der einzelnen blöcke
gemessen alle 3,85 volt, ich verstehe es nicht !?!?
beide akkus entladen und wieder geladen, gleiches spiel !
habe ich ein faisches bms ? oder was läuft da schief ?
ist 61 volt nicht zu hoch für ein falsches bms ?
ich weis nicht weiter.
gruß horst.
ich habe mir für mein e-moped einen zusatzakku (16s 6p vtc6 zelle)
zur vergrößerung der reichweite angefertigt.
hatte mich hier im forum beraten lassen.
der akku wurde nach angleichen der spannung (beide 55 v)
parallel angeschlossen und mit dem org. moped ladegerät
67,2v 10a geladen. nach ladeschluß hatte der
org akku 67 volt der zusatzakku nur 61 volt
am bms liegt an der c- seite 67 volt und
an der b- seite nur 61 volt an !!
was ist hier los ?? den akku wieder aus seiner ummantelung geschält und mal die spannung der einzelnen blöcke
gemessen alle 3,85 volt, ich verstehe es nicht !?!?
beide akkus entladen und wieder geladen, gleiches spiel !
habe ich ein faisches bms ? oder was läuft da schief ?
ist 61 volt nicht zu hoch für ein falsches bms ?
ich weis nicht weiter.
gruß horst.
- MEroller
- Moderator
- Beiträge: 19312
- Registriert: Mo 1. Nov 2010, 22:37
- Roller: Zero S 11kW ZF10.5/erider Thunder (R.I.P)
- PLZ: 7
- Tätigkeit: Entwickler (Traktionsbatterie)
- Kontaktdaten:
Re: probleme beim laden von akku
Erste Frage: Du hast beide Akkus parallelgeschaltet und so mit dem Ladegerät geladen?
Zweite Fragen: Als Du den Lader entfernt hast, die Akkus aber noch parallelgeschaltet waren, hat WAS unterschiedliche Akkuspannungen gemessen? Dein Multimeter, oder die BMSse?
Bitte nochmals anhand dieser Fragen genauer spezifizieren, dann können Antworten gegeben werden.
Nur eins vorab: größter Nachteil vom XiaoXian BMS sind die Spannungsmessungen, es braucht dringend Kalibrierung mit einem guten Multimeter (mindestens drei Stellen hinterm Komma), und selbst dann ist noch ein bisschen Feinabstimmung nötig, dass es in Ruhe, beim Laden und Entladen halbwegs korrekte Zell- und Gesamtspannungen anzeigt.
Zweite Fragen: Als Du den Lader entfernt hast, die Akkus aber noch parallelgeschaltet waren, hat WAS unterschiedliche Akkuspannungen gemessen? Dein Multimeter, oder die BMSse?
Bitte nochmals anhand dieser Fragen genauer spezifizieren, dann können Antworten gegeben werden.
Nur eins vorab: größter Nachteil vom XiaoXian BMS sind die Spannungsmessungen, es braucht dringend Kalibrierung mit einem guten Multimeter (mindestens drei Stellen hinterm Komma), und selbst dann ist noch ein bisschen Feinabstimmung nötig, dass es in Ruhe, beim Laden und Entladen halbwegs korrekte Zell- und Gesamtspannungen anzeigt.
Zero S 11kWZF10.5
e-rider Thunder 5000: Ruht in Frieden
e-rider Thunder 5000: Ruht in Frieden
-
- Beiträge: 47
- Registriert: Fr 28. Feb 2020, 06:21
- Roller: sur ron
- PLZ: 67067
- Kontaktdaten:
Re: probleme beim laden von akku
zu 1: ja, akkus parallel geschalten und dann mit mopedlader zusammen geladen!
zu 2: mit dem multimeter die miteinander verbundenen akkus nach dem laden gemessen.
org. akku bis einschlieslich auf C- am zusatzakku BMS gemessen 67 volt.
auf die zellen des zusatzakkus und B- am BMS nur 61 volt gemessen.
wenn ich die akkus dann trenne.
67 volt am ausgang des org. akku
61 volt am ausgang des zusatz-akku.
wie gesagt mit einem eher ungenauen multimeter!
ich bin eher leie und dachte wenn ich alles schön nach vorgabe anschliese passt das.
wie ich rausbekomme was das BMS mist und wegen feinabstimmung und calibrierung
bin ich dann doch wohl eher überfordert !
was kann ich tun ?
anderes BMS verbauen ?
und wenn ja welches ?
danke gruß horst.
zu 2: mit dem multimeter die miteinander verbundenen akkus nach dem laden gemessen.
org. akku bis einschlieslich auf C- am zusatzakku BMS gemessen 67 volt.
auf die zellen des zusatzakkus und B- am BMS nur 61 volt gemessen.
wenn ich die akkus dann trenne.
67 volt am ausgang des org. akku
61 volt am ausgang des zusatz-akku.
wie gesagt mit einem eher ungenauen multimeter!
ich bin eher leie und dachte wenn ich alles schön nach vorgabe anschliese passt das.
wie ich rausbekomme was das BMS mist und wegen feinabstimmung und calibrierung
bin ich dann doch wohl eher überfordert !
was kann ich tun ?
anderes BMS verbauen ?
und wenn ja welches ?
danke gruß horst.
-
- Beiträge: 6501
- Registriert: Sa 6. Aug 2011, 10:04
- Roller: E-Max 90s, E-Max 110s, E-Max 120s
- PLZ: 2
- Kontaktdaten:
Re: probleme beim laden von akku
Welches BMS verwendest du denn?
Wenn das BMS nicht belasted ist, können über B- und C- schon ein paar Volt abfallen. Was passiert denn, wenn du deinen Selbstbauakku an dein LG 16 * 4,2V = 67,2V anschließt? Wird geladen?
Am besten eine Tabelle machen mit Zelle 1 bis 16. Prognose: Die Zellspannungen sind ungleich. Ist eine Zelle über 4,25V, wird nicht weitergeladen.
......und Kalibrierung der Zelleingangsspannung braucht Otto Normalverbraucher nicht.
Wenn das BMS nicht belasted ist, können über B- und C- schon ein paar Volt abfallen. Was passiert denn, wenn du deinen Selbstbauakku an dein LG 16 * 4,2V = 67,2V anschließt? Wird geladen?
Am besten eine Tabelle machen mit Zelle 1 bis 16. Prognose: Die Zellspannungen sind ungleich. Ist eine Zelle über 4,25V, wird nicht weitergeladen.
......und Kalibrierung der Zelleingangsspannung braucht Otto Normalverbraucher nicht.
E-Max 90s von 2012 - Vmax>46km/h - km-Stand >5150 - 16x Littokala 51,2V 105Ah = 5kWh. JK-B1A24S15P - Sevcon Gen4
E-Max 110s von 2010 - Vmax>50km/h - km-Stand >1.800 - 4x Littokala 72V 50Ah = 14,4kWh
E-Max 120s von 2015 - Vmax 80km/h - TÜV 03.2026 - 72V100Ah LFP-Akku - JK-B2A24S15P Balancer BT - MQ Controller BT
E-Max 110s von 2010 - Vmax>50km/h - km-Stand >1.800 - 4x Littokala 72V 50Ah = 14,4kWh
E-Max 120s von 2015 - Vmax 80km/h - TÜV 03.2026 - 72V100Ah LFP-Akku - JK-B2A24S15P Balancer BT - MQ Controller BT
- MEroller
- Moderator
- Beiträge: 19312
- Registriert: Mo 1. Nov 2010, 22:37
- Roller: Zero S 11kW ZF10.5/erider Thunder (R.I.P)
- PLZ: 7
- Tätigkeit: Entwickler (Traktionsbatterie)
- Kontaktdaten:
Re: probleme beim laden von akku
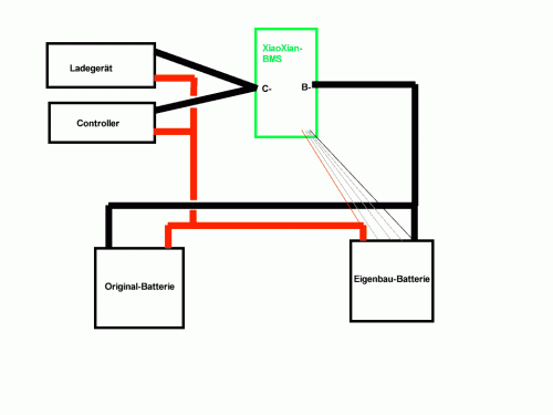
Jetzt fehlt nur noch Dein Parallelschaltkonzept Deiner zwei Akkus. Sie dürfen nicht übers BMS parallelgeschaltet werden - doch sowas scheint Deine Beschreibung anzudeuten.
Akkus parallelschalten bedeutet beide Batterie + und beide Batterie - Ausgänge jeweils miteinader zu verbinden. Sprich Batterie 1 Plus an Batterie 2 Plus, und Batterie 1 Minus an Batterie 2 Minus. Und dann KANNST Du keine unterschieldichen Spannungen messen, weil beide Akkus auf der gleichen Spannung liegen!
Jetzt kenne ich nur das XiaoXian BMS, das Du auf Batterie 2 drauf hast. Wo ist das BMS von Batterie 1? Ins Batteriegehäsue integriert? Dann muss Dein Testsetup folgendermaßen Verbunden sein - rot ist Plus, schwarz ist Minus: Wie Du gut sehen kannst haben Original- und Eigenbau-Batterie so keine Chance, unterschiedliche Spannungen zu haben
Akkus parallelschalten bedeutet beide Batterie + und beide Batterie - Ausgänge jeweils miteinader zu verbinden. Sprich Batterie 1 Plus an Batterie 2 Plus, und Batterie 1 Minus an Batterie 2 Minus. Und dann KANNST Du keine unterschieldichen Spannungen messen, weil beide Akkus auf der gleichen Spannung liegen!
Jetzt kenne ich nur das XiaoXian BMS, das Du auf Batterie 2 drauf hast. Wo ist das BMS von Batterie 1? Ins Batteriegehäsue integriert? Dann muss Dein Testsetup folgendermaßen Verbunden sein - rot ist Plus, schwarz ist Minus: Wie Du gut sehen kannst haben Original- und Eigenbau-Batterie so keine Chance, unterschiedliche Spannungen zu haben

Zero S 11kWZF10.5
e-rider Thunder 5000: Ruht in Frieden
e-rider Thunder 5000: Ruht in Frieden
-
- Beiträge: 6501
- Registriert: Sa 6. Aug 2011, 10:04
- Roller: E-Max 90s, E-Max 110s, E-Max 120s
- PLZ: 2
- Kontaktdaten:
Re: probleme beim laden von akku
Wenn zwischen B- und C- 6V sind, können die Zellspannungen von Original- und Eigenbaubatterie unterschiedlich sein.
E-Max 90s von 2012 - Vmax>46km/h - km-Stand >5150 - 16x Littokala 51,2V 105Ah = 5kWh. JK-B1A24S15P - Sevcon Gen4
E-Max 110s von 2010 - Vmax>50km/h - km-Stand >1.800 - 4x Littokala 72V 50Ah = 14,4kWh
E-Max 120s von 2015 - Vmax 80km/h - TÜV 03.2026 - 72V100Ah LFP-Akku - JK-B2A24S15P Balancer BT - MQ Controller BT
E-Max 110s von 2010 - Vmax>50km/h - km-Stand >1.800 - 4x Littokala 72V 50Ah = 14,4kWh
E-Max 120s von 2015 - Vmax 80km/h - TÜV 03.2026 - 72V100Ah LFP-Akku - JK-B2A24S15P Balancer BT - MQ Controller BT
-
- Beiträge: 47
- Registriert: Fr 28. Feb 2020, 06:21
- Roller: sur ron
- PLZ: 67067
- Kontaktdaten:
Re: probleme beim laden von akku
aha, ich glaube ich verstehe
so wie deine skitze es zeigt ist es natürlich nicht parallel angeschlossen.
beide plus-leitungen noch ja, da ist noch kein BMS zwischen,
ist ja standart!
aber beide minus-leitungen kommen vom jeweiligen BMS C- abgang.
also ist da jeweils vom org. akku als auch vom zusatz-akku deren BMS zwischen.
das parallel anklemmen erfolgte jeweils an den leitungen die zum controller gehen!
am offenen zusatz-akku könnte ich direkt auf batt-minus vor dem BMS zugreifen,
aber am org. akku ???
den müsste ich öffnen.
verstehe ich das richtig das mein zusatz-akku nicht richtig geladen wird, wenn so wie bei mir
erst die beiden stecker zum controller parallel geschaltet sind und nur der org. akku einen seperaten
ladeanschluß hat.
von 55 volt bis 61 volt wurde der zusatz-akku ja geladen, nur nicht bis 67 volt
auf meinem ersten bild sieht man das erst die leitungen zum controller verbunden sind und nur
der org. akku einen ladeanschluss hat (oranges kabel links unten)
was kann ich tun ?
danke,für eure hilfe
gruß horst.

so wie deine skitze es zeigt ist es natürlich nicht parallel angeschlossen.
beide plus-leitungen noch ja, da ist noch kein BMS zwischen,
ist ja standart!
aber beide minus-leitungen kommen vom jeweiligen BMS C- abgang.
also ist da jeweils vom org. akku als auch vom zusatz-akku deren BMS zwischen.
das parallel anklemmen erfolgte jeweils an den leitungen die zum controller gehen!
am offenen zusatz-akku könnte ich direkt auf batt-minus vor dem BMS zugreifen,
aber am org. akku ???
den müsste ich öffnen.
verstehe ich das richtig das mein zusatz-akku nicht richtig geladen wird, wenn so wie bei mir
erst die beiden stecker zum controller parallel geschaltet sind und nur der org. akku einen seperaten
ladeanschluß hat.
von 55 volt bis 61 volt wurde der zusatz-akku ja geladen, nur nicht bis 67 volt
auf meinem ersten bild sieht man das erst die leitungen zum controller verbunden sind und nur
der org. akku einen ladeanschluss hat (oranges kabel links unten)
was kann ich tun ?
danke,für eure hilfe
gruß horst.
-
- Beiträge: 47
- Registriert: Fr 28. Feb 2020, 06:21
- Roller: sur ron
- PLZ: 67067
- Kontaktdaten:
Re: probleme beim laden von akku
den zusatz-akku einzeln laden kann ich nicht,
habe nur das org. ladegerät 67,2 volt. 10 a
mit speziellem stecker der nur auf den org. akku passt.
darum will ich ja den zusatz-akku über den org. akku mittels
parallelem anschliesen mitladen.
und ja ich habe ja geschrieben das nach dem ladevorgang der
org. akku voll, der zusatz-akku aber nur ca. 3,85 volt je zelle hatte.
gruß horst.
habe nur das org. ladegerät 67,2 volt. 10 a
mit speziellem stecker der nur auf den org. akku passt.
darum will ich ja den zusatz-akku über den org. akku mittels
parallelem anschliesen mitladen.
und ja ich habe ja geschrieben das nach dem ladevorgang der
org. akku voll, der zusatz-akku aber nur ca. 3,85 volt je zelle hatte.
gruß horst.
-
- Beiträge: 47
- Registriert: Fr 28. Feb 2020, 06:21
- Roller: sur ron
- PLZ: 67067
- Kontaktdaten:
Re: probleme beim laden von akku
noch etwas,
ein gewerblicher akku bauer, von dem ich zuerst meinen akku bauen lassen wollte,
sagte das bei dieser art des parallelen anklemmen ein BMS nicht unbedingt notwendig wäre !?
was mich natürlich verunsichert hat
und auch ein grund war mich mehr mit dem thema zu beschäftigen und letztendlich selbst
und natürlich mit BMS zu bauen.
ein gewerblicher akku bauer, von dem ich zuerst meinen akku bauen lassen wollte,
sagte das bei dieser art des parallelen anklemmen ein BMS nicht unbedingt notwendig wäre !?
was mich natürlich verunsichert hat

und auch ein grund war mich mehr mit dem thema zu beschäftigen und letztendlich selbst
und natürlich mit BMS zu bauen.
-
- Beiträge: 6501
- Registriert: Sa 6. Aug 2011, 10:04
- Roller: E-Max 90s, E-Max 110s, E-Max 120s
- PLZ: 2
- Kontaktdaten:
Re: probleme beim laden von akku
Jeder Akku braucht sein eigenes BMS. Das Paralellschalten von Akkus wurde hier schon ausführlich erörtert. Hersteller die Roller mit 2 Akkus anbieten haben für das Parallelschalten eine spezielle Weiche oder, wenn der 1. Akku leergefahren ist, wird auf den 2. umgestöpselt.
Meiner Meinung nach, kann man Akkus parallel schalten, wenn der Spannungsunterschied kleiner 1V ist.
Ein modernes smartes BMS (mit Bluetooth) sieht z. B. so aus: Man sieht, dass der MosFet Charge Port geöffnet ist sowie der Discharge Port auch geöffnet ist = grüner Bereich.
Nachdem du zwischen B- und C- 6V gemessen hast, dürften beide Ports geschlossen sein. Ich denke, dass es beim Paralellschalten beider Akkus zu Überstrom kam. Nach Überstrom oder Kurzschluß muß ein BMS resetet werden - dies geschieht durch trennen der Last.
Meiner Meinung nach, kann man Akkus parallel schalten, wenn der Spannungsunterschied kleiner 1V ist.
Ein modernes smartes BMS (mit Bluetooth) sieht z. B. so aus: Man sieht, dass der MosFet Charge Port geöffnet ist sowie der Discharge Port auch geöffnet ist = grüner Bereich.
Nachdem du zwischen B- und C- 6V gemessen hast, dürften beide Ports geschlossen sein. Ich denke, dass es beim Paralellschalten beider Akkus zu Überstrom kam. Nach Überstrom oder Kurzschluß muß ein BMS resetet werden - dies geschieht durch trennen der Last.
E-Max 90s von 2012 - Vmax>46km/h - km-Stand >5150 - 16x Littokala 51,2V 105Ah = 5kWh. JK-B1A24S15P - Sevcon Gen4
E-Max 110s von 2010 - Vmax>50km/h - km-Stand >1.800 - 4x Littokala 72V 50Ah = 14,4kWh
E-Max 120s von 2015 - Vmax 80km/h - TÜV 03.2026 - 72V100Ah LFP-Akku - JK-B2A24S15P Balancer BT - MQ Controller BT
E-Max 110s von 2010 - Vmax>50km/h - km-Stand >1.800 - 4x Littokala 72V 50Ah = 14,4kWh
E-Max 120s von 2015 - Vmax 80km/h - TÜV 03.2026 - 72V100Ah LFP-Akku - JK-B2A24S15P Balancer BT - MQ Controller BT
Wer ist online?
Mitglieder in diesem Forum: 0 Mitglieder und 13 Gäste