Ladegerät abgeraucht
-
gerri
- Beiträge: 226
- Registriert: Fr 17. Jun 2011, 21:07
- PLZ: 9020
- Land: A
- Tätigkeit: Techniker i. R.
- Kontaktdaten:
Re: Ladegerät abgeraucht
Hat sich erledigt , brauchst nicht kurzschließen wenn hier keine Spannung anliegt , kann am Opto auch nix sein hab mich verschaut.
Denke wir kommen dem Fehler schon näher, entferne mal den Kleber bei der Diode und den 2 R´s
die Widerstände einseitig auslöten und messen ,die Diode glaub ich eher nicht das sie übern Jordan ist aber Sicherheitshalber auch messen (natürlich mit Diodentest)
Denke wir kommen dem Fehler schon näher, entferne mal den Kleber bei der Diode und den 2 R´s
die Widerstände einseitig auslöten und messen ,die Diode glaub ich eher nicht das sie übern Jordan ist aber Sicherheitshalber auch messen (natürlich mit Diodentest)
Yoom Royal-Benzhou YY7QTD-25 - Contr. Emsiso 120 - 20 x Calb SE40AHA
Innoscooter EM6000 - Contr. 6Phasen 100A - 21 x Calb CA40FI
Esprit Fury 100 - Contr. Kelly KBL72301 - 24 x CHL 50A + Akkuheizung
Solarscooter SCP 4040 - Contr. Emsiso edrive 250 - 24 x CHL 40A
2x KTM Traveller 250W Frontmotor und 36V10AH Headway´s
Innoscooter EM6000 - Contr. 6Phasen 100A - 21 x Calb CA40FI
Esprit Fury 100 - Contr. Kelly KBL72301 - 24 x CHL 50A + Akkuheizung
Solarscooter SCP 4040 - Contr. Emsiso edrive 250 - 24 x CHL 40A
2x KTM Traveller 250W Frontmotor und 36V10AH Headway´s
- MEroller
- Moderator
- Beiträge: 19399
- Registriert: Mo 1. Nov 2010, 22:37
- Roller: Zero S 11kW ZF10.5/erider Thunder (R.I.P)
- PLZ: 7
- Tätigkeit: Entwickler (Traktionsbatterie)
- Kontaktdaten:
Re: Ladegerät abgeraucht
Den Kleber entfernen? Das dürfte dann auch die damit gesicherten Bauteile zerstören. Woher ich das weiß? Weil ich am LG-Ausgang am Anfang schon mal ein Diödchen bei einer solchen Aktion zerstört habe und ersetzen musste... Das Zeug klebt noch erheblich besser als Klette. Da es vermutlich Heißkleber ist könnte die Masse vielleicht etwas weniger zäh werden und besser weggehen, wenn man es etwas erwärmt vorher?
Zero S 11kWZF10.5
e-rider Thunder 5000: Ruht in Frieden
e-rider Thunder 5000: Ruht in Frieden
-
gerri
- Beiträge: 226
- Registriert: Fr 17. Jun 2011, 21:07
- PLZ: 9020
- Land: A
- Tätigkeit: Techniker i. R.
- Kontaktdaten:
Re: Ladegerät abgeraucht
Ist Heißkleber, mit dem Föhn drauf ,falls er nicht leicht abgeht.
Sind 2Watt Widerstände die können das ab.
Sind 2Watt Widerstände die können das ab.
Yoom Royal-Benzhou YY7QTD-25 - Contr. Emsiso 120 - 20 x Calb SE40AHA
Innoscooter EM6000 - Contr. 6Phasen 100A - 21 x Calb CA40FI
Esprit Fury 100 - Contr. Kelly KBL72301 - 24 x CHL 50A + Akkuheizung
Solarscooter SCP 4040 - Contr. Emsiso edrive 250 - 24 x CHL 40A
2x KTM Traveller 250W Frontmotor und 36V10AH Headway´s
Innoscooter EM6000 - Contr. 6Phasen 100A - 21 x Calb CA40FI
Esprit Fury 100 - Contr. Kelly KBL72301 - 24 x CHL 50A + Akkuheizung
Solarscooter SCP 4040 - Contr. Emsiso edrive 250 - 24 x CHL 40A
2x KTM Traveller 250W Frontmotor und 36V10AH Headway´s
- MEroller
- Moderator
- Beiträge: 19399
- Registriert: Mo 1. Nov 2010, 22:37
- Roller: Zero S 11kW ZF10.5/erider Thunder (R.I.P)
- PLZ: 7
- Tätigkeit: Entwickler (Traktionsbatterie)
- Kontaktdaten:
Re: Ladegerät abgeraucht
Das war ja ein Kinderspiel: Heißluftpistole auf 100°C eingestellt, ein paar Sekunden draufgehalten, und der Heißkleber war warm und geschmiedig
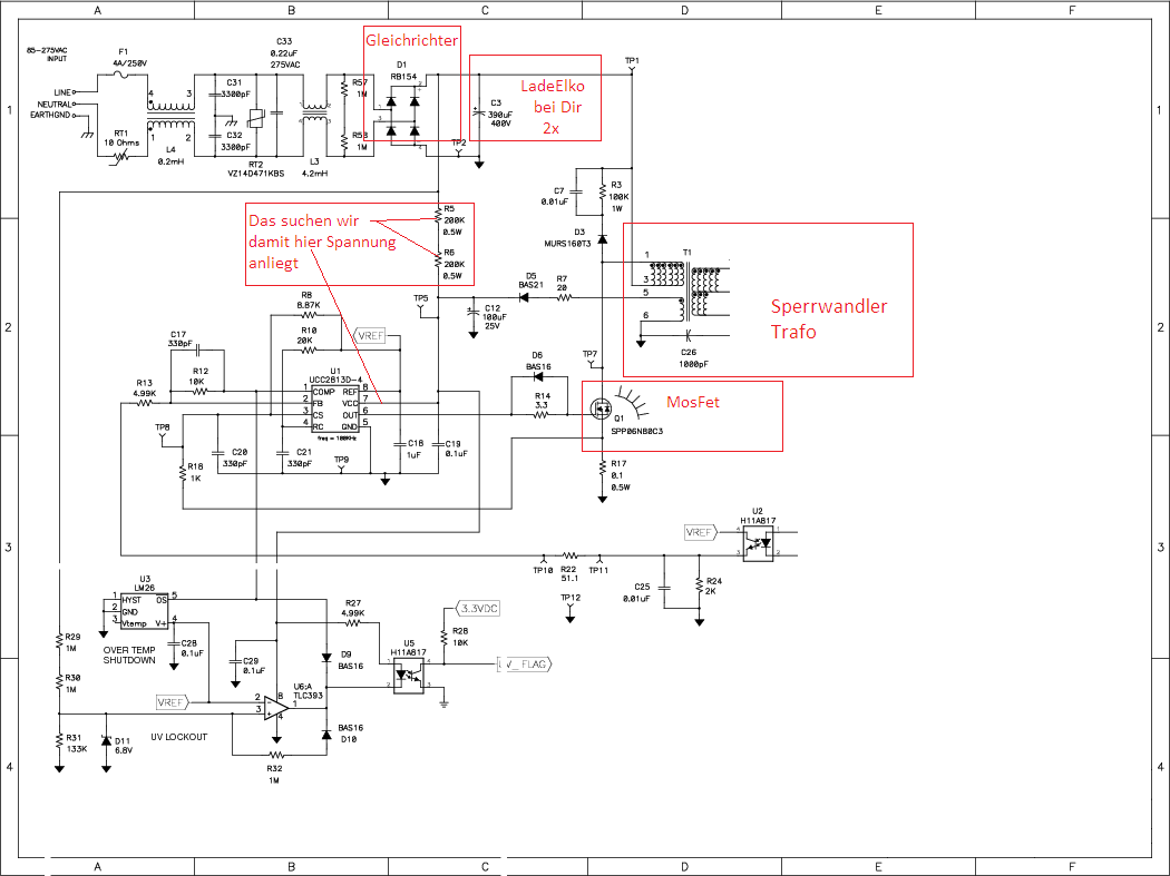
Rot umrahmt die gemessenen Bauteile, von oben nach unten und von rechts nach links:
466 kOhm (nach den Ringen 470kOhm)
462mV und sperrt in die andere Richtung
10 Ohm (passt gemäß den Ringen genau)
458mV und sperrt in die andere Richtung
Auslöten musste ich da nichts, war alles so tadellos messbar. Hier sitzt der Wurm also nicht.
Aber irgendwo IST was geplatzt und hat "popp" gemacht
Rot umrahmt die gemessenen Bauteile, von oben nach unten und von rechts nach links:
466 kOhm (nach den Ringen 470kOhm)
462mV und sperrt in die andere Richtung
10 Ohm (passt gemäß den Ringen genau)
458mV und sperrt in die andere Richtung
Auslöten musste ich da nichts, war alles so tadellos messbar. Hier sitzt der Wurm also nicht.
Aber irgendwo IST was geplatzt und hat "popp" gemacht
Zero S 11kWZF10.5
e-rider Thunder 5000: Ruht in Frieden
e-rider Thunder 5000: Ruht in Frieden
-
gerri
- Beiträge: 226
- Registriert: Fr 17. Jun 2011, 21:07
- PLZ: 9020
- Land: A
- Tätigkeit: Techniker i. R.
- Kontaktdaten:
Re: Ladegerät abgeraucht
Ok ....hier passt also alles.
als nächstes wäre dann der Bereich dran, die R´s wirst aber leider auslöten müssen.
Irgendwo muß von der Ub mittels R´s die Spannungsversorgung für den Treiber und Konsorten
abgegriffen werden. Kann die Leiterzüge leider meist nur erahnen und nicht eindeutig zuordnen.
als nächstes wäre dann der Bereich dran, die R´s wirst aber leider auslöten müssen.
Irgendwo muß von der Ub mittels R´s die Spannungsversorgung für den Treiber und Konsorten
abgegriffen werden. Kann die Leiterzüge leider meist nur erahnen und nicht eindeutig zuordnen.
Yoom Royal-Benzhou YY7QTD-25 - Contr. Emsiso 120 - 20 x Calb SE40AHA
Innoscooter EM6000 - Contr. 6Phasen 100A - 21 x Calb CA40FI
Esprit Fury 100 - Contr. Kelly KBL72301 - 24 x CHL 50A + Akkuheizung
Solarscooter SCP 4040 - Contr. Emsiso edrive 250 - 24 x CHL 40A
2x KTM Traveller 250W Frontmotor und 36V10AH Headway´s
Innoscooter EM6000 - Contr. 6Phasen 100A - 21 x Calb CA40FI
Esprit Fury 100 - Contr. Kelly KBL72301 - 24 x CHL 50A + Akkuheizung
Solarscooter SCP 4040 - Contr. Emsiso edrive 250 - 24 x CHL 40A
2x KTM Traveller 250W Frontmotor und 36V10AH Headway´s
-
gerri
- Beiträge: 226
- Registriert: Fr 17. Jun 2011, 21:07
- PLZ: 9020
- Land: A
- Tätigkeit: Techniker i. R.
- Kontaktdaten:
Re: Ladegerät abgeraucht
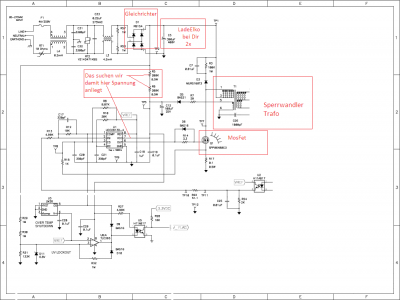
Habe grade etwas Zeit und stelle dir folgendes Bild rein auf dem eine Beispielschaltung ersichtlich ist,hilft hoffentl. etwas weiter.
Bei deinem TC4420 Treiber sind es Pin´s 1 und 8 wo Spannung draufkommen sollte, aber ich vermute das Datasheet vom Treiber hast dir schon angeschaut.
Bei deinem TC4420 Treiber sind es Pin´s 1 und 8 wo Spannung draufkommen sollte, aber ich vermute das Datasheet vom Treiber hast dir schon angeschaut.
Yoom Royal-Benzhou YY7QTD-25 - Contr. Emsiso 120 - 20 x Calb SE40AHA
Innoscooter EM6000 - Contr. 6Phasen 100A - 21 x Calb CA40FI
Esprit Fury 100 - Contr. Kelly KBL72301 - 24 x CHL 50A + Akkuheizung
Solarscooter SCP 4040 - Contr. Emsiso edrive 250 - 24 x CHL 40A
2x KTM Traveller 250W Frontmotor und 36V10AH Headway´s
Innoscooter EM6000 - Contr. 6Phasen 100A - 21 x Calb CA40FI
Esprit Fury 100 - Contr. Kelly KBL72301 - 24 x CHL 50A + Akkuheizung
Solarscooter SCP 4040 - Contr. Emsiso edrive 250 - 24 x CHL 40A
2x KTM Traveller 250W Frontmotor und 36V10AH Headway´s
- MEroller
- Moderator
- Beiträge: 19399
- Registriert: Mo 1. Nov 2010, 22:37
- Roller: Zero S 11kW ZF10.5/erider Thunder (R.I.P)
- PLZ: 7
- Tätigkeit: Entwickler (Traktionsbatterie)
- Kontaktdaten:
Re: Ladegerät abgeraucht
Gut, das wäre dann der zweite große Heißkleberbatzen, der weg muss, aber das wird voraussichtlich erst Sonntag abend gehen, da ich über's Wochenende weg bin. Danke schon mal für alle Unterstützung bis hierher 
Zero S 11kWZF10.5
e-rider Thunder 5000: Ruht in Frieden
e-rider Thunder 5000: Ruht in Frieden
- MEroller
- Moderator
- Beiträge: 19399
- Registriert: Mo 1. Nov 2010, 22:37
- Roller: Zero S 11kW ZF10.5/erider Thunder (R.I.P)
- PLZ: 7
- Tätigkeit: Entwickler (Traktionsbatterie)
- Kontaktdaten:
Re: Ladegerät abgeraucht
So, Nerven wieder gesammelt, Heißluftpistole ausgepackt und Heißkleber so gut es ging entfernt vom nächsten Zielgebiet.
Da die zwei dicken fetten 100kOhm Widerstände nur schwerlich kauptugehen können nahm ich mir als erstes die im Zielgebiet angesiedelte Diode vor. Im eingebauten Zustand gaukelte sie mir, wie andernorts z.T. auch schon, einen fast perfekten Kurzschluss in beiden Richtungen vor, also habe ich das eine Ende ausgelötet, und siehe da: ENDLICH das erste DEFEKTE Teil gefunden!!! Tatsächlich Kurzschluss in beiden Richtugnen mit gerade noch um je 2,4mV Spannungsabfall. Im Ausschnitt unten ist es die schwarz hinterlegte, die den nachgeschalteten Elko (die Kapa kann ich nicht erkennen, da genau dort gekennzeichnet, wo die benachbarten 100KOhm Widerstände keine Sicht drauf lassen...) mit Strom versorgen sollte. Der Elko ist aber für Betrieb bis 400V und 105°C gekennzeichnet. Was halten wir jetzt von dieser Erkenntnis? Könnte es auch den Elko zerschossen haben? Ich denke eher nicht, weil ja schon alles schön gleichgerichtet ist an dieser Stelle und es dem Elko völlig egal ist, ob er jetzt 326 oder 325,6V kriegt? Daher stellt sich die Frage, wozu an dieser Stelle überhaupt eine Diode eingebaut sein könnte?
Da die zwei dicken fetten 100kOhm Widerstände nur schwerlich kauptugehen können nahm ich mir als erstes die im Zielgebiet angesiedelte Diode vor. Im eingebauten Zustand gaukelte sie mir, wie andernorts z.T. auch schon, einen fast perfekten Kurzschluss in beiden Richtungen vor, also habe ich das eine Ende ausgelötet, und siehe da: ENDLICH das erste DEFEKTE Teil gefunden!!! Tatsächlich Kurzschluss in beiden Richtugnen mit gerade noch um je 2,4mV Spannungsabfall. Im Ausschnitt unten ist es die schwarz hinterlegte, die den nachgeschalteten Elko (die Kapa kann ich nicht erkennen, da genau dort gekennzeichnet, wo die benachbarten 100KOhm Widerstände keine Sicht drauf lassen...) mit Strom versorgen sollte. Der Elko ist aber für Betrieb bis 400V und 105°C gekennzeichnet. Was halten wir jetzt von dieser Erkenntnis? Könnte es auch den Elko zerschossen haben? Ich denke eher nicht, weil ja schon alles schön gleichgerichtet ist an dieser Stelle und es dem Elko völlig egal ist, ob er jetzt 326 oder 325,6V kriegt? Daher stellt sich die Frage, wozu an dieser Stelle überhaupt eine Diode eingebaut sein könnte?
Zero S 11kWZF10.5
e-rider Thunder 5000: Ruht in Frieden
e-rider Thunder 5000: Ruht in Frieden
-
gerri
- Beiträge: 226
- Registriert: Fr 17. Jun 2011, 21:07
- PLZ: 9020
- Land: A
- Tätigkeit: Techniker i. R.
- Kontaktdaten:
Re: Ladegerät abgeraucht
OK....gute Arbeit.
Den Elko unbedingt auch tauschen...aber LowESR nehmen......denke dann müsste´s wieder laufen.
Den Elko unbedingt auch tauschen...aber LowESR nehmen......denke dann müsste´s wieder laufen.
Yoom Royal-Benzhou YY7QTD-25 - Contr. Emsiso 120 - 20 x Calb SE40AHA
Innoscooter EM6000 - Contr. 6Phasen 100A - 21 x Calb CA40FI
Esprit Fury 100 - Contr. Kelly KBL72301 - 24 x CHL 50A + Akkuheizung
Solarscooter SCP 4040 - Contr. Emsiso edrive 250 - 24 x CHL 40A
2x KTM Traveller 250W Frontmotor und 36V10AH Headway´s
Innoscooter EM6000 - Contr. 6Phasen 100A - 21 x Calb CA40FI
Esprit Fury 100 - Contr. Kelly KBL72301 - 24 x CHL 50A + Akkuheizung
Solarscooter SCP 4040 - Contr. Emsiso edrive 250 - 24 x CHL 40A
2x KTM Traveller 250W Frontmotor und 36V10AH Headway´s
- MEroller
- Moderator
- Beiträge: 19399
- Registriert: Mo 1. Nov 2010, 22:37
- Roller: Zero S 11kW ZF10.5/erider Thunder (R.I.P)
- PLZ: 7
- Tätigkeit: Entwickler (Traktionsbatterie)
- Kontaktdaten:
Re: Ladegerät abgeraucht
Der Elko ist laut Aufschrift 4,7µF, und laut Messung um 4,5µF. Das heißt für mich, dass der i.O. ist. Trotzdem tauschen?
Zero S 11kWZF10.5
e-rider Thunder 5000: Ruht in Frieden
e-rider Thunder 5000: Ruht in Frieden
Wer ist online?
Mitglieder in diesem Forum: 0 Mitglieder und 15 Gäste