Ich habe im Internet mehrere Fotos eines Ovaobikes mit einem Ladeanschluss gemäß der Norm IEC 62196-6 für Gleichstromladen gesehen. (Das Elektromotorrad Ultraviolette F77 verfügt jetzt auch über den gleichen Ladeanschluss.)
DC-Ladeoption für Ovaobike?
- Karel
- Beiträge: 121
- Registriert: Do 25. Apr 2019, 14:16
- Roller: Energica, Ovaobike, Victory, Brammo, Vectrix, Peugeot
- PLZ: 10000
- Land: anderes Land
- Wohnort: Prague, CZ
- Kontaktdaten:
DC-Ladeoption für Ovaobike?
Energica Experia
Ovaobike MCR-M
Victory Empulse TT
Brammo Enertia Plus (2x)
Vectrix VX-1
Peugeot E-Vivacity
Renault Fluence Z.E.
Ovaobike MCR-M
Victory Empulse TT
Brammo Enertia Plus (2x)
Vectrix VX-1
Peugeot E-Vivacity
Renault Fluence Z.E.
- Karel
- Beiträge: 121
- Registriert: Do 25. Apr 2019, 14:16
- Roller: Energica, Ovaobike, Victory, Brammo, Vectrix, Peugeot
- PLZ: 10000
- Land: anderes Land
- Wohnort: Prague, CZ
- Kontaktdaten:
Re: DC-Ladeoption für Ovaobike?
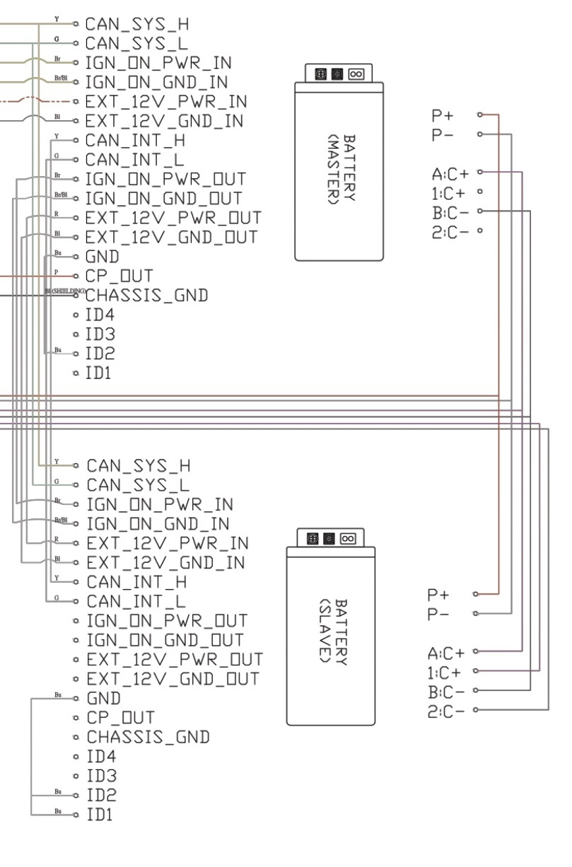
Ich habe mir den Schaltplan des Ovaobike MCR-M angesehen und dieser Ladeanschluss ist dort auch abgebildet.
Bedeutet dies, dass das Ovaobike hardware- und softwareseitig für diese DC-Lademethode bereit ist?
Bedeutet dies, dass das Ovaobike hardware- und softwareseitig für diese DC-Lademethode bereit ist?
Energica Experia
Ovaobike MCR-M
Victory Empulse TT
Brammo Enertia Plus (2x)
Vectrix VX-1
Peugeot E-Vivacity
Renault Fluence Z.E.
Ovaobike MCR-M
Victory Empulse TT
Brammo Enertia Plus (2x)
Vectrix VX-1
Peugeot E-Vivacity
Renault Fluence Z.E.
-
- Beiträge: 2939
- Registriert: Di 11. Dez 2012, 09:12
- Roller: E-Rider Thunder/Masini Extremo / RIP Huari HRTK122
- PLZ: 79
- Tätigkeit: Elektromeister
- Kontaktdaten:
Re: DC-Ladeoption für Ovaobike?
Bei den meisten bedeutet das wahrscheinlich das der eingebaute Lader, wie übrigens jedes Schaltnetzteil, mit um die 340Vdc gespeist wird um dann sagenhafte 3,3 oder 6,6kw Ladeleistung zu produzieren und die DC-Ladesäule schön lange blockiert.
Die Spannung der meisten Bikes reicht gar nicht aus um direkt mit DC zu laden.
Wenn ich es richtig in Erinnerung habe dann ist DC-Laden zwischen 200-800V vorgesehen, auch wenn immer mehr DC Lademodule bei 100V oder gar bei 50V beginnen.
Bei dem Schaltplan hier sieht es aber anders aus, auch wenn wichtige Details vom Plan fehlen. Wo geht denn das 10mm² vom DC hin?
Die Spannung der meisten Bikes reicht gar nicht aus um direkt mit DC zu laden.
Wenn ich es richtig in Erinnerung habe dann ist DC-Laden zwischen 200-800V vorgesehen, auch wenn immer mehr DC Lademodule bei 100V oder gar bei 50V beginnen.
Bei dem Schaltplan hier sieht es aber anders aus, auch wenn wichtige Details vom Plan fehlen. Wo geht denn das 10mm² vom DC hin?
Masini Extremo Neuaufbau 2021 7,7kwh Li-NMC Fardriver ND721800 400bA 1400pA >30kW
41-58,5V CC/CV Lader mit 1-4,3kW zu verkaufen 0,65-2,2kg klein, leicht, langlebig, auch im Duo mit 82-117V nutzbar
41-58,5V CC/CV Lader mit 1-4,3kW zu verkaufen 0,65-2,2kg klein, leicht, langlebig, auch im Duo mit 82-117V nutzbar
- Karel
- Beiträge: 121
- Registriert: Do 25. Apr 2019, 14:16
- Roller: Energica, Ovaobike, Victory, Brammo, Vectrix, Peugeot
- PLZ: 10000
- Land: anderes Land
- Wohnort: Prague, CZ
- Kontaktdaten:
Re: DC-Ladeoption für Ovaobike?
Die Kabel A:C+ und B:C- führen direkt zu beiden Batterien.
Energica Experia
Ovaobike MCR-M
Victory Empulse TT
Brammo Enertia Plus (2x)
Vectrix VX-1
Peugeot E-Vivacity
Renault Fluence Z.E.
Ovaobike MCR-M
Victory Empulse TT
Brammo Enertia Plus (2x)
Vectrix VX-1
Peugeot E-Vivacity
Renault Fluence Z.E.
-
- Beiträge: 2939
- Registriert: Di 11. Dez 2012, 09:12
- Roller: E-Rider Thunder/Masini Extremo / RIP Huari HRTK122
- PLZ: 79
- Tätigkeit: Elektromeister
- Kontaktdaten:
Re: DC-Ladeoption für Ovaobike?
Um die Frage nun endgültig zu beantworten müsste man die Nennspanung des Bikes und die genaue Spannungsdefinition für DC-Ladesäulen kennen.
Masini Extremo Neuaufbau 2021 7,7kwh Li-NMC Fardriver ND721800 400bA 1400pA >30kW
41-58,5V CC/CV Lader mit 1-4,3kW zu verkaufen 0,65-2,2kg klein, leicht, langlebig, auch im Duo mit 82-117V nutzbar
41-58,5V CC/CV Lader mit 1-4,3kW zu verkaufen 0,65-2,2kg klein, leicht, langlebig, auch im Duo mit 82-117V nutzbar
Wer ist online?
Mitglieder in diesem Forum: 0 Mitglieder und 4 Gäste