Vorderlicht und Verdrahtung Mach1 6B

Antworten
ulmi

Vorderlicht und Verdrahtung Mach1 6B

Beitrag von ulmi »

Hallo zusammen

Ich habe das Problem das mein Vorderlicht nicht geht. Wenn ich es einstecke gehen 12V auf den Motor und das Rücklicht geht auch nicht mehr. Ohne eingestecktes Vorderlicht funktioniert mein Mach1 einwandfrei. :D :D :D

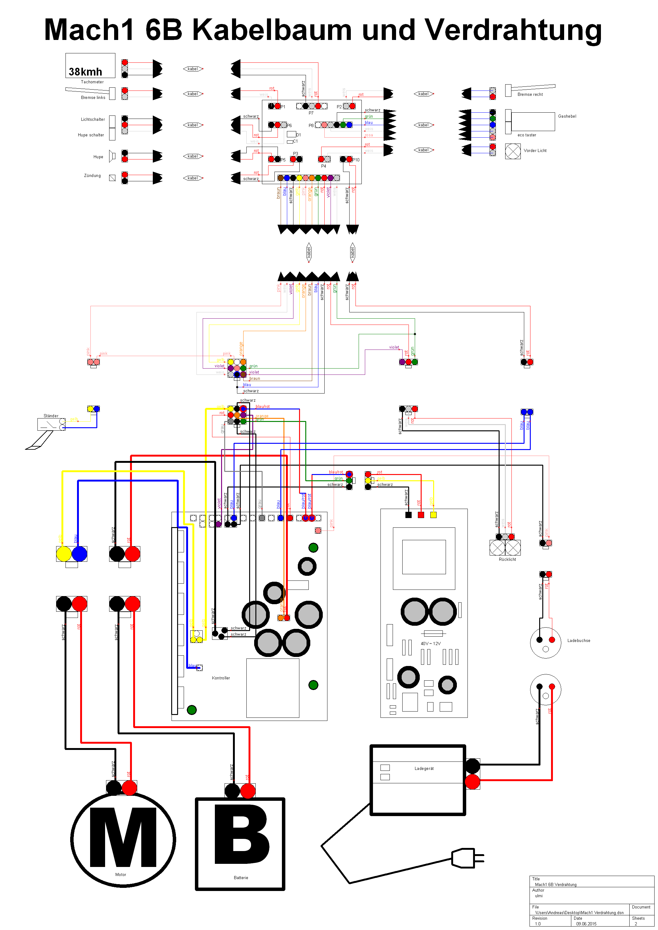
Ich habe nun mal die ganze Verdrahtung meines Mach1 aufgezeichnet, vielleicht findet hier so jemand denn Fehler.

Wie schon gesagt das Vordere Licht geht nicht sobald ich es einstecke und den schalter betätige geht Strom auf den Motor, ich nehme an die 12V vom Vorderlicht sind auf den Motor geschaltet.

- Ohne das eingesteckte Licht kann ich fahren, und das Rücklicht funktioniert einwand frei.
- Mit eingestecktem Licht geht auch alle einwandfrei ausser halt eben wenn ich das Licht einschalte dann geht nichts mehr.

Ich habe keine Ahnung wo der fehler liegt da ich auch kein Scooter zum vergleichen habe. :twisted: :shock: :roll: :roll: :roll:

Ich hoffe ihr könnt mir helfen.

ulmi
Dateianhänge
Mach1 Verdrahtung.png
Zuletzt geändert von ulmi am Do 11. Jun 2015, 22:40, insgesamt 2-mal geändert.

Benutzeravatar
Harry
Beiträge: 2140
Registriert: Di 21. Jun 2011, 21:08
Roller: Citycoco LM-SC14 / Shansu e-Trike CP-7
PLZ: 49479
Wohnort: Ibbenbüren
Kontaktdaten:

Re: Vorderlicht und Verdrahtung Mach1 6B

Beitrag von Harry »

Hallo Ulmi,

Dein Controller ist anders als meiner. Der 12V-Ausgang (rotes Kabel) unterhalb des Relais fehlt.
IMG_1910.JPG
Gruß Harry

ulmi

Re: Vorderlicht und Verdrahtung Mach1 6B

Beitrag von ulmi »

Hallo Harry bei meinem ist der 12V Wandler extern warum auch immer.
Dateianhänge
controller und 12V.jpg

Benutzeravatar
Harry
Beiträge: 2140
Registriert: Di 21. Jun 2011, 21:08
Roller: Citycoco LM-SC14 / Shansu e-Trike CP-7
PLZ: 49479
Wohnort: Ibbenbüren
Kontaktdaten:

Re: Vorderlicht und Verdrahtung Mach1 6B

Beitrag von Harry »

Hallo Ulmi,

von der Funktion ist der externe 12V-Wandler egal.
Wie gehört der 9-polige Stecker zusammen?
Gruß Harry

ulmi

Re: Vorderlicht und Verdrahtung Mach1 6B

Beitrag von ulmi »

so wie gezeichnet gehören die Stecker zusammen also gelb auf gelb. der 12V Anschluss ist am selben Ort wie auf deinen Blinker Schemas.

ulmi

Re: Vorderlicht und Verdrahtung Mach1 6B

Beitrag von ulmi »

Hallo Harry

Ich hatte noch von S&S denn selben Controller wie du hast bei dem war der selber Fehler nur ist der nach einmal gleich abgeraucht.

Also immer noch wenn ich ich das Licht einschallte geht strom auf den Motor und das Licht geht nicht. Stecke ich das Vorderlicht aus Funktioniert der Mach1 einwandfrei.

Also ist meine Vermutung das bei der Platine oder beim 9 pol Stecker was falsch angeschlossen sein muss nur was das mir noch ein Rätzel :? :? :?

Benutzeravatar
Harry
Beiträge: 2140
Registriert: Di 21. Jun 2011, 21:08
Roller: Citycoco LM-SC14 / Shansu e-Trike CP-7
PLZ: 49479
Wohnort: Ibbenbüren
Kontaktdaten:

Re: Vorderlicht und Verdrahtung Mach1 6B

Beitrag von Harry »

Hallo Ulmi,

erstmal hast Du dir unheimliche Mühe gemacht, den Verdrahtungsplan vom Streetfighter zu erstellen. Richtig weiter kommen wir aber so noch nicht, denn daraus muss noch ein Schaltplan erstellt werden. Dabei stellt das Innenleben des Controllers erstmal noch keine Rolle. Im Kabelbaum kurz vorm Lenker gibt es auch noch eine Vergossene Kabelverzweigung/-zusammenfassung, die in Deinem Plan noch nicht enthalten ist. Was von den Steckern P1 – P10 am Controller wo ankommt ist auch unbekannt. Jetzt müssen erstmal mit einem Durchgangsprüfer bzw. Ohmmeter die Verbindungen ausgetestet werden. Erst dann kommen wir Deinem Verdrahtungsfehler auf die Schliche.
Gruß Harry

Benutzeravatar
Harry
Beiträge: 2140
Registriert: Di 21. Jun 2011, 21:08
Roller: Citycoco LM-SC14 / Shansu e-Trike CP-7
PLZ: 49479
Wohnort: Ibbenbüren
Kontaktdaten:

Re: Vorderlicht und Verdrahtung Mach1 6B

Beitrag von Harry »

Hallo,

bei dem Regenwetter habe ich die Zeit genutzt, und die Belegung des IIIB – Steckers (9polig) ausgetestet.
IIIB-Stecker.JPG
Den lilanen Draht habe ich unterbrochen, aber das Bremslicht funktionierte immer noch. Müsste also die Motorabschaltung sein, habe ich aber nicht getestet.
Gruß Harry

Antworten

Zurück zu „Forca / Mach1 / Rolektro / eFlux“

Wer ist online?

Mitglieder in diesem Forum: 0 Mitglieder und 15 Gäste