Mach 1 motor einbau

Antworten
Remigo

Mach 1 motor einbau

Beitrag von Remigo »

Hallo zusammen,

Ich habe von einen Bekannten einen Mach 1 Scooter bekommen, bzw. nur das Gestell.(Motor ist anscheinend ein windrad geworden)
Nun habe ich mir einen 48Volt Brushless Motor mit Steuergerät von Sxt gekauft .
Will mir den gerne fertig machen Für den Campingplatz mit langsamer übersetzung.
Nun habe ich bei den Kabelbaum der zum Batteriekasten geht einen 9 Poligen Stecker und einen 2 Poligen wo ich nicht weiß wie die belegt sind.
Kann mir zufällig jemand helfen ?

Grüße an alle
Remigo

Remigo

Re: Mach 1 motor einbau

Beitrag von Remigo »

Ok tut mir leid werd mich sofort abmelden danke für die unfreundlichkeit.
Ein Admin würd ich bitten meinen Acc zu löschen .

Benutzeravatar
Ganter Ingo™
Beiträge: 2589
Registriert: Fr 23. Sep 2011, 11:59
Roller: Revoluzzer 2.0 PLUS 45 km/h
PLZ: 48145
Wohnort: Münster, Mauritz-West
Tätigkeit: Revoluzzer-Rentner
Kontaktdaten:

Re: Mach 1 motor einbau

Beitrag von Ganter Ingo™ »

Wir haben nur einen Administrator, Herr Andreas Rebmann. Nur er kann den Account löschen, aber nicht die zwei Moderatoren. Bitte den Admin selber anschreiben.

Ganter Ingo, Moderator

SXT Scooters Germany

Re: Mach 1 motor einbau

Beitrag von SXT Scooters Germany »

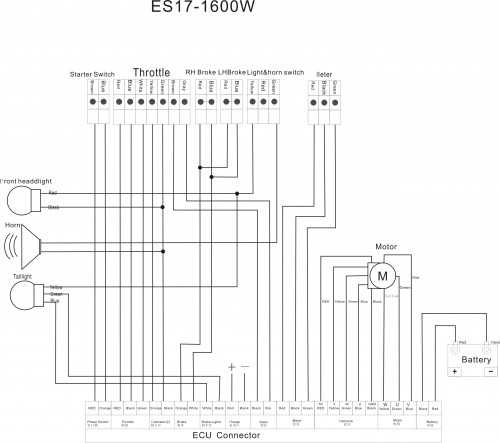
Derjenige der den Beitrag geschrieben hast ist keiner der Spam schreibt zumindest niemand von uns im Haus. Anbei mal der Schaltplan vom Steuergerät - falls Remigo noch hier mitliest - vielleicht hilft es ja weiter.
ES171600W.jpg
Bezgl. der Steckerbelegung des MACH1 Modells können wir leider nicht weiterhelfen da wir diese nicht kennen.

Lg

Antworten

Zurück zu „Forca / Mach1 / Rolektro / eFlux“

Wer ist online?

Mitglieder in diesem Forum: 0 Mitglieder und 24 Gäste