Forca Evoking Steckerbelegung 9PIN Kabelbaum

Antworten
Enrico1804
Beiträge: 4
Registriert: Fr 31. Mai 2019, 09:57
Roller: Forca Evoking
PLZ: 6
Kontaktdaten:

Forca Evoking Steckerbelegung 9PIN Kabelbaum

Beitrag von Enrico1804 »

Hallo bräuchte mal eure Hilfe.
Bin Besitzer eines Forca Evoking 3.7.
Kann mir jemand mit der Belegung des Kabelbaumes helfen.
Welche Farbe wo auf den 9PIN Stecker Richtung Steuergerät geht und evtl für welche Funktion dieses zuständig ist.
Foto wäre super.
Danke
Gruß Enrico

Benutzeravatar
Harry
Beiträge: 2140
Registriert: Di 21. Jun 2011, 21:08
Roller: Citycoco LM-SC14 / Shansu e-Trike CP-7
PLZ: 49479
Wohnort: Ibbenbüren
Kontaktdaten:

Re: Forca Evoking Steckerbelegung 9PIN Kabelbaum

Beitrag von Harry »

Hallo Enrico,

der Stecker müsste identisch mit dem vom Mach1 sein.

IIIB-Stecker.JPG
Gruß Harry

Enrico1804
Beiträge: 4
Registriert: Fr 31. Mai 2019, 09:57
Roller: Forca Evoking
PLZ: 6
Kontaktdaten:

Re: Forca Evoking Steckerbelegung 9PIN Kabelbaum

Beitrag von Enrico1804 »

Hey danke erstmal für die schnelle Antwort.
Sieht aber bei Forca leider bischen anders aus.
Da kommen z.B. 3 gekoppelte braune Kabel an vom Kabelbaum.
Ich brauche auch das Gegenstück zu deinem Foto, weil dieses am Steuergerät verbaut ist.
Grüße

Benutzeravatar
Harry
Beiträge: 2140
Registriert: Di 21. Jun 2011, 21:08
Roller: Citycoco LM-SC14 / Shansu e-Trike CP-7
PLZ: 49479
Wohnort: Ibbenbüren
Kontaktdaten:

Re: Forca Evoking Steckerbelegung 9PIN Kabelbaum

Beitrag von Harry »

Das ist der Stecker vom Controller.

Der Stecker vom Kabelbaum sieht so aus:

IMG_1909a.jpg
Gruß Harry

Enrico1804
Beiträge: 4
Registriert: Fr 31. Mai 2019, 09:57
Roller: Forca Evoking
PLZ: 6
Kontaktdaten:

Re: Forca Evoking Steckerbelegung 9PIN Kabelbaum

Beitrag von Enrico1804 »

Danke
Dateianhänge
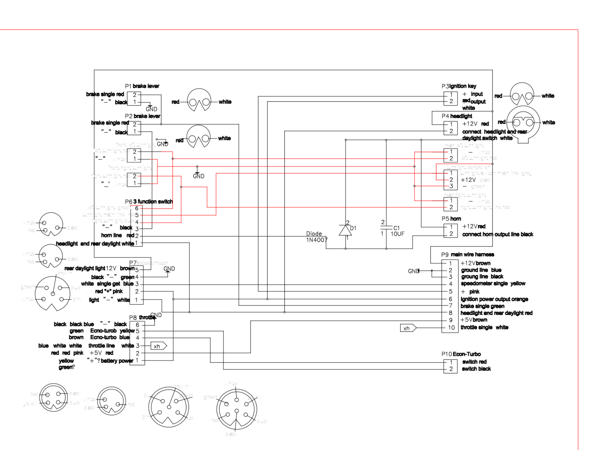
IMG_2346.PNG
Das hat mir heute Zawione.de geschickt

Enrico1804
Beiträge: 4
Registriert: Fr 31. Mai 2019, 09:57
Roller: Forca Evoking
PLZ: 6
Kontaktdaten:

Re: Forca Evoking Steckerbelegung 9PIN Kabelbaum

Beitrag von Enrico1804 »

Hat jemand zufällig ein original Belegungs-Bild des 9PIN Steckers?
Am besten von beiden Seiten.
Für einen Forca Evoking 3.
Danke euch...

Benutzeravatar
Fuchsi859
Beiträge: 9
Registriert: Di 16. Okt 2018, 15:37
Roller: Forca Evoking III - 20 Km/h
PLZ: 16341

Re: Forca Evoking Steckerbelegung 9PIN Kabelbaum

Beitrag von Fuchsi859 »

Hallochen! Kann ich heute mal ein Foto machen falls Du es noch brauchst. Ich habe aber auch eine Sorge: Von oben kommen 2 Kabelbäume. Einer mit 10 und einer mit 6 Adern. Bei dem Sechser ist ein rotes und ein grünes Kabel welches bei mir in der Luft hängt. Kannst Du sehen an welchen Kontakt des Steckers diese kommen? Weiter habe ich den Stecker vom Blinkrelease. Einmal braun, einmal weiß und einmal schwarz. Am Schwarzen ist ein zweites kurzes ca. 10 cm Kabel welches auch in der Luft hängt. Kannst Du sehen wo das ran muss? Danke schonmal

Antworten

Zurück zu „Forca / Mach1 / Rolektro / eFlux“

Wer ist online?

Mitglieder in diesem Forum: 0 Mitglieder und 11 Gäste