Elektrofrosch Quad rollt einfach aus
- pruno
- Beiträge: 11
- Registriert: Di 29. Mär 2022, 10:02
- Roller: EF Quad
- PLZ: 21357
- Kontaktdaten:
 Elektrofrosch Quad rollt einfach aus
 Elektrofrosch Quad rollt einfach aus
													
							
						
			
			
			
			Hallo,
letztens bin ich mit meinem Quad liegen geblieben.
Es geht um die 40 km/h Version.
Alias: Regal Raptor, K5M-S, L6e-BP von 2021
Bei einer Fahrt innerorts bei trockenem Wetter rollte er, von jetzt auf gleich, einfach aus.
Anzeigen waren ganz normal vorhanden. Batterie o.k. Tacho, Warnblinklicht, Licht- alles funktionierte.
Nur kein Vortrieb mehr.
Der Motor hatte auch keine Bremswirkung, wie ich sie sonst mit eingeschalteter Zündung kenne, wenn ich das Garagentor aufmache und er dann nicht zurück rollt.
Ich hatte dann die Sicherung in Motor Nähe überprüft- war ok.
Test Gaspedal- keine Reaktion.
Vorne versucht aufzuschrauben um mich im Bereich des Tacho umzusehen, musste aber abbrechen da ich für den Scheibenwischer nicht den passenden Maulschlüssel dabei hatte.
Nachdem ich dann die anderen Schrauben wieder eingesetzt hatte, wieder Test Gaspedal: läuft.
Läuft?!
Ohne irgendetwas zu machen läuft er wieder.
Ich hatte das schon einmal während der Garantie Zeit. Immer bei feuchtem Wetter.
Einmal war ich zum Discounter im Ort gefahren, und als ich mit dem Eingekauften wieder nach Hause wollte lief er nicht. Und es lag nicht an der Handbremse.
Ich bin dann zu Fuß nach Hause und mit einem Anhänger wieder gekommen. Bevor ich ihn verladen wollte, hatte ich das Gaspedal doch noch einmal getestet: läuft wieder.
Ohne zu verladen das Quad ganz normal nach Hause gefahren.
Nach dem dritten Liegen bleiben hatte ich ihn zur Reparatur innerhalb der sechs monatigen Garantie gegeben.
Habe ihn dann nach mehreren Monaten zurück bekommen. Trotz mehrerer Anfragen keine Antwort bekommen was denn gemacht worden war.
So, und nun wieder.
Was kommt denn an Fehlerquellen in Frage, die sich ohne Einwirkung wieder verändern?
Schalter, egal welche, schließe ich aus. Die verändern sich nicht von allein.
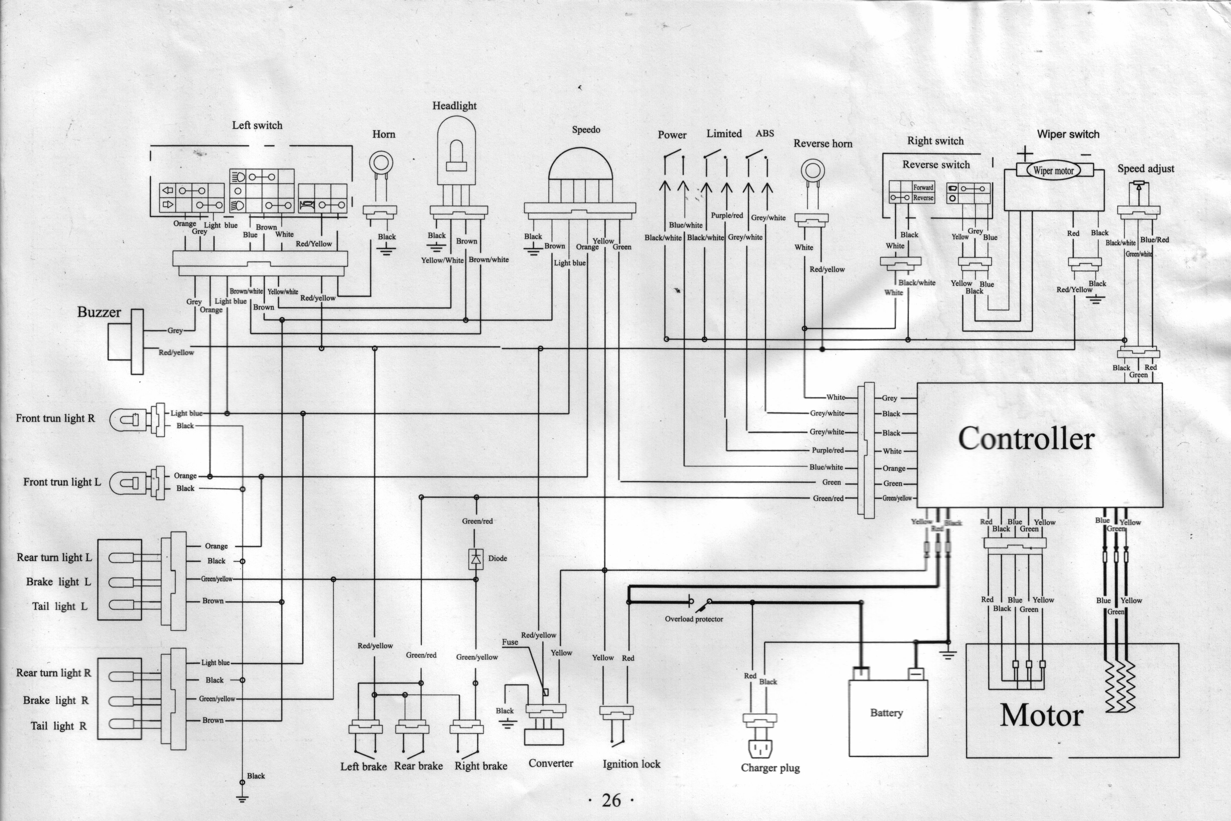
Wenn ich mir das Schaltbild ansehe, kommt doch eigentlich nur der Controller in Frage?!
Ich habe den mal ausgebaut und bin aktuell den aus einander zu nehmen.
Leider habe ich dabei nicht wie erhofft, eine kalte Lötstelle gefunden.
Ich hänge ein paar Bilder an, damit Jeder mal gucken kann.
Gruß
Dirk
			
			
									
									
						letztens bin ich mit meinem Quad liegen geblieben.
Es geht um die 40 km/h Version.
Alias: Regal Raptor, K5M-S, L6e-BP von 2021
Bei einer Fahrt innerorts bei trockenem Wetter rollte er, von jetzt auf gleich, einfach aus.
Anzeigen waren ganz normal vorhanden. Batterie o.k. Tacho, Warnblinklicht, Licht- alles funktionierte.
Nur kein Vortrieb mehr.
Der Motor hatte auch keine Bremswirkung, wie ich sie sonst mit eingeschalteter Zündung kenne, wenn ich das Garagentor aufmache und er dann nicht zurück rollt.
Ich hatte dann die Sicherung in Motor Nähe überprüft- war ok.
Test Gaspedal- keine Reaktion.
Vorne versucht aufzuschrauben um mich im Bereich des Tacho umzusehen, musste aber abbrechen da ich für den Scheibenwischer nicht den passenden Maulschlüssel dabei hatte.
Nachdem ich dann die anderen Schrauben wieder eingesetzt hatte, wieder Test Gaspedal: läuft.
Läuft?!
Ohne irgendetwas zu machen läuft er wieder.
Ich hatte das schon einmal während der Garantie Zeit. Immer bei feuchtem Wetter.
Einmal war ich zum Discounter im Ort gefahren, und als ich mit dem Eingekauften wieder nach Hause wollte lief er nicht. Und es lag nicht an der Handbremse.
Ich bin dann zu Fuß nach Hause und mit einem Anhänger wieder gekommen. Bevor ich ihn verladen wollte, hatte ich das Gaspedal doch noch einmal getestet: läuft wieder.
Ohne zu verladen das Quad ganz normal nach Hause gefahren.
Nach dem dritten Liegen bleiben hatte ich ihn zur Reparatur innerhalb der sechs monatigen Garantie gegeben.
Habe ihn dann nach mehreren Monaten zurück bekommen. Trotz mehrerer Anfragen keine Antwort bekommen was denn gemacht worden war.
So, und nun wieder.
Was kommt denn an Fehlerquellen in Frage, die sich ohne Einwirkung wieder verändern?
Schalter, egal welche, schließe ich aus. Die verändern sich nicht von allein.
Wenn ich mir das Schaltbild ansehe, kommt doch eigentlich nur der Controller in Frage?!
Ich habe den mal ausgebaut und bin aktuell den aus einander zu nehmen.
Leider habe ich dabei nicht wie erhofft, eine kalte Lötstelle gefunden.
Ich hänge ein paar Bilder an, damit Jeder mal gucken kann.
Gruß
Dirk
- 
				Flaps
- Beiträge: 92
- Registriert: Mi 25. Jan 2023, 11:06
- Roller: E Frosch Quad
- PLZ: 12305
- Kontaktdaten:
Re: Elektrofrosch Quad rollt einfach aus
Das kenne ich so, wenn ich die Batterie leer gefahren habe. Läuft denn beim Laden der Lüfter am Ladegerät?
			
			
									
									
						- pruno
- Beiträge: 11
- Registriert: Di 29. Mär 2022, 10:02
- Roller: EF Quad
- PLZ: 21357
- Kontaktdaten:
Re: Elektrofrosch Quad rollt einfach aus
thx für die Antwort.
Ja, der Lüfter läuft. Die Batterie war auch nicht ansatzweise entladen. Ich habe Coulometer installiert für beide Batteriebänke.
Die betreffende Batteriebank hatte 90%. Auch nach Umschalten auf die andere Batteriebank (100%) gab es keine Änderung.
Gruß
Dirk
			
			
									
									
						Ja, der Lüfter läuft. Die Batterie war auch nicht ansatzweise entladen. Ich habe Coulometer installiert für beide Batteriebänke.
Die betreffende Batteriebank hatte 90%. Auch nach Umschalten auf die andere Batteriebank (100%) gab es keine Änderung.
Gruß
Dirk
- Onkel_Otto
- Beiträge: 310
- Registriert: Mi 17. Nov 2021, 09:14
- Roller: Rascal AutoGo 550 / Elektrofrosch Max (120Ah LiFePo4)
- PLZ: 0
- Kontaktdaten:
Re: Elektrofrosch Quad rollt einfach aus
Wird wohl der Handbremsschalter sein. Zieh den einfach vom Kabelbaum ab. Mach den Steckverbinder am Kabelbaum schön mit Isolierband dicht und du solltest Ruhe haben. Die neuen Fahrzeuge haben den Schalter gar nicht mehr. 
Der Schalter selbst hängt unter dem Fahrzeug direkt hinter den Seilzügen an der Handbremse. gehe dem Kabel nach und du findest einen zweipoligen Steckverbinder. Den trennen und die Kabelbaumseite wasserdicht machen.
Das Problem habe ich selbst auch schon mehrfach gehabt. Ein kleiner Kontakt zwischen den Pins schaltet dir noch kein Bremslicht an, aber den Motor ab.
Deine Schaltung ist eine für die Dreiräder. Dein Fahrzeug hat nur zwei Brensschalter. Die Kabelfarben stimmen auch nicht. Deine richtige Schaltung ist ahnlich der vom MAX, aber mit verkehrter Drehrichtung. Den Rückfahrpieper hat der Max allerdings nicht. Eine Max-Schaltung findest du im Link der Webseite von meinem Profil
PS. Deinem Controller ist auch schon mal sehr warm geworden. An den Anschlüssen der Phasenkabel auf der Leiterplatte ist das Zinn schon ordentlich zusammengelaufen. Solltest Du im Auge behalten, bevor es zu spät ist.
			
			
									
									
						Der Schalter selbst hängt unter dem Fahrzeug direkt hinter den Seilzügen an der Handbremse. gehe dem Kabel nach und du findest einen zweipoligen Steckverbinder. Den trennen und die Kabelbaumseite wasserdicht machen.
Das Problem habe ich selbst auch schon mehrfach gehabt. Ein kleiner Kontakt zwischen den Pins schaltet dir noch kein Bremslicht an, aber den Motor ab.
Deine Schaltung ist eine für die Dreiräder. Dein Fahrzeug hat nur zwei Brensschalter. Die Kabelfarben stimmen auch nicht. Deine richtige Schaltung ist ahnlich der vom MAX, aber mit verkehrter Drehrichtung. Den Rückfahrpieper hat der Max allerdings nicht. Eine Max-Schaltung findest du im Link der Webseite von meinem Profil
PS. Deinem Controller ist auch schon mal sehr warm geworden. An den Anschlüssen der Phasenkabel auf der Leiterplatte ist das Zinn schon ordentlich zusammengelaufen. Solltest Du im Auge behalten, bevor es zu spät ist.
- pruno
- Beiträge: 11
- Registriert: Di 29. Mär 2022, 10:02
- Roller: EF Quad
- PLZ: 21357
- Kontaktdaten:
Re: Elektrofrosch Quad rollt einfach aus
thx
Ich hatte deine Webseite schon vor Zeiten durchgearbeitet.
In Betracht gezogen hatte ich den Handbremsschalter als erstes.
Während der Probleme in der Garantiezeit hatte ich darunter ein Prallblech angebracht um Spritzwasser abzuhalten.
Zwischenzeitlich habe ich das Blech wieder entfernt als der Schalter mal nicht wieder lösen wollte. War durch Dreck verhakt.
Warum sollte sich der Schalter aber, ohne jegliche Einwirkung, sowohl im Stand wie auch während der Fahrt verändern?
Du hattest auf deiner Webseite Spritzwasser im Tacho Bereich vermutet.
Daraufhin habe ich mir den Bereich mit Kunststofffolie abgeklebt. Aber diesmal war es ohnehin trocken.
Du hattest in Sachen Controller einiges probiert. Gibt es da etwas, was mir evtl hilft, was auf deiner Seite noch nicht zu finden ist?
Gruß
Dirk
p.s.
Ich hatte die Lötstellen vor dem öffnen des Gerätes in Verdacht. Sieht mir aber original aus.
			
			
									
									
						Ich hatte deine Webseite schon vor Zeiten durchgearbeitet.
In Betracht gezogen hatte ich den Handbremsschalter als erstes.
Während der Probleme in der Garantiezeit hatte ich darunter ein Prallblech angebracht um Spritzwasser abzuhalten.
Zwischenzeitlich habe ich das Blech wieder entfernt als der Schalter mal nicht wieder lösen wollte. War durch Dreck verhakt.
Warum sollte sich der Schalter aber, ohne jegliche Einwirkung, sowohl im Stand wie auch während der Fahrt verändern?
Du hattest auf deiner Webseite Spritzwasser im Tacho Bereich vermutet.
Daraufhin habe ich mir den Bereich mit Kunststofffolie abgeklebt. Aber diesmal war es ohnehin trocken.
Du hattest in Sachen Controller einiges probiert. Gibt es da etwas, was mir evtl hilft, was auf deiner Seite noch nicht zu finden ist?
Gruß
Dirk
p.s.
Ich hatte die Lötstellen vor dem öffnen des Gerätes in Verdacht. Sieht mir aber original aus.
- Onkel_Otto
- Beiträge: 310
- Registriert: Mi 17. Nov 2021, 09:14
- Roller: Rascal AutoGo 550 / Elektrofrosch Max (120Ah LiFePo4)
- PLZ: 0
- Kontaktdaten:
Re: Elektrofrosch Quad rollt einfach aus
Ich würde versuchen das rote Kabel (6-poliger Stecker/ 4 Kabel schwarz, grau, weiß und rot ) vom Controller bzw das rot/grüne auf der Buchsenseite zu trennen oder über einen Schalter/ extra Steckverbinder etc trennbar zu machen. Dieses ist das Kabel, was den Motor abschaltet, sobald da eine Spannung  ab etwa 3V anliegt. Man könnte, um sicher zu gehen, die rote Leitung vom Controller nach dem Trennen mit GND (eine der schwarzen Leitungen) verbinden (nicht die rot/grüne Leitung vom Kabelbaum!). 
Das bedeutet, keine Abschaltung des Motors mehr beim Betätigen der Bremsen. Man kann also auf der Bremse stehen und trotzdem Gas geben. Das Bremslicht funktioniert trotzdem
Wenn der Fehler jetzt nicht mehr vorkommt, kommt Dein Problem irgendwo aus der Bremslichtversorgung.
Das wäre zumindest erst einmal ein Ansatz zur Suche.
Der Bremsanschluß wird zur normalen Funktion nicht benötigt, der ist nur ein zusätzlicher Schutz.
Falls der Fehler weiterhin auftritt, kann auch ein Problem mit dem Signal vom Gaspedal die Ursache sein.
Der Controller hat ein paar Sicherheitsvorkehrungen eingebaut und schaltet bei fehlerhaften Gassignal einfach den Motor ab bzw. gar nicht an.
Dazu zählen Signalüberspannungen (etwa über 95% Vcc) oder Signalunterspannungen (etwa unter 5% Vcc), fehlende Masse, Signalspannungen bereits beim Einschalten usw.. Vcc ist die Gaspedal- und Hallversorgung vom Controller und liegt etwa bei 4,5 ... 5V.
Die vorwärts/rückwärts Umschaltung würde ich nicht in Betracht ziehen, da ein Umschalten zwar bei getretenem Gaspedaloder zur Abschaltung führt, aber nach einem Stillstand und Gaspedal loslassen und neu Treten den Motor wieder aktiviert in der geschalteten Richtung.
			
			
									
									
						Das bedeutet, keine Abschaltung des Motors mehr beim Betätigen der Bremsen. Man kann also auf der Bremse stehen und trotzdem Gas geben. Das Bremslicht funktioniert trotzdem
Wenn der Fehler jetzt nicht mehr vorkommt, kommt Dein Problem irgendwo aus der Bremslichtversorgung.
Das wäre zumindest erst einmal ein Ansatz zur Suche.
Der Bremsanschluß wird zur normalen Funktion nicht benötigt, der ist nur ein zusätzlicher Schutz.
Falls der Fehler weiterhin auftritt, kann auch ein Problem mit dem Signal vom Gaspedal die Ursache sein.
Der Controller hat ein paar Sicherheitsvorkehrungen eingebaut und schaltet bei fehlerhaften Gassignal einfach den Motor ab bzw. gar nicht an.
Dazu zählen Signalüberspannungen (etwa über 95% Vcc) oder Signalunterspannungen (etwa unter 5% Vcc), fehlende Masse, Signalspannungen bereits beim Einschalten usw.. Vcc ist die Gaspedal- und Hallversorgung vom Controller und liegt etwa bei 4,5 ... 5V.
Die vorwärts/rückwärts Umschaltung würde ich nicht in Betracht ziehen, da ein Umschalten zwar bei getretenem Gaspedaloder zur Abschaltung führt, aber nach einem Stillstand und Gaspedal loslassen und neu Treten den Motor wieder aktiviert in der geschalteten Richtung.
- pruno
- Beiträge: 11
- Registriert: Di 29. Mär 2022, 10:02
- Roller: EF Quad
- PLZ: 21357
- Kontaktdaten:
Re: Elektrofrosch Quad rollt einfach aus
super!
Da habe ich einige gute Ansätze.
Das Gaspedal lasse ich erstmal außen vor. Das ist jetzt seit zwei Monaten in Betrieb. Das vorherige hatte ein mechanisches Problem.
Ansonsten habe ich noch ein neues zur Reserve liegen.
Meine ursprüngliche Annahme das ein Kondensator des Controllers defekt ist, lässt sich rein optisch nicht bestätigen.
Ich werde also den Controller wieder remontieren.
Signalspannungsunterschreitungen scheinen mir plausibel. Da können auch schon mal Änderungen ohne vermeintliche Betätigung passieren.
Nicht wundern wenn hier ein paar Tage nichts kommt. Ich weiß noch nicht wie ich Zeit finde.
			
			
									
									
						Da habe ich einige gute Ansätze.
Das Gaspedal lasse ich erstmal außen vor. Das ist jetzt seit zwei Monaten in Betrieb. Das vorherige hatte ein mechanisches Problem.
Ansonsten habe ich noch ein neues zur Reserve liegen.
Meine ursprüngliche Annahme das ein Kondensator des Controllers defekt ist, lässt sich rein optisch nicht bestätigen.
Ich werde also den Controller wieder remontieren.
Signalspannungsunterschreitungen scheinen mir plausibel. Da können auch schon mal Änderungen ohne vermeintliche Betätigung passieren.
Nicht wundern wenn hier ein paar Tage nichts kommt. Ich weiß noch nicht wie ich Zeit finde.
- pruno
- Beiträge: 11
- Registriert: Di 29. Mär 2022, 10:02
- Roller: EF Quad
- PLZ: 21357
- Kontaktdaten:
Re: Elektrofrosch Quad rollt einfach aus
'Ich würde versuchen das rote Kabel (6-poliger Stecker/ 4 Kabel schwarz, grau, weiß und rot ) vom Controller bzw das rot/grüne auf der Buchsenseite zu trennen'
Rot geht auf rot. Grau geht auf grün.
Ob rot getrennt ist oder nicht, hat keine Auswirkung auf Bremse/Gas. D.h. auch bei getretener Bremse kann ich Gas geben. Das war schon immer so.
Mehr wollte ich da jetzt nicht rumprobieren. Deine Schaltpläne sind sehr ausführlich, das geht nicht mal so auf die Schnelle.
Ich habe jetzt den Schalter der Handbremse entfernt. Unterm Sitz geht der auf einen zweipoligen Stecker.
Test, Test, Test...
			
			
									
									
						Rot geht auf rot. Grau geht auf grün.
Ob rot getrennt ist oder nicht, hat keine Auswirkung auf Bremse/Gas. D.h. auch bei getretener Bremse kann ich Gas geben. Das war schon immer so.
Mehr wollte ich da jetzt nicht rumprobieren. Deine Schaltpläne sind sehr ausführlich, das geht nicht mal so auf die Schnelle.
Ich habe jetzt den Schalter der Handbremse entfernt. Unterm Sitz geht der auf einen zweipoligen Stecker.
Test, Test, Test...
- pruno
- Beiträge: 11
- Registriert: Di 29. Mär 2022, 10:02
- Roller: EF Quad
- PLZ: 21357
- Kontaktdaten:
Re: Elektrofrosch Quad rollt einfach aus
Zwischenstand:
Vier Fahrten. Insgesamt 40 km ohne Probleme.
Den Schalter der Handbremse habe ich zerlegt.
Viel Dreck und unsaubere Kontakte. Da kann alles Mögliche an Spannungen zustande kommen.
In Onkel Ottos Schaltplan gibt es einen Hinweis auf Modelle ohne Abschaltung des Motors über das Bremslicht.
So wie bei mir.
So weit ich mich da durchwursteln konnte scheint es nur diese beiden Abschaltungen vom Motor zu geben.
Nun, bei den nächsten Fahrten werde ich bis auf weiteres ein Klapprad mit dabei haben.
			
			
									
									
						Vier Fahrten. Insgesamt 40 km ohne Probleme.
Den Schalter der Handbremse habe ich zerlegt.
Viel Dreck und unsaubere Kontakte. Da kann alles Mögliche an Spannungen zustande kommen.
In Onkel Ottos Schaltplan gibt es einen Hinweis auf Modelle ohne Abschaltung des Motors über das Bremslicht.
So wie bei mir.
So weit ich mich da durchwursteln konnte scheint es nur diese beiden Abschaltungen vom Motor zu geben.
Nun, bei den nächsten Fahrten werde ich bis auf weiteres ein Klapprad mit dabei haben.
- Onkel_Otto
- Beiträge: 310
- Registriert: Mi 17. Nov 2021, 09:14
- Roller: Rascal AutoGo 550 / Elektrofrosch Max (120Ah LiFePo4)
- PLZ: 0
- Kontaktdaten:
Re: Elektrofrosch Quad rollt einfach aus
Ich drücke Dir mal die Daumen. Ich habe meinen Handbremsschalter inzwischen dauerhaft deaktiviert und seit dem keine Probleme mehr. Allerdings habe ich den Stecker am Kabelbaum schön mit Isolierband vor Feuchtigkeit geschützt.
			
			
									
									
						Wer ist online?
Mitglieder in diesem Forum: fxw und 9 Gäste
 
					
