Zu schwache Lager in Motor/ Getriebe?
-
- Beiträge: 182
- Registriert: Mo 15. Jun 2020, 15:52
- PLZ: 90409
- Kontaktdaten:
Re: Zu schwache Lager in Motor/ Getriebe?
@goggl
Schon schwierig... Die Behauptung, Aussagen hier seien nicht von der Meinungsfreiheit gedeckt ist ja auch schon wieder falsch.
Gar nicht drauf eingehen am Besten. Blockieren, auch wenn es in so einem kleinen Forum weh tut.
Schon schwierig... Die Behauptung, Aussagen hier seien nicht von der Meinungsfreiheit gedeckt ist ja auch schon wieder falsch.
Gar nicht drauf eingehen am Besten. Blockieren, auch wenn es in so einem kleinen Forum weh tut.
-
- Beiträge: 182
- Registriert: Mo 15. Jun 2020, 15:52
- PLZ: 90409
- Kontaktdaten:
Re: Zu schwache Lager in Motor/ Getriebe?
Befürchte ich auch. Die Hinterachse wurde ja einfach umgedreht, die Kette von rechts nach links verlegt. Da bei der Jawa alles symmetrisch war, geht das.
Wir haben aber beim Umbau auch festgestellt, dass die Achse (wurde getauscht) auch "angefräst" war. Irgendwas ist da faul.
Aber das Motorproblem bleibt.
-
- Beiträge: 108
- Registriert: Mi 29. Aug 2018, 07:19
- Roller: Surron Ultra Bee
- PLZ: 90451
- Kontaktdaten:
Re: Zu schwache Lager in Motor/ Getriebe?
@callmeuhu
Deine Ausführungen waren wieder sehr hilfreich zu dem Thema.
Hast Du schon eine Tinbot aus der Nähe gesehen, gewartet oder repariert?
Ich mache „keine Welle" und „einen Zipfel" muss ich auch nicht beweisen.
@Peter51
Mir ist bewusst, dass der Vergleich zur Surron nicht ideal ist.
Warum funktioniert der Riemenantrieb bei meiner Tinbot problemlos?
Wie schon mehrfach geschrieben wird die Tinbot SM seit 2021 mit Riemenantrieb ab Werk verkauft. Somit sollte man davon ausgehen können, dass das Getriebe dafür ausgelegt ist.
Deine Ausführungen waren wieder sehr hilfreich zu dem Thema.
Hast Du schon eine Tinbot aus der Nähe gesehen, gewartet oder repariert?
Ich mache „keine Welle" und „einen Zipfel" muss ich auch nicht beweisen.
@Peter51
Mir ist bewusst, dass der Vergleich zur Surron nicht ideal ist.
Warum funktioniert der Riemenantrieb bei meiner Tinbot problemlos?
Wie schon mehrfach geschrieben wird die Tinbot SM seit 2021 mit Riemenantrieb ab Werk verkauft. Somit sollte man davon ausgehen können, dass das Getriebe dafür ausgelegt ist.
Surron LB mit Kelly KLS7230S mit 9.400 km verkauft
Tinbot Esum Pro mit Kelly KLS7275D mit 16.600 km verkauft
Surron UB mit Torp TC1000, 15er Ritzel & EWATT 72/76, aktuell 20.000 km
Tinbot Esum Pro mit Kelly KLS7275D mit 16.600 km verkauft
Surron UB mit Torp TC1000, 15er Ritzel & EWATT 72/76, aktuell 20.000 km
-
- Beiträge: 6501
- Registriert: Sa 6. Aug 2011, 10:04
- Roller: E-Max 90s, E-Max 110s, E-Max 120s
- PLZ: 2
- Kontaktdaten:
Re: Zu schwache Lager in Motor/ Getriebe?
Der Tinbot Motor hat ja genau wie der Motor von dem CE04 eine Stirnradstufe. Erster Ölwechsel nach 1.000km? Ehrlich gesagt, ich weiß nicht einmal, ob das Getriebe gerade oder schrägverzahnt ist. Ein gerade verzahntes wäre von Haus aus lauter.....
Tatra603 schrieb, dass die Trommelbremse heiß läuft. Ich ginge zunächst einmal dies Problem an.
Tatra603 schrieb, dass die Trommelbremse heiß läuft. Ich ginge zunächst einmal dies Problem an.
E-Max 90s von 2012 - Vmax>46km/h - km-Stand >5150 - 16x Littokala 51,2V 105Ah = 5kWh. JK-B1A24S15P - Sevcon Gen4
E-Max 110s von 2010 - Vmax>50km/h - km-Stand >1.800 - 4x Littokala 72V 50Ah = 14,4kWh
E-Max 120s von 2015 - Vmax 80km/h - TÜV 03.2026 - 72V100Ah LFP-Akku - JK-B2A24S15P Balancer BT - MQ Controller BT
E-Max 110s von 2010 - Vmax>50km/h - km-Stand >1.800 - 4x Littokala 72V 50Ah = 14,4kWh
E-Max 120s von 2015 - Vmax 80km/h - TÜV 03.2026 - 72V100Ah LFP-Akku - JK-B2A24S15P Balancer BT - MQ Controller BT
-
- Beiträge: 182
- Registriert: Mo 15. Jun 2020, 15:52
- PLZ: 90409
- Kontaktdaten:
Re: Zu schwache Lager in Motor/ Getriebe?
Also:
Die Kette ist viel zu straff, 0 Spiel. Aus der Trommel drückt es Öl (Foto), ich befürchte das Radlager ist durch.
Bleibt trotzdem dieses enorme Kreischen unter Last.
Die Kette ist viel zu straff, 0 Spiel. Aus der Trommel drückt es Öl (Foto), ich befürchte das Radlager ist durch.
Bleibt trotzdem dieses enorme Kreischen unter Last.
-
- Beiträge: 108
- Registriert: Mi 29. Aug 2018, 07:19
- Roller: Surron Ultra Bee
- PLZ: 90451
- Kontaktdaten:
Re: Zu schwache Lager in Motor/ Getriebe?
Hat die Mobilmacherei die Kette so eingestellt? Bitte prüfe doch, ob Deine Trommelbremse hinten nicht auch zu fest eingestellt ist.
Kette auf jeden Fall lockern und hoffen, dass das Getriebe es überlebt hat. Radlager wird ein neues fällig sein.
Kette auf jeden Fall lockern und hoffen, dass das Getriebe es überlebt hat. Radlager wird ein neues fällig sein.
Surron LB mit Kelly KLS7230S mit 9.400 km verkauft
Tinbot Esum Pro mit Kelly KLS7275D mit 16.600 km verkauft
Surron UB mit Torp TC1000, 15er Ritzel & EWATT 72/76, aktuell 20.000 km
Tinbot Esum Pro mit Kelly KLS7275D mit 16.600 km verkauft
Surron UB mit Torp TC1000, 15er Ritzel & EWATT 72/76, aktuell 20.000 km
- Fasemann
- Beiträge: 3518
- Registriert: Sa 14. Okt 2017, 22:05
- Roller: Nova E-Retro Star
- PLZ: 21614
- Wohnort: Buxtehude
- Tätigkeit: Kann so ziemlich vieles
- Kontaktdaten:
Re: Zu schwache Lager in Motor/ Getriebe?
Kollege war die Woche mit seiner Zündapp unterwegs, die wurde nach ein paar Kilometer auch immer langsamer. Nach kurzem Überlegen waren die neuen Stoßdämpfer schuld. Grundlänge zu kurz und insgesamt zu weich, da wurde die Kette auch immer straffer, für die Fahrt hat dann nur auf den Tank legen geholfen.
Vielleicht wird deine Bremse auch langsam fest und überlastet dann den Antrieb.
Vielleicht wird deine Bremse auch langsam fest und überlastet dann den Antrieb.
Von 2017 an 2x GoE zusammen mit 25 Tkm verkauft 4/24.
Nova E-Retro Star exBlei aus 2020, ab 02/24 und ab1000 km mit Lithium.
4/24 Tisto Luna mit 700 km eingezogen
3/25 UNU aus 2016 mit 1960 km und kleinem Diebstahlschaden.
Nova E-Retro Star exBlei aus 2020, ab 02/24 und ab1000 km mit Lithium.
4/24 Tisto Luna mit 700 km eingezogen
3/25 UNU aus 2016 mit 1960 km und kleinem Diebstahlschaden.
-
- Beiträge: 108
- Registriert: Mi 29. Aug 2018, 07:19
- Roller: Surron Ultra Bee
- PLZ: 90451
- Kontaktdaten:
Re: Zu schwache Lager in Motor/ Getriebe?
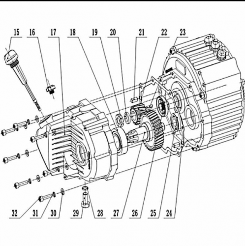
Für alles die es interessiert hier die Expolsionsdarstellung vom Getriebe der Tinbot.
Surron LB mit Kelly KLS7230S mit 9.400 km verkauft
Tinbot Esum Pro mit Kelly KLS7275D mit 16.600 km verkauft
Surron UB mit Torp TC1000, 15er Ritzel & EWATT 72/76, aktuell 20.000 km
Tinbot Esum Pro mit Kelly KLS7275D mit 16.600 km verkauft
Surron UB mit Torp TC1000, 15er Ritzel & EWATT 72/76, aktuell 20.000 km
-
- Beiträge: 1979
- Registriert: So 30. Jun 2019, 21:02
- Roller: Niu N-GT -- TINBOT ESUM PRO
- PLZ: 63
- Kontaktdaten:
Re: Zu schwache Lager in Motor/ Getriebe?
Danke, also schrägverzahnt.
- ionenfeuer66
- Beiträge: 136
- Registriert: Fr 20. Nov 2020, 10:30
- Roller: Tinbot Esum Pro
- PLZ: 77704
- Kontaktdaten:
Re: Zu schwache Lager in Motor/ Getriebe?
Wo sind die Lager der Antriebswelle?
Wenn ich das richtig deute ist No.18 der Simmerring und
die No.25 ein Lager zwischen Motor und Getriebe.
Aber kein Lager zwischen Getriebe und Simmerring.
Wenn ich das richtig deute ist No.18 der Simmerring und
die No.25 ein Lager zwischen Motor und Getriebe.
Aber kein Lager zwischen Getriebe und Simmerring.
Tinbot Esum Pro Supermoto 2021
2.Motor auf Garantie, Auf Riemen gewechselt, Getriebelager gegen Hochwertige getauscht und ein paar Kleinigkeiten...läuft bei mir
2.Motor auf Garantie, Auf Riemen gewechselt, Getriebelager gegen Hochwertige getauscht und ein paar Kleinigkeiten...läuft bei mir

Wer ist online?
Mitglieder in diesem Forum: 0 Mitglieder und 5 Gäste