Fehlermeldung "SEV OFF" - Kein Antrieb

S01, S02, S03, Mó
Antworten
MaikBro
Beiträge: 18
Registriert: Fr 4. Aug 2023, 20:14
Roller: SSEAT MÓ 125
PLZ: 31840
Kontaktdaten:

Re: Fehlermeldung "SEV OFF" - Kein Antrieb

Beitrag von MaikBro »

error hat geschrieben:
Do 20. Mär 2025, 20:14
Nicht dass du mich mit meinem Beitrag falsch verstehst, das war kein Vorwurf, sondern eine Einschätzung "der Lage". Ich respektiere durchaus was du sagst, und wenn du dich nicht wohl dabei fühlst, ist es vernünftiger die Pfoten davon zu lassen.
Alles gut ;) Ich schaue gerade nach einem günstigen OBD2-Lesegerät für den Roller.. aber anscheinend können das auch nicht alle.. könnte sowieso mal eins für meinen Tiguan gebrauchen.. aber nur für Spielerei will ich da nun auch keine Unsummen ausgeben.

Ich warte nun morgen auf den Rückruf vom Seathändler, jedoch habe ich da keine große Hoffnung, dass die nur den Akku mal untersuchen auf Garantieleistung.

Gibt es denn in dem Forum vielleicht jemanden aus der Umgebung Hannover bis Bielefeld? Ich würde mir auch einen Motorrad-Anhänger mal ausleihen für ein paar schnelle Tests :D

Ich habe irgendwie dennoch das Gefühl, dass es am Akku selbst liegt, da er sich ja auch im ausgebauten Zustand anscheinend nicht laden lässt.

Ich habe in der App die Benachrichtigungs-History mal verfolgt. Die erste Meldung im August 2023 war auch, dass der Akku über einen Monat nicht geladen wurde. Die Reichweite im EcoModus lag immer nur bei ca. 80km. Im Sportmodus maximal 50km. Das kommt mir jedenfalls sehr wenig vor, war damit aber dennoch zufrieden da ich keine langen Strecken fahren wollte...

Da der Akku also auch vor zwei Jahren schonmal nicht regelmäßig geladen wurde, war die Garantie sowieso schon dahin.

Ich sehe zu, dass ich die Tage die Akkuspannung mal messen lasse. Falls es wie gesagt jemanden aus der Nähe gibt, gerne mal melden.

Wenn mir jemand ein günstiges OBD2-Gerät empfehlen kann, gerne auch melden :)

Benutzeravatar
Pfriemler
Moderator
Beiträge: 2765
Registriert: Di 7. Mai 2019, 17:41
Roller: SEAT Mó125 (MJ2021 Votol)
PLZ: 14513
Wohnort: Südrandberlin
Tätigkeit: Tonkünstler
Kontaktdaten:

Re: Fehlermeldung "SEV OFF" - Kein Antrieb

Beitrag von Pfriemler »

MaikBro hat geschrieben:
Do 20. Mär 2025, 18:39
Ich schrieb schon, dass dort kein klackerndes Geräusch mehr kommt. Beim ausgebauten Zustand ebenfalls nicht.
Du hast bisher nur bestätigt, dass das Laderelais beim Ladeversuch nicht klickt. Wir brauchen aber noch eine Klarstellung, ob es beim Einschalten der Zündung im Akku bzw aus dessen Richtung recht laut Klack macht. Das ist das Hochstromrelais. Das muss beim Einschalten der Zündung zu hören sein. Wenn nicht, sind alle Überlegungen bezüglich eines Votol-Defekts erst mal hinfällig.
Bisher war es immer der Akku in solchen Fällen, nie der Controller. Diese Diagnose ist auch wichtig als Mitteilung an einen fähigen Seat-oder Silence-Reparateur.
Oder anders gesagt: Das Nichteinschalten des Hochstromrelais ist ein sicheres Indiz für einen defekten Akku. Dann zuerst, und erst mal ausschließlich, um den kümmern. Das Verhalten des Akkus sollte dann in jedem anderen Roller gleich sein.

Und kaufe Dir ein Meßgerät. Selbst das von ACTION für 4,95 reicht. Baumarkt, Supermarkt, reicht.

Vergiss die Warnungen der App. Ich hatte die Aufladeerinnerung teilweise keine 24h nachdem mir die gleiche App eine erfolgreiche Aufladung gemeldet hat.
SuperSoco CUx '19-'21 (36Wh/km in 2000 km), Piaggio Medley 125 '20-'22 (26,6 ml/km in 5000 km). Seat Mó: Bild

Benutzeravatar
error
Beiträge: 2014
Registriert: Di 20. Dez 2022, 19:37
PLZ: 2
Kontaktdaten:

Re: Fehlermeldung "SEV OFF" - Kein Antrieb

Beitrag von error »

Pfriemler hat geschrieben:
Do 20. Mär 2025, 21:13
Wir brauchen aber noch eine Klarstellung, ob es beim Einschalten der Zündung im Akku bzw aus dessen Richtung recht laut Klack macht. Das ist das Hochstromrelais. Das muss beim Einschalten der Zündung zu hören sein. Wenn nicht, sind alle Überlegungen bezüglich eines Votol-Defekts erst mal hinfällig.
So viele Relais hat eine Silence nicht Der Akku hat durchgeschaltet. Um es einfach zu formulieren: für eine Anzeige im Dash muss zwingend Saft auf dem DC-Converter ankommen und dieser dann 12V liefern. Sonst starten weder ECU noch Dash. Ob die ECU lebt, lässt sich mit Rumspielen an den Armaturen rausfinden. Ohne ECU geht eigentlich nix und "SEV OFF" kommt wohl auch von dort.

Da der Akku nur einen "Hochvolt-Übergang" zum Roller hat, liegt da zwangsläufig Akkuspannung an. Alles weitere findet ausserhalb des Akkus statt. Das Votol-Controller-Schütz/Relais hat laut Schaltplan Pin(s) die mit Precharge gekennzeichnet sind. Leider lässt sich nicht erkennen ob das ein Eingang oder Ausgang ist. Hatte noch nicht die Möglichkeit dort zu messen. Sobald ein Votol Saft auf der Powerrail hat, läuft der erste Controllerinterne DC-Converter an. Ab hier bedarf es lediglich eines Enablesignals und der Controller fährt hoch und wird geschwätzig. Könnte mir vorstellen, dass über den Precharge Pin der Controller auf Enable gesetzt wird (so würde ich es machen).

Wenn ich meine Glaskugel befrage und die Vorgeschichte (bei voller Fahrt ausgegangen) betrachte und die Abwesenheit von "Votol Canbusfehlermeldungen" und die anscheinend uralte "aus Sevconzeiten stammende ECU Fehlermeldung" betrachte...

...und berücksichtige, dass mit schon ein Votol mit FET-Schaden untergekommen ist...

würde ich weiterhin auf defekten Controller tippen. Rein aus dem Bauch raus. 8-)

Zumindest fährt er nicht hoch.

patba
Beiträge: 1080
Registriert: Do 28. Nov 2019, 09:04
Roller: Silence S01
PLZ: 93***
Kontaktdaten:

Re: Fehlermeldung "SEV OFF" - Kein Antrieb

Beitrag von patba »

error hat geschrieben:
Do 20. Mär 2025, 21:33
Da der Akku nur einen "Hochvolt-Übergang" zum Roller hat, liegt da zwangsläufig Akkuspannung an.
Nein, error, nix für ungut, aber wir drehen uns im Kreis.
Es gibt 2 unabhängige, und separat geschaltete "Hochvolt-Übergänge". Den eigentlichen für den Fahrstrom zur MCU, der über ein Albright-Schütz im Akku geschaltet wird, und den Ausgang "Vbat E" auf PIN 13 des Multikontakts, der (vermutlich) elektronisch geschaltet wird, und der den DC-Converter bedient. Es gibt mind. 2 sicher nachgewiesene Situationen, bei denen VBatE an ist, der Hauptausgang aber aus:
- bei jedem Laden mit Akku im Roller
- bei der KPLUS OFF Problematik (viewtopic.php?p=349104#p349104)

Es gilt zu klären, ob hier bei SEV OFF auch das Schütz nicht schaltet.

Un wie erklärst Du dir das, wenn nur die MCU defekt sein soll:
MaikBro hat geschrieben:
Do 20. Mär 2025, 21:00
Ich habe irgendwie dennoch das Gefühl, dass es am Akku selbst liegt, da er sich ja auch im ausgebauten Zustand anscheinend nicht laden lässt.

Benutzeravatar
error
Beiträge: 2014
Registriert: Di 20. Dez 2022, 19:37
PLZ: 2
Kontaktdaten:

Re: Fehlermeldung "SEV OFF" - Kein Antrieb

Beitrag von error »

patba hat geschrieben:
Do 20. Mär 2025, 22:43
Nein, error, nix für ungut, aber wir drehen uns im Kreis.
Da gebe ich dir recht, bzw habe dir bereits recht gegeben:
error hat geschrieben:
Do 20. Mär 2025, 20:14
Hier ist niemand (mich eingeschlossen) in der Lage den Fehler aus der Ferne einzugrenzen.
Vielleicht haben wir auch zwei Fehler? Who knows? Silence sind nicht einfach. Habe mir deshalb auch aktuell "Arbeit mit nach Hause genommen".
IMG_1910.JPG
Die schwarze Silence soll ich ein paar Tage fahren, weil sie immer mal wieder unvermittelt ohne Fehlermeldung stehen bleibt. Ich war da irgendwann vor einem Jahr mal bei, hatte den Encoder eingestellt. Danach lief sie auf Schlag laut Tacho die Sevcon typischen 102 km/h (was sie vorher nicht mal ansatzweise tat). Aber ohne Fehlermeldung kann ich da nur Vermutungen anstellen. Also werde ich sie eine Woche fahren. Was anderes fällt mir nicht ein. Die Sichtprüfung war überall ohne Ergebnis. Im Log soll auch nix gewesen sein. Mal schauen.

MaikBro
Beiträge: 18
Registriert: Fr 4. Aug 2023, 20:14
Roller: SSEAT MÓ 125
PLZ: 31840
Kontaktdaten:

Re: Fehlermeldung "SEV OFF" - Kein Antrieb

Beitrag von MaikBro »

Pfriemler hat geschrieben:
Do 20. Mär 2025, 21:13
Du hast bisher nur bestätigt, dass das Laderelais beim Ladeversuch nicht klickt. Wir brauchen aber noch eine Klarstellung, ob es beim Einschalten der Zündung im Akku bzw aus dessen Richtung recht laut Klack macht. Das ist das Hochstromrelais. Das muss beim Einschalten der Zündung zu hören sein. Wenn nicht, sind alle Überlegungen bezüglich eines Votol-Defekts erst mal hinfällig.
Moin ;) Also es macht tatsächlich nirgendwo mehr "Klack" ;) Weder beim einschalten der Zündung noch beim anschließen des Ladekabels.. es macht lediglich "Piep" sobald ich den Roller starte und es steht dort "Ready".

Aber wie ihr schon sagt, drehen wir uns aktuell im Kreis... ich sehe zu, dass ich die nächsten Tage mal Spannungsdaten liefern kann.

patba
Beiträge: 1080
Registriert: Do 28. Nov 2019, 09:04
Roller: Silence S01
PLZ: 93***
Kontaktdaten:

Re: Fehlermeldung "SEV OFF" - Kein Antrieb

Beitrag von patba »

MaikBro hat geschrieben:
Do 20. Mär 2025, 21:00
Wenn mir jemand ein günstiges OBD2-Gerät empfehlen kann, gerne auch melden :)
Es sollte ein CAN-fähiger Adapter sein, jeder ELM327-basierende Adapter sollte das können. Solche bzw. Nachbauten davon findet man für teils einstellige Eurobeträge, direkt auch China bestellt sogar manchmal mit einer 0 vor dem Komma. Jedoch ist deren Qualität gerade bei China-Nachbauten ggf. fraglich, und ich kann dazu mangels Kenntnis auch keine Empfehlung abgeben. Div. Vergleiche findet man im Netz.
Ein oft empfohlenes hochwertiges nicht-China-Teil ist der OBDlink LX, der aber nicht ganz billig ist. Den habe ich z.B., und auch andere hier im Forum.

Patrick

Benutzeravatar
error
Beiträge: 2014
Registriert: Di 20. Dez 2022, 19:37
PLZ: 2
Kontaktdaten:

Re: Fehlermeldung "SEV OFF" - Kein Antrieb

Beitrag von error »

BTW: Das sagt Silence zum Thema "Battery does not charge":


Bildschirmfoto 2025-03-20 um 13.18.08.png

Ich will ja nicht maulen, aber wieviel davon lässt sich in Heimarbeit selbst erledigen? Bereits an der ersten "Abzweigung" geht es zu "Silence Training Level 2" (was kaum ein Händler hat) oder "laden der Settings über die Silence Software".

Klar kann man da einiges anders machen, aber dafür sollte man wissen was man tut.

Benutzeravatar
error
Beiträge: 2014
Registriert: Di 20. Dez 2022, 19:37
PLZ: 2
Kontaktdaten:

Re: Fehlermeldung "SEV OFF" - Kein Antrieb

Beitrag von error »

patba hat geschrieben:
Do 20. Mär 2025, 22:43
Es gibt 2 unabhängige, und separat geschaltete "Hochvolt-Übergänge". Den eigentlichen für den Fahrstrom zur MCU, der über ein Albright-Schütz im Akku geschaltet wird, und den Ausgang "Vbat E" auf PIN 13 des Multikontakts, der (vermutlich) elektronisch geschaltet wird, und der den DC-Converter bedient. Es gibt mind. 2 sicher nachgewiesene Situationen, bei denen VBatE an ist, der Hauptausgang aber aus:
- bei jedem Laden mit Akku im Roller
- bei der KPLUS OFF Problematik (viewtopic.php?p=349104#p349104)

Es gilt zu klären, ob hier bei SEV OFF auch das Schütz nicht schaltet.


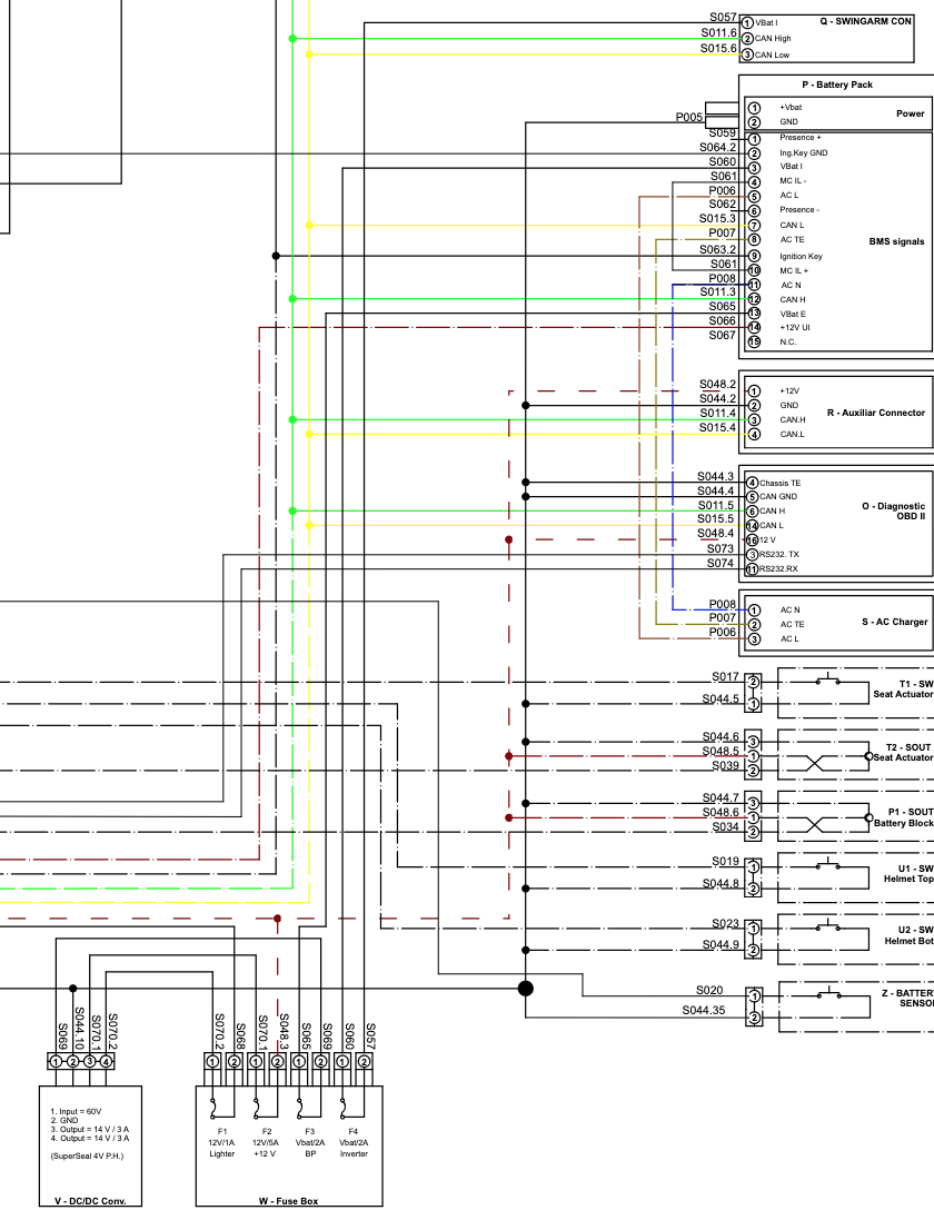
Ich habe mir (um selbst keinen Mist zu verbreiten) gerade noch mal den Schaltplan angesehen: du hast recht, der DC-DC läuft nicht wie ich angenommen habe über die beiden Hochlast Kontakte der Batterie. Es schaltet anscheinend (warum auch immer) das Schütz in der Batterie nicht durch. Das Klacken müsste sonst zu hören sein. Damit können wir wohl das Problem ziemlich sicher auf die Batterie eingrenzen.

Ich würde trotzdem checken wollen ob die MCU keine Probleme im Hochvoltteil hat. Vielleicht ist dadurch das BMS getriggert worden. Denn mehr hängt an diesem Ausgang offenbar nicht dran.

Bildschirmfoto 2025-03-21 um 10.08.56.png

Gerold
Beiträge: 584
Registriert: Fr 7. Feb 2020, 10:23
Roller: Silence S01
PLZ: 55*
Kontaktdaten:

Re: Fehlermeldung "SEV OFF" - Kein Antrieb

Beitrag von Gerold »

error hat geschrieben:
Fr 21. Mär 2025, 09:27
Ich will ja nicht maulen, aber wieviel davon lässt sich in Heimarbeit selbst erledigen? Bereits an der ersten "Abzweigung" geht es zu "Silence Training Level 2" (was kaum ein Händler hat) oder "laden der Settings über die Silence Software".

Klar kann man da einiges anders machen, aber dafür sollte man wissen was man tut.
Mich würde der Inhalt des Event Logs interessieren und wie man das ausliest.

Antworten

Zurück zu „Silence / SEAT“

Wer ist online?

Mitglieder in diesem Forum: 0 Mitglieder und 11 Gäste