SEAT Mo 125 keine Zündung

S01, S02, S03, Mó
Benutzeravatar
E-Bik Andi
Beiträge: 2043
Registriert: Mo 3. Jul 2023, 13:32
Roller: EH Line Umbau, Econelo DTR
PLZ: 72
Kontaktdaten:

Re: SEAT Mo 125 keine Zündung

Beitrag von E-Bik Andi »

Ich gehe stark davon aus, dass die Werkstatt alles geprüft und durchgemessen hat. Der Tausch des Motorsteuergerätes (ist von Votol) würde voraussetzen, dass sowohl Strom vom Akku am Controller anliegt, als auch das Schaltplus vom Zündschloss vorhanden ist und am Controller ankommt.
Wenn dem nicht so ist, kann man auch nicht vernuten, dass der Motorcontroller einen Defekt hat- wo nix reinkommt, geht auch nix raus ;)
Da bei Dir das Display tot bleibt, muss der Fehler ja schon vom Akku zur ECU bzw. dem Display bzw. Zündschloss vorliegen- damit hat der Motorcontroller erstmal rein gar nichts zu tun, da dieser ja über das Zündschloss seine Einschaltspannung bekommt.
Ich wünsche Dir viel Glück, dass der Händler den Fehler findet bzw. zeitnah Ersatz liefert.
Liebe Grüße
Andi

ralboe
Beiträge: 24
Registriert: Di 14. Mai 2024, 15:42
Roller: Seat Mo 125
PLZ: 29664
Kontaktdaten:

Re: SEAT Mo 125 keine Zündung

Beitrag von ralboe »

Nachdem ich heute eine Frist bis zum Monatsende für die Nachbesserung gesetzt hatte - ansonsten Wandlung in Neufahrzeug, bekam ich die Nachricht:
Gute Nachricht, wir haben den Fehler durch Spannungsmessungen gefunden. Der Spannungswandler ist defekt.

Benutzeravatar
error
Beiträge: 2014
Registriert: Di 20. Dez 2022, 19:37
PLZ: 2
Kontaktdaten:

Re: SEAT Mo 125 keine Zündung

Beitrag von error »

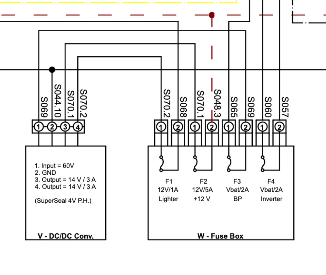
Ich will ja nicht schon wieder den "Besserwessi" raushängen lassen, aber den DC-DC kann man recht easy am Sicherungskasten durchmessen. Alle Spannungen rein und raus liegen dort an. Nur GND halt nicht.


Bildschirmfoto 2024-05-23 um 18.30.47.png
Dieser Teil der Silence/Mo ist relativ simpel: 60V liegen an und 2x 14V gehen raus. Die VBat E Leitung geht direkt von der Batterie über die Sicherung F3 an den DC-DC. Mehr hängt da nicht dran. Allerdings geht tatsächlich nicht viel, wenn das mit dem Output nicht klappt. Auch die ECU wird über den DC-DC versorgt, und von dort dann das Dash.

Bin gespannt, wie es weiter geht.

Benutzeravatar
Pfriemler
Moderator
Beiträge: 2765
Registriert: Di 7. Mai 2019, 17:41
Roller: SEAT Mó125 (MJ2021 Votol)
PLZ: 14513
Wohnort: Südrandberlin
Tätigkeit: Tonkünstler
Kontaktdaten:

Re: SEAT Mo 125 keine Zündung

Beitrag von Pfriemler »

Der Spannungswandler ist defekt? Wie kriegt man denn sowas kaputt?

Ich relativier mal meine Aussage von weiter oben bezüglich des GND, so dramatisch ist das jetzt nicht: Wenn man sich die Mühe macht und die OBD-Buchse mal aufmacht, findet man nicht viele bestückte Kontakte darin. Die beiden am meisten in der Mitte liegenden auf einer Seite sind GND. Die daneben liegenden haben in der anderen Reihe ein Gegenstück - von diesen lässt man mal schön die Fingerchen. Und dann gibt es noch einen Kontakt, der ganz weit außen liegt: Das ist das interne 12V nach dem ominösen Wandler.
Mit einem Multimeter aus der Baumarktklasse ist man schon prima dabei.
Dateianhänge
OBD offen Auszug.jpg
SuperSoco CUx '19-'21 (36Wh/km in 2000 km), Piaggio Medley 125 '20-'22 (26,6 ml/km in 5000 km). Seat Mó: Bild

Benutzeravatar
error
Beiträge: 2014
Registriert: Di 20. Dez 2022, 19:37
PLZ: 2
Kontaktdaten:

Re: SEAT Mo 125 keine Zündung

Beitrag von error »

Pfriemler hat geschrieben:
Do 23. Mai 2024, 19:47
Wenn man sich die Mühe macht und die OBD-Buchse mal aufmacht, findet man nicht viele bestückte Kontakte darin. Die beiden am meisten in der Mitte liegenden auf einer Seite sind GND.
Ich wollte auch nur zur Ehrenrettung der SEAT Crew aufzeigen, wie verschieden die Silence/MO ist, wenn man bisher Autos gewohnt ist.
Pfriemler hat geschrieben:
Do 23. Mai 2024, 19:47
Mit einem Multimeter aus der Baumarktklasse ist man schon prima dabei.
100% agree, aber dafür muss man den Aufbau und Startvorgang der MO genau verstanden haben. Meines Wissens ist das auch im Dealermanual nicht im Detail erklärt.

Ich fand es schon sportlich einen "Fremdakku" in einem Roller mit so einem Fehlerbild zu testen. Das hätte ich nicht riskiert.

Fehlende "Bordspannung" kann auch durch einen Kurzschluss verursacht sein. Der Roller ist neu, da muss man mit allem rechnen.

Bin gespannt wie es weitergeht.

ralboe
Beiträge: 24
Registriert: Di 14. Mai 2024, 15:42
Roller: Seat Mo 125
PLZ: 29664
Kontaktdaten:

Re: SEAT Mo 125 keine Zündung

Beitrag von ralboe »

Da hier so ein geballtes Fachwissen vorhanden ist:
Wie kann es zu einem defekten Spannungswandler kommen?

Benutzeravatar
Nobelhobel
Beiträge: 237
Registriert: Mo 11. Okt 2021, 17:55
Roller: Kymco Super8 50cc 2T, Seat Mó 125
PLZ: 337**
Tätigkeit: Ing.
Kontaktdaten:

Re: SEAT Mo 125 keine Zündung

Beitrag von Nobelhobel »

Da der bei dir ja recht schnell ausgefallen ist, kann es sich schlicht um ein defektes Gerät handeln, das bei der Produktion fehlerhafte Teile bekommen hat. Weiter ist die Liste an möglichen Ursachen lang. Überspannung am Eingang, vielleicht eine Fremdeinspeisung am Ausgang, Überstrom, weil die verbaute Sicherungen nicht bei 1A / 5A auslösen, sondern bei 2A / 7A, oder ein Kurzschluss vor den Sicherungen? Vielleicht ist der zu warm geworden, oder es ist Wasser reingelaufen? Vielleicht ist es auch nur ein Kabelbruch/schlechter Kontakt in einer der Leitungen? Aus Erfahrung kann ich sagen, dass Werkstätten (sicher nicht alle) eher zu viel austauschen als zu wenig. Vielleicht war ein fehlerhafter Kontakt zwischen Kabel und Wandler Schuld, dann fließt kein Strom. Anderen Wandler angeschlossen und alles geht wieder. Ergo: Fehler gefunden: defekter Wandler, Reparaturkosten 50€. Eigentlicher Fehler: schlechte Krimpverbindung, Reparaturkosten 10 Cent.
Weiß der Teufel, warum einer, der die Wahrheit kennt, nur lügt
Weiß der Teufel, warum einer, der den Schmerz kennt, ihn zufügt
Weiß der Teufel, warum keiner weiß: wir sind vom Tod erwacht
Wir sind längst im Paradies, haben die Hölle draus gemacht

Verfolgt mich Auf dem Weg zur 100.000

Benutzeravatar
Pfriemler
Moderator
Beiträge: 2765
Registriert: Di 7. Mai 2019, 17:41
Roller: SEAT Mó125 (MJ2021 Votol)
PLZ: 14513
Wohnort: Südrandberlin
Tätigkeit: Tonkünstler
Kontaktdaten:

Re: SEAT Mo 125 keine Zündung

Beitrag von Pfriemler »

Nobelhobel hat geschrieben:
Fr 24. Mai 2024, 11:31
... Kurzschluss vor den Sicherungen?
Eigentlich alle Wandler, die ich je auf der Werkbank hatte (und das waren schon einige kaputte), haben ein natürliches Limit an Strom, das sie vor schneller Zerstörung schützt. Entweder ist es die Größe der Speicherdrossel oder - eigentlich die Regel - eine aktive Strombegrenzung, die diese Dinger praktisch dauerkurzschlussfest macht. Fertigungsfehler sind möglich, aber wenig wahrscheinlich, wenn die Dinger einmal funktioniert haben. Überspannung ist eine häufige Ursache eher bei Netzwandlern - es gibt eine Reihe von Schaltwandler-ICs in DIL-8-Gehäusen, die von Anlaufschaltung bis zum Leistungsmosfet alles beinhalten, die sind hier Stammgäste, meist ist schon ein Teil des Gehäuses sichtbar abgesprengt - der Speicherelko auf Primärseite hat oft genug Energie für eine partielle Vaporisierung.
Aber bei "Niederspannungswandlern" wie hier? Ich bin auch eher bei Nobelhobels Vermutung eines maladen Steckverbinders.
SuperSoco CUx '19-'21 (36Wh/km in 2000 km), Piaggio Medley 125 '20-'22 (26,6 ml/km in 5000 km). Seat Mó: Bild

Benutzeravatar
Nobelhobel
Beiträge: 237
Registriert: Mo 11. Okt 2021, 17:55
Roller: Kymco Super8 50cc 2T, Seat Mó 125
PLZ: 337**
Tätigkeit: Ing.
Kontaktdaten:

Re: SEAT Mo 125 keine Zündung

Beitrag von Nobelhobel »

Auch wenn das jetzt vielleicht ein wenig Off-Topic wird. Ich hatte jetzt einen Spannungswandler, der eigentlich aus 12V - 100V schmale 9 V machen sollte (so eine kleine Platine für 2€ aus China) am Netzteil mit 58V funktionierte das wunderbar. Dann hatte ich die an den Rollerakku (57V) angeschlossen und alles blieb dunkel. Der Wandler, der vorher noch wunderbar seinen Dienst getan hatte, ist plötzlich tot. Kein Heißwerden, kein magic-smoke, einfach aus. Ich weiß nicht, woran das liegt, aber ich werde mein Glück nochmal mit einem anderen Wandler probieren. Belastet wird der mit 3A angegebene Wandler übrigens mit 20mA, daran kann es also auch nicht liegen. Wenn es funktioniert, mache ich hier vielleicht mal einen Beitrag dazu, das wird eine Modifikation von (und mit) Norberts Stecker.
Weiß der Teufel, warum einer, der die Wahrheit kennt, nur lügt
Weiß der Teufel, warum einer, der den Schmerz kennt, ihn zufügt
Weiß der Teufel, warum keiner weiß: wir sind vom Tod erwacht
Wir sind längst im Paradies, haben die Hölle draus gemacht

Verfolgt mich Auf dem Weg zur 100.000

Benutzeravatar
YOLO
Beiträge: 432
Registriert: Fr 22. Feb 2019, 15:57
Roller: Silence S01+
PLZ: 70197
Kontaktdaten:

Re: SEAT Mo 125 keine Zündung

Beitrag von YOLO »

Vielleicht hat er sich an die Restwelligkeit des Netzteils gewöhnt und kommt nicht mit der total platten Gleichspannung aus dem Akku zurecht?
Silence S01+
NIU NGT
BMW R1100 RS
Porsche 981 Boxster GTS 2015 (der letzte mit 6-Zylinder-Sauger)
Porsche Taycan Turbo

Antworten

Zurück zu „Silence / SEAT“

Wer ist online?

Mitglieder in diesem Forum: 0 Mitglieder und 12 Gäste