Verbindung via Telemetriemodul zur Silence S01+ schlägt fehlt

S01, S02, S03, Mó
Antworten
Benutzeravatar
Klaona
Beiträge: 230
Registriert: Fr 30. Sep 2022, 12:00
Roller: 2 x Seat Mò 125
PLZ: 13xxx
Kontaktdaten:

Re: Verbindung via Telemetriemodul zur Silence S01+ schlägt fehlt

Beitrag von Klaona »

Gestern das Info meines Händlers bekommen, dass sie jetzt die Software haben :lol: um den Akku zum Transport vorzubereiten. Der Mo wird dann am 8. Januar vom Händler abgeholt.
Na mal sehen wie das Drama so weiter läuft :?:

Benutzeravatar
Pfriemler
Moderator
Beiträge: 2764
Registriert: Di 7. Mai 2019, 17:41
Roller: SEAT Mó125 (MJ2021 Votol)
PLZ: 14513
Wohnort: Südrandberlin
Tätigkeit: Tonkünstler
Kontaktdaten:

Re: Rund um das Telemetriemodul: Infos, Nutzen, Hacks...

Beitrag von Pfriemler »

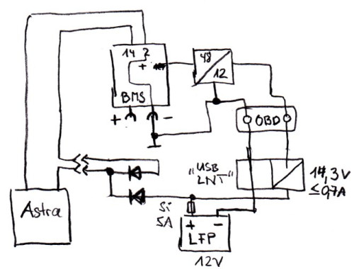
So, ich wollte nicht länger auf die Reparatur meines Akkus warten um wieder online-Funktionalität zu haben.
Also folgende Mods:
a) Rechte Akkufachabdeckung demontiert (unten im Akkufach zwei Schrauben + eine Sechskant oben von außen + rechte Fußraste ausbauen, dann aus zwei Rastungen oben herausziehen). Rückseitig vom Multiconnector das Kabel zum Pin 14 herausgepult (Isolierband vom Kabelbaum zusätzlich 1 cm geöffnet, so getrennt dass man an die beiden Enden was anlöten kann, daran über zweipolig 10 cm eine Kupplung (Lüfterverbinder aus dem PC-Bereich benutzt, 3-polig, verpolungssicher, hatte ich reichlich im Fundus) angelötet, alles peinlich isoliert und den Verbinder auf dem Blech, was den Bowdenzug für die Akkuentriegelung hält, oben mit Kabelbinder fixiert. Abdeckung wieder montiert.
b) unlängst mehr aus Spaß mal bei SEGOR electronic mitgenommen: ein "USB-Labornetzteil" (eingangsseitig ein USB-Stecker und Lötpads, ausgangsseitig Schraubklemmen). Das läuft eingangsseitig von 4-13 Volt, hat einen kombinierten step-up/step-down an Bord, lässt sich am Ausgang frei einstellen in Spannung (14,3V) und Ausgangsstrom (0,7A). Daran ein 12V-6A-LFP-Akkupack mit Kabelschuhen. Diese Baugruppe kann diesen 12V-Hilfsakku im laufenden Betrieb (Zündung ein/Fahrt, aber auch während des Ladens) vom 12V-Netz ordentlich aufladen, mit CC/CV. Zur Sicherheit im +Zweig zum Akku eine 5A-Sicherung.
Das Modul wird über einen Hohlstecker und eine Hohlbuchse in meinem OBD-Universaladapter (CAN/Telemetrie) von der OBD-Buchse mit Strom versorgt.
c) ein zweipoliges Kabel mit dem passenden Stecker zu a), zwei Dioden, so verschaltet dass sowohl die normalerweise vom Akkupack auf Pin14 gelieferte Spannung als auch + vom Akkupack zum Astra weitergeleitet werden.

Zur Erinnerung: Minus bekommt das Astra nicht über das Bord-Minus, sondern über Pin2 des Fahr-Akkus. Alle Rollerelektronik hängt auf Minus über einen gar nicht mal so dicken Draht an einer Schrauböse direkt am Hochstromanschluss(-). Das bedeutet auch, dass eine Kommunikation mit dem Astra-Modul immer ein Fahr-Akku eingesteckt sein muss, weil sonst für die serielle Diagnoseschnittstelle der Bezugspegel fehlt.

Diese Lösung sieht krude aus, aber so bleibt sie minimalinvasiv. Wenn ich wieder ein funktionierende Akkupack habe, ziehe ich die gesamte Mimik aus dem Roller und stöpsele einen kleinen Stecker mit Brücke an die Kupplung aus a) und habe elektrisch wieder 100% Originalzustand.
Ich habe das auch gezielt als Provisorium angelegt, bis der Akku wieder repariert ist.

Ich hatte binnen 5 Minuten wieder Kontakt sowohl über die BTLE-App als auch über die offizielle SEAT-App. In den nächsten Tagen wird sich zeigen, ob die Funktionalität wieder da ist. Sollte es irgendwelche Probleme geben, reicht das Ziehen des OBD-Steckers, um alle Pfriemelei unschädlich zu machen.

Die Skizze ist nur zum Nachvollzug zu verstehen, nicht als Bauanleitung.
Dateianhänge
Notspeisung S01 Astra V1.jpg
SuperSoco CUx '19-'21 (36Wh/km in 2000 km), Piaggio Medley 125 '20-'22 (26,6 ml/km in 5000 km). Seat Mó: Bild

Benutzeravatar
error
Beiträge: 2012
Registriert: Di 20. Dez 2022, 19:37
PLZ: 2
Kontaktdaten:

Re: Rund um das Telemetriemodul: Infos, Nutzen, Hacks...

Beitrag von error »

@Pfriemler

Nice, hätte jetzt erwartet Bilder vom offenen Akku zu sehen. - Ich werde wohl erstmal nichts ändern.
Allerdings überlege ich, ob es Sinn machen würde, eine Ladebuchse mit den zwei Dioden für das Astra Modul vorzusehen.
Bin etwas enttäuscht von der Telemetrie, weil mein ausgebautes und geladenes Astra Modul laut App lediglich am 23.12.23 den letzten Kontakt hatte, aber immer noch kein Locationupdate gemacht hat.
Egal, ich werde den Fahrakku vermutlich nicht so häufig ausserhalb des Rollers laden um zwingend umbauen zu müssen.
Durch den Step up wäre deine Schaltung wohl auch ohne Zusatzakku "funktionsfähig". Es reicht meiner Meinung nach beim Einsetzen des Fahrakkus eine Spannung >12V über die zweite Diode einzuspeisen. So fließt dann aufgrund des höheren Potenzials kein Strom mehr über Pin 14.

Gerold
Beiträge: 584
Registriert: Fr 7. Feb 2020, 10:23
Roller: Silence S01
PLZ: 55*
Kontaktdaten:

Re: Rund um das Telemetriemodul: Infos, Nutzen, Hacks...

Beitrag von Gerold »

Wie @patba bereits hier viewtopic.php?p=275760#p275760 beschrieben hat, sind im Akkufach 3 offene Steckkontakte vorhanden. Zwischen dem roten und schwarzem Kabel des 4-poligen Steckers liegen bei mir auch permanent 12V an. U,U, könnte man ersatzweise hierauf zurückgreifen, falls die Spannung nicht auch von Akkudefekt betroffen ist.

Benutzeravatar
Pfriemler
Moderator
Beiträge: 2764
Registriert: Di 7. Mai 2019, 17:41
Roller: SEAT Mó125 (MJ2021 Votol)
PLZ: 14513
Wohnort: Südrandberlin
Tätigkeit: Tonkünstler
Kontaktdaten:

Re: Rund um das Telemetriemodul: Infos, Nutzen, Hacks...

Beitrag von Pfriemler »

Gerold hat geschrieben:
Do 28. Dez 2023, 10:04
... Zwischen dem roten und schwarzem Kabel des 4-poligen Steckers liegen bei mir auch permanent 12V... könnte man ersatzweise hierauf zurückgreifen, falls die Spannung nicht auch von Akkudefekt betroffen ist.
Das hängt vom Alter des Fahrzeugs ab. Auf Frühjahr 2022 ist v_05 des Schaltplans datiert, und wohl etwa ab da ist der AUX-Connector nicht mehr mit den dauerhaften 12VUI parallel, sondern mit der OBD-Buchse bzw. der gesamten 12V-Versorgung (außer dem separat abgesicherten USB-Wandler).
Wenn dort also dauerhaft Spannung liegt, ist es eben diese 12VUI und wäre bei einem Akkudefekt genauso weg.

Wie ich weiter oben schrieb, gehe ich während der Garantiezeit auf gar keinen Fall an den Akku. Vor Mai 2024 wird es also von mir keine Fotos des Akkuinneren geben...
Meine Schaltung ist auch ohne den Stepup funktionsfähig, dem Astra ist es egal, ob es mit 11 oder 14 Volt versorgt wird, die beiden Dioden sind so oder so nur zur Verhinderung einer Rückspeisung in den Akku erforderlich.
Der Pufferakku ist möglicherweise aus einem anderen Grund erforderlich:
Pfriemler hat geschrieben:
Fr 22. Dez 2023, 23:44
... zwei Dioden in der Verkabelung dem Modul auch während der Fahrt Strom zu versorgen und werde dann sehen, ob das Zündungs-Aus über den CAN übermittelt wird, bevor 12V ausgeht, damit das Modul den für die App-Funktionalität wichtigen "JNY STOP" erzeugt und sendet...
Das kann ich einfach simulieren, indem ich den Pufferakku mal abziehe und dann schaue, ob die App weiter Daten liefert.
Der Stepup erfüllt hier zwei Funktionen: Erstens bringt er den Pufferakku auf entsprechende Spannung und damit Ladelevel (sowohl Pb- als auch LFP-Akkus sind bei 12V nicht mal 1/3 voll) für eine möglichst lange Pufferzeit zu bringen, und zweitens begrenzt er den Ladestrom, um eine Überlastung des Silence-Bordnetzes zu verhindern. Ich habe auch mit einiger Suche keine einfachen Stepups gefunden, die beide Funktionen zugleich abdecken.
Das von mir verwendete Teil ist hier: https://www.segor.de/#Q=USB-Labornetzteilmodul&M=1
offtopic:
Inzwischen habe ich mir das hier gekauft, was deutlich weiter entwickelt ist, im Gegensatz zu ersteren erlaubt es ein wesentlich komfortableres Monitoring des Ausgangs und es beherrscht diverse Schnellladeprotokolle am Eingang, handelt also ein entsprechendes Netzteil oder Powerbank ggf. auf 12V (evtl. höher, aber sowas habe ich hier nicht) aus für eine bessere Effizienz. Für den quick&dirty unterwegs reicht es, ist auch ein ideales Prüftool um zu sehen, welche Schnellladeprotokolle unterstützt werden (kann man manuell durchschalten, geht aber auch auto) - aber elektroniktauglich ist es eher nicht, da es sehr schlechte Regeleigenschaften hat und beim Einschalten oder Lastwechsel horrende overshoots produziert, die empfindliche Elektronik wie Atmels oder dem ganzen Arduino/ESP-Kram in Sekundenbruchteilen unbrauchbar machen. Mit einem solche Sachen glättenden Akku parallel am Ausgang sieht das anders aus, und das Astra toleriert sowieso Spannungen über 30 Volt am Eingang klaglos. Und ja, diese Dinger sind rückspeisefest, d.h. ein angeschlossener Akku zerstört nicht den Wandler, wenn der Eingangsstrom abgeschaltet wird, er wird nur mit ca 2 mA belastet, eher marginal im Vergleich zum Astra.
SuperSoco CUx '19-'21 (36Wh/km in 2000 km), Piaggio Medley 125 '20-'22 (26,6 ml/km in 5000 km). Seat Mó: Bild

Benutzeravatar
Pfriemler
Moderator
Beiträge: 2764
Registriert: Di 7. Mai 2019, 17:41
Roller: SEAT Mó125 (MJ2021 Votol)
PLZ: 14513
Wohnort: Südrandberlin
Tätigkeit: Tonkünstler
Kontaktdaten:

Re: Verbindung via Telemetriemodul zur Silence S01+ schlägt fehlt

Beitrag von Pfriemler »

kleines Update zum Thema Hilfsbatterie und App-Funktion:

Ich habe heute nach der Fahrt in der App geschaut: km-Stand stimmt, SoC steht noch auf dem Stand bei Fahrtbeginn. Anschließend Handy zum seriellen Log angeschlossen, Hilfsbatterie getrennt, Roller ausgeschaltet ... der "JNY STOP"-Report wird dennoch erstellt und gesendet, die App zeigt nach kurzer Zeit den aktuellen SoC => Die Hilfsbatterie scheint damit entbehrlich.
SuperSoco CUx '19-'21 (36Wh/km in 2000 km), Piaggio Medley 125 '20-'22 (26,6 ml/km in 5000 km). Seat Mó: Bild

Benutzeravatar
error
Beiträge: 2012
Registriert: Di 20. Dez 2022, 19:37
PLZ: 2
Kontaktdaten:

Re: Rund um das Telemetriemodul: Infos, Nutzen, Hacks...

Beitrag von error »

Pfriemler hat geschrieben:
Do 28. Dez 2023, 12:24

[...]
Meine Schaltung ist auch ohne den Stepup funktionsfähig, dem Astra ist es egal, ob es mit 11 oder 14 Volt versorgt wird, die beiden Dioden sind so oder so nur zur Verhinderung einer Rückspeisung in den Akku erforderlich.

[...]

Und ja, diese Dinger sind rückspeisefest, d.h. ein angeschlossener Akku zerstört nicht den Wandler, wenn der Eingangsstrom abgeschaltet wird, er wird nur mit ca 2 mA belastet, eher marginal im Vergleich zum Astra.
Das ist soweit richtig, aber der Stepup verhindert bei einem funktionierenden Fahrakku die Stromentnahme über den "gefährdeten" Wandler im BMS.

Wenn dein nachträglich verbauter 48V/12V Stepdown eine nur geringfügig niedriegere Spannung als der Wandler vom BMS liefert, dann würde der Ladestrom vom BMS geliefert werden.

Falls also jemand "deine" Lösung nachbauen wollte um sein noch funktionierendes BMS zu schützen, würde ein Stepdown von 48V auf irgendwas größer 12V die beste Lösung sein. Mir ist das auch erst eingefallen/aufgefallen, als ich deine Schaltung mit dem Zusatzakku angesehen habe.

BTW: kleine Anekdote zum Astra Modul bei mir auf dem Schreibtisch. - Ich habe das 12V Netzteil abgezogen und das Ding kurz geschüttelt. - Jetzt habe ich in der App 29.12.23 18:31 Uhr stehen, aber immer noch die alte Location. Das mit dem Schütteln hatte ich vorher schon mal ohne Erfolg mit anliegenden 12V versucht. Irgendwie ist das strange, was Silence da programmiert hat. Hätte jetzt auch ein Location-Update erwartet. das GPS ist ja schließlich mit im Astramodul enthalten. Am Empfang kann es nicht liegen.

smackopa
Beiträge: 11
Registriert: Di 14. Nov 2023, 12:36
Roller: Silence S01+
PLZ: 66822
Kontaktdaten:

Re: Verbindung via Telemetriemodul zur Silence S01+ schlägt fehlt

Beitrag von smackopa »

Hallöchen, alles Gute für 24 !

Meine Batterie wurde am 13.12.23 von einer Spedition abgeholt und ist gestern, am 09.01.24, wieder repariert angeliefert worden. Am PIN14 liegen nun wieder 12V an. Die Reparatur Zeit ist akzeptabel, es waren ja Weihnachten und Neujahr dazwischen. Ich hatte den Akku zum Versand in einem Pappkarton auf einer 1/2 Europalette verzurrt und mit Aufklebern versehen. Es gibt dafür eine gute Anleitung von Silence wie man das machen muss.

Ausdrücklich muss ich mich bei Soeren und Paul von mobile-stromer.de bedanken. Sie haben den Garantie Antrag bei Silence gestellt und mich bei der Abwicklung unterstützt. Der Roller wurde nicht bei Ihnen gekauft und wir konnten das aus der Entfernung mit mail und Telefon managen.

Dann freue ich mich mal auf schöneres Roller Wetter und hoffe das die Reparatur von Dauer ist.

Gruß,
Roman.

Benutzeravatar
Pfriemler
Moderator
Beiträge: 2764
Registriert: Di 7. Mai 2019, 17:41
Roller: SEAT Mó125 (MJ2021 Votol)
PLZ: 14513
Wohnort: Südrandberlin
Tätigkeit: Tonkünstler
Kontaktdaten:

Re: Verbindung via Telemetriemodul zur Silence S01+ schlägt fehlt

Beitrag von Pfriemler »

Auf die vier Wochen Bearbeitungszeit hoffe ich jetzt auch, habe den Akku heute "eingeliefert" beim eDrivecenter. Bis dahin hatte sich mein Provisorium bestens bewährt und danach brauche ich es hoffentlich nicht mehr...
SuperSoco CUx '19-'21 (36Wh/km in 2000 km), Piaggio Medley 125 '20-'22 (26,6 ml/km in 5000 km). Seat Mó: Bild

Benutzeravatar
Klaona
Beiträge: 230
Registriert: Fr 30. Sep 2022, 12:00
Roller: 2 x Seat Mò 125
PLZ: 13xxx
Kontaktdaten:

Re: Verbindung via Telemetriemodul zur Silence S01+ schlägt fehlt

Beitrag von Klaona »

Mein Akku steht, nachdem die "Software" :lol: ausgelesen wurde, verpackt beim Händler auf ner Palette. Mal sehen wann es losgeht :?:


Edit:
Heute (19.01.24) das Info bekommen das der Akku von der Spedition abgeholt wurde. :D

Antworten

Zurück zu „Silence / SEAT“

Wer ist online?

Mitglieder in diesem Forum: Dot [Bot] und 19 Gäste