Exit Cross Geschwindigkeitsbeschränkung aufheben - hier die Lösung

Antworten
RevoQuax
Beiträge: 104
Registriert: Di 23. Jul 2019, 01:00
Roller: Revoluzzer 3.0 Pro, IO HAWK Exit Cross
PLZ: 6
Kontaktdaten:

Re: Exit Cross Geschwindigkeitsbeschränkung aufheben - hier die Lösung

Beitrag von RevoQuax »

Torsten hat geschrieben:
Do 5. Dez 2019, 08:58
Also in technischer Sichtweise entspricht der ausgeschaltete Roller oder der Roller mit abgeklemmtem Akku durchaus einem "normalen Tretroller", aber nicht in regulatorischer Sichtweise.
Das genau hatte ich in dem Satz unmittelbar nach dem von Dir zitierten Ausschnitt zum Ausdruck gebracht. Selbst wenn man die Batterie ausbauen und zuhause laden würde, dürfte man mit dem stromlosen eScooter nicht durch die Fußgängerzone rollern.

Bei eScootern ist das ohnehin kaum von Bedeutung, da man bei den wenigsten den Akku unmittelbar abnehmen kann und ständiges Treten durch den Abstand von Straße zu Trittfläche rasch ermüdend wird.

Interessant wird es aber bei s-Pedelecs, die mit ihren 45 km/h nicht auf den Radweg dürfen. Hier muss der "Strampler" auch dann runter vom Radweg, wenn er morgens Brötchen holt und währenddessen noch schnell seinen Akku für die Pendlerstrecke zuhause auflädt. Mit Logik ist Paragraphen-Unsinn nicht beizukommen, denn "it's the law".

Salu,
Quax

Torsten
Beiträge: 31
Registriert: Fr 15. Nov 2019, 08:57
Roller: Exit Cross
PLZ: 5
Kontaktdaten:

Re: Exit Cross Geschwindigkeitsbeschränkung aufheben - hier die Lösung

Beitrag von Torsten »

@ Bernie:
meiner schimpft sich TOOLCRAFT JLS-03 https://www.conrad.de/de/p/toolcraft-jl ... 88269.html

Deiner ist, naja, zum Elektroniklöten nur bedingt geeignet. Ist eine Übungssache. Ich empfehle Dir, ihn auf ca. 350° C einzustellen. Nach dem Löten bitte genau schauen, ob Du nicht Lotbrücken hinterlassen hast (Verbindung benachbarter verzinnter Punkte).

Kann gerne genauer auf das Löten eingehen, wenn benötigt. Frag' einfach.


@Mütze:
Danke. Das würde mir zu eng, hab' 4-5 Relais unterzubringen.

Grüße,
Torsten

(Mit der Lizenz zum Löten seit 1987)

Bernie
Beiträge: 6
Registriert: Di 3. Dez 2019, 10:24
Roller: IO Hawk Exit Cross
PLZ: 2
Kontaktdaten:

Re: Exit Cross Geschwindigkeitsbeschränkung aufheben - hier die Lösung

Beitrag von Bernie »

@ Torsten: "Kann gerne genauer auf das Löten eingehen, wenn benötigt. Frag' einfach."

Super! Vielen Dank dafür. Ich warte noch einmal die Antwort aus dem Juraforum ab und dann werde ich mich mal mit dem Löten versuchen.

Gruß
Bernie

Torsten
Beiträge: 31
Registriert: Fr 15. Nov 2019, 08:57
Roller: Exit Cross
PLZ: 5
Kontaktdaten:

Re: Exit Cross Geschwindigkeitsbeschränkung aufheben - hier die Lösung

Beitrag von Torsten »

[...]Juraforum[...]
Verlinkung wäre klasse!

baggermatsch
Beiträge: 3
Registriert: Mo 9. Dez 2019, 09:38
PLZ: 2
Kontaktdaten:

Re: Exit Cross Geschwindigkeitsbeschränkung aufheben - hier die Lösung

Beitrag von baggermatsch »

Mütze hat geschrieben:
Mi 4. Dez 2019, 15:43
Hallo Scooti,

richtig. Mann kann natürlich statt des Relais auch einen Stromstoßschalter nehmen.
Dann könntest Du einmal kurz drücken und die Geschwindigkeits-Aufhebung wäre aktiv, bei nochmaligen
kurzen drücken wäre die Geschwindigkeits-Aufhebung inaktiv.
Bsp. für Stromstoßschalter mit Universalspannung: Eltako Stromstoss-Schalter-ES61-UC

Ich persönlich habe es anders gemacht. Ich habe die Ausgänge vom Blinker am Controller genommen
und dort jeweils ein Relais mit Wechselkontakten angeklemmt (baue mir die Blinker sowieso
nicht an). Wenn ich "rechts blinke" ist die Anfahrschwäche deaktiviert und die
Geschwindigkeits-Begrenzung deaktiviert, "blinke ich links" ist nur die Anfahrschwäche deaktiviert.
Bei Blinkerschalter in der Mitte ist der Scooter "STVO konform".
Moin Mütze, die Lösung mit dem Blinker ist genial. Kannst du mir ne PM mit näheren Details schicken oder eine Anleitung hier in den Thread posten? Vielen Dank!

Wahrscheinlich reicht es aus kurz zu schreiben wie der ER61 verkabelt wird.

Mütze
Beiträge: 13
Registriert: Sa 16. Nov 2019, 18:37
Roller: Exit Cross
PLZ: 18
Kontaktdaten:

Re: Exit Cross Geschwindigkeitsbeschränkung aufheben - hier die Lösung

Beitrag von Mütze »

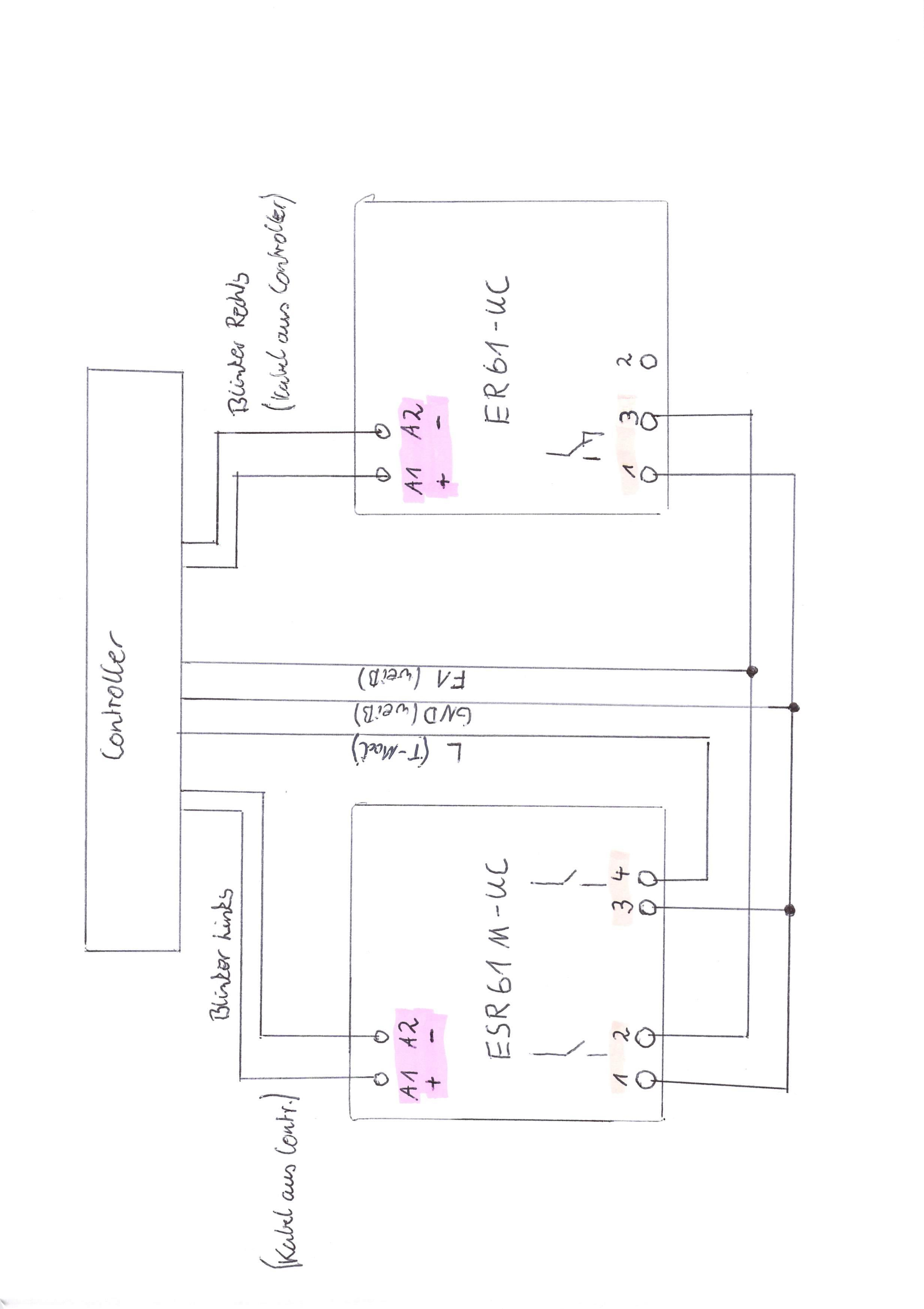
0001.jpg
Hallo, so wäre der Schaltplan. Leider weiß ich die Farben vom Blinkerausgang nicht mehr.

baggermatsch
Beiträge: 3
Registriert: Mo 9. Dez 2019, 09:38
PLZ: 2
Kontaktdaten:

Re: Exit Cross Geschwindigkeitsbeschränkung aufheben - hier die Lösung

Beitrag von baggermatsch »

:shock: vielen lieben Dank!

Edit: bin kein Experte, aber diese vereinfachte Version wäre so korrekt? Und wo schließe ich das Blinkerkabel vom Griff an?

Keine Sorge, ich lasse das lieber machen, aber ich will es wenigstens verstanden haben :D
Dateianhänge
20191210_090305.jpg

colorado109
Beiträge: 29
Registriert: So 24. Nov 2019, 13:57
Roller: IO Hawk - Exit Cross
PLZ: 77736
Kontaktdaten:

Re: Exit Cross Geschwindigkeitsbeschränkung aufheben - hier die Lösung

Beitrag von colorado109 »

Nochnichtda hat geschrieben:
Mi 4. Dez 2019, 23:10
(...)

Dann habe ich mir bei Conrad ein Print-Relais 48V besorgt (Art.Nr. 503909) und dieses wie auf folgendem Bild verdrahtet:

44518A3E-EE09-4E7F-A9FF-A67147D374C2.jpeg

Am linken Anschluss wird die Vorderlampe angesteckt. Der zweite 3-pol.-Stecker wird mit dem Controller verbunden. Dort mit dem 3-pol. Grün-Rot-Schwarz, an dem original das Vorderlicht dran war.
Die anderen beiden schwarzen Kabel sind am Relais an der Schließer-Funktion angelötet. Wenn die Stecker dieser beiden Kabel nun mit den Steckern der weißen Kabel verbunden werden, so lässt sich beim Drücken der Hupen-Taste das Relais schalten, und das Relais verbindet die weißen Kabel. Da haben wir ja vorher jenes, was auf F1 gelötet war, auf L geändert, so dass durch Schalten des Relais L mit GND verbunden wird. Das Limit ist damit aufgehoben. Sobald der Hupentaster losgelassen wird, regelt der Controller wieder auf 19-20 km/h.

(...)
Woher hast du die passenden Stecker? Danke für die Anleitung!

Edit:
Du hast ja weitere stecker gebraucht, da du das Print-Relais dazwischen steckst.
Die hier:
44518A3E-EE09-4E7F-A9FF-A67147D374C2.jpg
44518A3E-EE09-4E7F-A9FF-A67147D374C2.jpg (112.46 KiB) 1602 mal betrachtet
Könnten es diese sein : https://de.aliexpress.com/item/3299193 ... 201603_53 ?
Gruß
colorado109

Torsten
Beiträge: 31
Registriert: Fr 15. Nov 2019, 08:57
Roller: Exit Cross
PLZ: 5
Kontaktdaten:

Re: Exit Cross Geschwindigkeitsbeschränkung aufheben - hier die Lösung

Beitrag von Torsten »

Oder auch schneller in 1-6 Pin:
https://www.ebay.de/itm/183639212375

Grüße,
Torsten

Nochnichtda
Beiträge: 29
Registriert: Sa 5. Okt 2019, 13:14
Roller: IO Hawk Exit Cross
PLZ: 815
Wohnort: München
Kontaktdaten:

Re: Exit Cross Geschwindigkeitsbeschränkung aufheben - hier die Lösung

Beitrag von Nochnichtda »

colorado109 hat geschrieben:
Mi 11. Dez 2019, 10:02
Nochnichtda hat geschrieben:
Mi 4. Dez 2019, 23:10
(...)

Dann habe ich mir bei Conrad ein Print-Relais 48V besorgt (Art.Nr. 503909) und dieses wie auf folgendem Bild verdrahtet:

44518A3E-EE09-4E7F-A9FF-A67147D374C2.jpeg

Am linken Anschluss wird die Vorderlampe angesteckt. Der zweite 3-pol.-Stecker wird mit dem Controller verbunden. Dort mit dem 3-pol. Grün-Rot-Schwarz, an dem original das Vorderlicht dran war.
Die anderen beiden schwarzen Kabel sind am Relais an der Schließer-Funktion angelötet. Wenn die Stecker dieser beiden Kabel nun mit den Steckern der weißen Kabel verbunden werden, so lässt sich beim Drücken der Hupen-Taste das Relais schalten, und das Relais verbindet die weißen Kabel. Da haben wir ja vorher jenes, was auf F1 gelötet war, auf L geändert, so dass durch Schalten des Relais L mit GND verbunden wird. Das Limit ist damit aufgehoben. Sobald der Hupentaster losgelassen wird, regelt der Controller wieder auf 19-20 km/h.

(...)
Woher hast du die passenden Stecker? Danke für die Anleitung!

Edit:
Du hast ja weitere stecker gebraucht, da du das Print-Relais dazwischen steckst.
Die hier:
44518A3E-EE09-4E7F-A9FF-A67147D374C2.jpg

Könnten es diese sein : https://de.aliexpress.com/item/3299193 ... 201603_53 ?
Gruß
colorado109
Sorry für das späte Antworten.

Ich habe mir gleich eine ganze Box mit diesen Steckern/Buchsen gekauft. So bleibt noch genug für spätere Projekte, auch abseits des Exit Cross.

Ich habe diese hier https://www.amazon.de/dp/B0716JMHNJ/ref ... 9DbJJWQA27 bei Amazon gekauft.

Aber die bekommt man auch anderswo.

Antworten

Zurück zu „IO Hawk“

Wer ist online?

Mitglieder in diesem Forum: 0 Mitglieder und 12 Gäste