Ein hallo an alle,
wenn ich die Hupe an der Tante Paula Ferdinand 2 betätige, fährt es nicht mehr.
Ich muss die Elektronik per "Zündschlüssel" neu starten, dann fährt es wieder.
Ideen?
Gruß Holger
Tante Paula Ferdinand 2 fährt nicht mehr nach hupen
- MEroller
- Moderator
- Beiträge: 19303
- Registriert: Mo 1. Nov 2010, 22:37
- Roller: Zero S 11kW ZF10.5/erider Thunder (R.I.P)
- PLZ: 7
- Tätigkeit: Entwickler (Traktionsbatterie)
- Kontaktdaten:
Re: Tante Paula Ferdinand 2 fährt nicht mehr nach hupen
Zero S 11kWZF10.5
e-rider Thunder 5000: Ruht in Frieden
e-rider Thunder 5000: Ruht in Frieden
- Harry
- Beiträge: 2140
- Registriert: Di 21. Jun 2011, 21:08
- Roller: Citycoco LM-SC14 / Shansu e-Trike CP-7
- PLZ: 49479
- Wohnort: Ibbenbüren
- Kontaktdaten:
Re: Tante Paula Ferdinand 2 fährt nicht mehr nach hupen
Hallo Holger,
WILLKOMMEN im Forum!
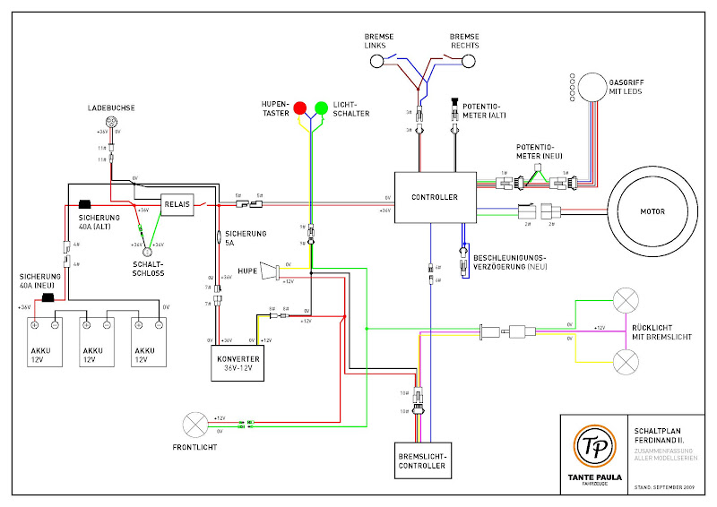
Nach dem Schaltplan hat die Hupe nichts mit dem Controller zu tun.

Vielleicht hast Du eine Berührung in den Kabeln vom Lenker kommend.
WILLKOMMEN im Forum!
Nach dem Schaltplan hat die Hupe nichts mit dem Controller zu tun.

Vielleicht hast Du eine Berührung in den Kabeln vom Lenker kommend.
Gruß Harry
Re: Tante Paula Ferdinand 2 fährt nicht mehr nach hupen
Danke für die Hilfe!
Was macht denn der Controller?
Hat er so eine Art Sicherungsfunktion bei Überlast?
Vg Holger
Was macht denn der Controller?
Hat er so eine Art Sicherungsfunktion bei Überlast?
Vg Holger
- Harry
- Beiträge: 2140
- Registriert: Di 21. Jun 2011, 21:08
- Roller: Citycoco LM-SC14 / Shansu e-Trike CP-7
- PLZ: 49479
- Wohnort: Ibbenbüren
- Kontaktdaten:
Re: Tante Paula Ferdinand 2 fährt nicht mehr nach hupen
Hallo Holger,
der Controller ist die Schaltzentrale, bei längerer Überlast stirbt er den Hitzetot.
Wenn man bei TP längere Zeit den „Gasgriff“ nicht betätigt, schaltet sich der eScooter automatisch ab. Man muss den Schlüsselschalter betätigen, um TP wieder anzuschalten. Dieser Effekt tritt bei Dir auf, wenn Du die Hupe benutzt. Wenn Du Pech hast, brauchst Du einen neuen Controller, oder als Alternative eine Fahrradklingel.
der Controller ist die Schaltzentrale, bei längerer Überlast stirbt er den Hitzetot.
Wenn man bei TP längere Zeit den „Gasgriff“ nicht betätigt, schaltet sich der eScooter automatisch ab. Man muss den Schlüsselschalter betätigen, um TP wieder anzuschalten. Dieser Effekt tritt bei Dir auf, wenn Du die Hupe benutzt. Wenn Du Pech hast, brauchst Du einen neuen Controller, oder als Alternative eine Fahrradklingel.

Gruß Harry
Re: Tante Paula Ferdinand 2 fährt nicht mehr nach hupen
Passiert beim Einschalten des lichts dasselbe bzw. hat dieses eventuell einen Kurzschluss ?
beide haengen passiv an einem buck-converter/ Spannungswandler, welcher wiederum durch relais mit dem Hauptstromkreis an die batterie angeschlossen sind.
Falls das Relais kaputt ist oder/ udn eine falsche Sicherung ( mehr als 5 Ampere) eingestzt wurde kann das Einschalten der Hupe den Controller zum Reset veranlassen.
Geht das Licht generell noch an wenn der Scooter am ladekabel haengt und der Schalter beteatigt wird ?
beide haengen passiv an einem buck-converter/ Spannungswandler, welcher wiederum durch relais mit dem Hauptstromkreis an die batterie angeschlossen sind.
Falls das Relais kaputt ist oder/ udn eine falsche Sicherung ( mehr als 5 Ampere) eingestzt wurde kann das Einschalten der Hupe den Controller zum Reset veranlassen.
Geht das Licht generell noch an wenn der Scooter am ladekabel haengt und der Schalter beteatigt wird ?
Re: Tante Paula Ferdinand 2 fährt nicht mehr nach hupen
Danke für die guten Tipps.
Ich gehe mit den neuen Informationen mal auf die ´"Suche" und melde mich dann.....
Ich gehe mit den neuen Informationen mal auf die ´"Suche" und melde mich dann.....
Re: Tante Paula Ferdinand 2 fährt nicht mehr nach hupen
Jetzt bin ich endlich zum Nachsehen gekommen.
Das Problem lag an der Hupe selbst. Diese schaltete, sobald das Gehäuse der Hupe mit dem Rahmen Kontakt hatte, die LEDs beim hupen aus.
Ohne Kontakt zum Rahmen, frei hängend, ging alles gut.
An den elektrischen Kontakten hat ein Vorbesitzer einen Kondensator und eine Diode installiert. Das half nichts.
Ich habe nun eine alte KFZ Hupe "made in Germany" installiert. Bis jetzt geht's...
Im Hinterrad habe ich einen schleichenden Druckverlust. Ich werde jetzt mal den Schlauch tauschen.....
Das Problem lag an der Hupe selbst. Diese schaltete, sobald das Gehäuse der Hupe mit dem Rahmen Kontakt hatte, die LEDs beim hupen aus.
Ohne Kontakt zum Rahmen, frei hängend, ging alles gut.
An den elektrischen Kontakten hat ein Vorbesitzer einen Kondensator und eine Diode installiert. Das half nichts.
Ich habe nun eine alte KFZ Hupe "made in Germany" installiert. Bis jetzt geht's...
Im Hinterrad habe ich einen schleichenden Druckverlust. Ich werde jetzt mal den Schlauch tauschen.....
Wer ist online?
Mitglieder in diesem Forum: 0 Mitglieder und 12 Gäste