Hallo Forum, Vorstellung und ZPM2000DQT

Motorroller mit E-Antrieb
Antworten
Waldmensch

Re: Hallo Forum, Vorstellung und ZPM2000DQT

Beitrag von Waldmensch »

Joehannes hat geschrieben:Das will freiwillig hier Niemand machen.
Controlertausch ist die einfache Lösung. Zum Test geht ein Zokes 48V800Watt auch.
Funzt oder funzt nicht. :ugeek:

http://www.ebay.de/itm/E-Scooter-Elektr ... 5401dcf620

Wutt? Das ist doch kein Brushless! :shock:

Waldmensch

Re: Hallo Forum, Vorstellung und ZPM2000DQT

Beitrag von Waldmensch »

Wenn mich alle im Stich lassen und es der Controller ist wäre die Option noch dieser Kellycontroller - der sollte doch an den 2,2kW Motor bei 48V Blei passen, oder? Zusätzlich würde ich ReGen und Software Programmierbarkeit bekommen http://kellycontroller.com/kbl48101x24v ... -p-54.html


Und wenn es der Motor ist - Scheibenbremse nachrüsten und diesen nehmen? http://kellycontroller.com/hub-motor-48 ... p-164.html

STW
Beiträge: 8409
Registriert: So 22. Feb 2009, 11:31
Roller: RGNT Classic NO. 1 SEL
PLZ: 14***
Wohnort: bei Berlin
Kontaktdaten:

Re: Hallo Forum, Vorstellung und ZPM2000DQT

Beitrag von STW »

Zucken läßt sich durch manuelles Andrehen des Rades und dann Gas geben reproduzieren oder auch nicht. Dann ist auch noch zu prüfen, ob das Hinterrad schwerer dreht = Phasenschluß im Controller oder den Leitungswegen.
Weiterhin: 5V messen an Hallsensoren / Gasgriff, Phasen trennen und auf Kurzschluß messen, Hallsensoren des Motors messen.

Es gibt also noch einige Prüfungsmöglichkeiten, die den Tod des Controllers bestätigen könnten. Dej besser wegen Garantie zulassen.
RGNT V2 ab 01/23 > 20000km
NIU NGT ab 06/20 Km-Stand > 36000km, nach Unfall verkauft in 5/23
Niu NPro seit 09/19 Km-Stand > 8000km - Verkauft in 10/22
Ahamani Swap Bj 2007 - 2.4KW - Vario - Km-Stand > 27.000km - 40AH Thundersky ab 11/08 - CALB 70AH seit 10/11 -Verschrottung 09/19

Benutzeravatar
Joehannes
Beiträge: 3419
Registriert: So 22. Feb 2009, 12:32
PLZ: 9645
Wohnort: Oberfranken
Kontaktdaten:

Re: Hallo Forum, Vorstellung und ZPM2000DQT

Beitrag von Joehannes »

Oh, der hat ja nur 2 Motorphasen. Zum Testen ist dann der nix.
Also doch einen Zokes-Controller zum testen suchen.
Der Kelly ist natürlich eine Nummer für sich, aber wenn es nicht der Controller ist?

Findest Du die 5V am Hallstecker / Drehgriff?

Waldmensch

Re: Hallo Forum, Vorstellung und ZPM2000DQT

Beitrag von Waldmensch »

STW hat geschrieben:Zucken läßt sich durch manuelles Andrehen des Rades und dann Gas geben reproduzieren oder auch nicht. Dann ist auch noch zu prüfen, ob das Hinterrad schwerer dreht = Phasenschluß im Controller oder den Leitungswegen.
Weiterhin: 5V messen an Hallsensoren / Gasgriff, Phasen trennen und auf Kurzschluß messen, Hallsensoren des Motors messen.

Es gibt also noch einige Prüfungsmöglichkeiten, die den Tod des Controllers bestätigen könnten. Dej besser wegen Garantie zulassen.
Also schwer schieben läßt er sich - das kam mir heute morgen extrem vor. Wie leicht muß sich so ein Rad drehen? Ich denk mal das der Motor schon ein bisschen Widerstand haben muß?!

Wie mess ich die Hallsensoren? Müssen die bei eingeschalteter Zündung gegen Fahrzeugmasse 5V haben? Ich habe so einen Gasgriff noch nicht zerlegt. Auch weiß ich nicht was mich beim Öffnen des Controllerkasten erwartet. Irgendwo müssen ja Steckverbinder sein. Aus dem Controller kommt nur ein dicker Tampen (Gänsegurgel) raus und verschwindet irgendwo.

Waldmensch

Re: Hallo Forum, Vorstellung und ZPM2000DQT

Beitrag von Waldmensch »

So, endlich zuhause und mal in der Garage gewesen. Lenkerverkleidung abgeschraubt - Man was für ein Pfusch (s.Fotos) Die Adern sind aber noch nicht frei - maximal gebrochen. Unten habe ich einen losen Stecker gefunden der aber scheinbar kein Gegenstück hat. Das Rad dreht sich nicht leicht aber auch nicht schwer. Auch kein teilweiser Schwergang. Das Zucken kann ich nicht reproduzieren bei Raddrehung. Es tut sich rein gar nichts. Mehr konnte ich jetzt in der dunklen Garage nicht machen.

Fahrstufenschalter
13867874678352.jpg
Gasgriff
13867874679943.jpg
Ein loser Stecker ohne auf die Schnelle auffindbares Gegenstück. Der rest sieht eigentlich Okay aus
13867874688447.jpg
Da ist noch so eine Art Klemmverteiler. 3 Bunte Kabel Motor Zuleitung und das Battriepack gehen da rüber
13867874686236.jpg

Waldmensch

Re: Hallo Forum, Vorstellung und ZPM2000DQT

Beitrag von Waldmensch »

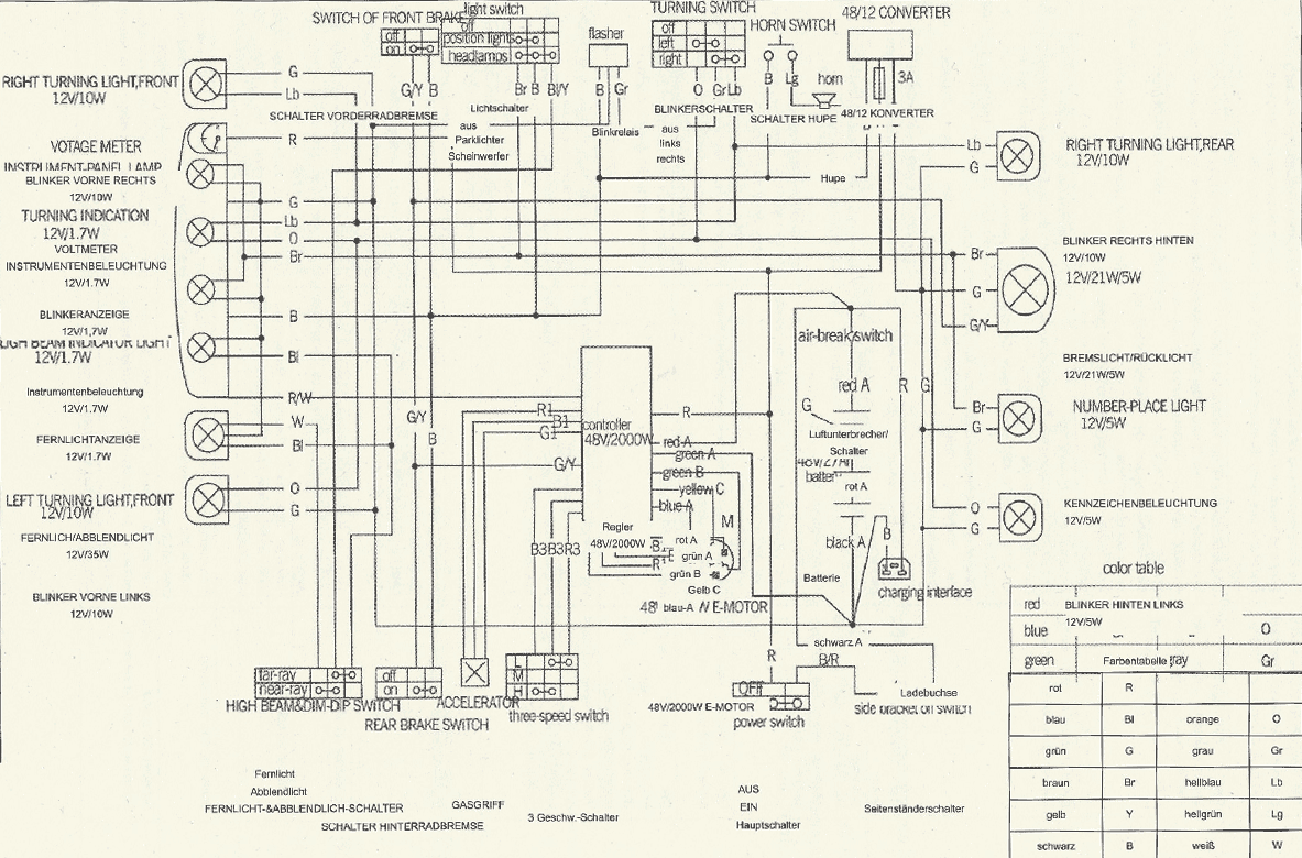
Hier ist noch der Schaltplan. Übrigens steht in der Anleitung auch der Importeur. Die KSR-Group in Krems (Österreich)

Schaltplan.png

Benutzeravatar
Joehannes
Beiträge: 3419
Registriert: So 22. Feb 2009, 12:32
PLZ: 9645
Wohnort: Oberfranken
Kontaktdaten:

Re: Hallo Forum, Vorstellung und ZPM2000DQT

Beitrag von Joehannes »

Vielleicht hilft Dir das Thema etwas weiter.

viewtopic.php?f=9&t=1819

Peter51
Beiträge: 6502
Registriert: Sa 6. Aug 2011, 10:04
Roller: E-Max 90s, E-Max 110s, E-Max 120s
PLZ: 2
Kontaktdaten:

Re: Hallo Forum, Vorstellung und ZPM2000DQT

Beitrag von Peter51 »

@Waldmensch
Wenn sich der Roller normal schwer schieben läßt ist der Controller ersteinmal in Ordnung. Der Stromgriff hat einen eingebauten Magneten und Hallsensor. Vom Controller bekommt er 0V (Masse) und 5V. Das dritte Kabel gibt 1,0...4,2V (Drehzahlsollwert) an den Controller zurück. DAS zunächst einmal überprüfen!
Controller überprüfen, wenn der Roller sich schwer schieben läßt:
Alle Kabel vom Controller lösen. Wenn der Controller Übernacht am Plus und Minusanschluß keine Spannung mehr hat ( Elektrolytkondensatoren 80V Nennspannung sind entladen:
Controllermotorphasen gegen einander mit einem Ohmmeter messen:
U gegen V sollte 15kOhm sein
V gegen W sollte 15kOhm sein
U gegen W sollte 15kOhm sein
Werte um Null Ohm = Controller defekt.
Hallsensoren im Motor überprüfen:
Vom Motor zum Controller geht ein fünfpoliger Stecker:
Dünnes rote Kabel sollte bei eingeschalteter Zündung und Roller auf dem Hauptständer 5V (Versorgungsspannung für die Hallsensoren) gemessen gegen dünnes schwarzes Kabel 0V (Masse) haben.
Die 3 anderen dünnen Kabel sind die Hallsensoren Ausgänge. Zweite Person dreht langsam das Hinterrad. Voltmeter Meßbereich 5V Gleichspannung sollte nacheinander gemessen zwischen dem dünnen roten Kabel und den gelb und grünen und blauen Kabel wechselnden Zeigerausschlag haben.
Wenn nicht, auch ein defekter Hallsensor läßt sich mit Forumshilfe wechseln.......
Gutes Gelingen!
E-Max 90s von 2012 - Vmax>46km/h - km-Stand >5150 - 16x Littokala 51,2V 105Ah = 5kWh. JK-B1A24S15P - Sevcon Gen4
E-Max 110s von 2010 - Vmax>50km/h - km-Stand >1.800 - 4x Littokala 72V 50Ah = 14,4kWh
E-Max 120s von 2015 - Vmax 80km/h - TÜV 03.2026 - 72V100Ah LFP-Akku - JK-B2A24S15P Balancer BT - MQ Controller BT

Waldmensch

Re: Hallo Forum, Vorstellung und ZPM2000DQT

Beitrag von Waldmensch »

Joehannes hat geschrieben:Vielleicht hilft Dir das Thema etwas weiter.

viewtopic.php?f=9&t=1819

Jopp, das hilft schon mal. An die 3 Phasen vom Motor komme ich über das Klemmbrett super ran. Der Rest (Hall) muß da auch irgendwo rumfliegen. Ansonsten habe ich ja als Controller auch so ein Außenboarder von Lishui (oder so). Der kann natürlich in den letzten Tagen auch etwas Feuchtigkeit gezogen haben.

Auf jeden Fall habe ich auch mal die KSR Group per Mail angefragt, den Fall geschildert, nach einer Werkstatt in der Nähe gefragt und angeboten das ich auch selber Teile tauschen könne aber zur Diagnose nur ein Multimeter hab. Mal sehen was draus wird. Ich weiß nur, das der Händler, der mir den Roller verkauft hat, sich damit vermutlich weniger auskennt als ich (der verkauft Crossmaschinen). Zudem über 100km entfernt. Eventuell kommt ja mein Heidenau Latsch auch noch vorm Wochenende. Da fängt der Jahresresturlaub richtig gut an :?

@ Peter51: Danke!!! Das kann ich alles mit meinen Mitteln prüfen. Schwer wird nur, die richtigen Adern zu finden. Ich bin kein Schaltplan Versteher - weiß jemand wofür die 1 hinter den Gasgriff Farben R1,B1,G1 steht? (s.Schaltplan) Oder ist das nur Synonym für "die Adern sind in einem Kabel"

Antworten

Zurück zu „Elektroroller“

Wer ist online?

Mitglieder in diesem Forum: 0 Mitglieder und 17 Gäste