Und noch´n Kabelsalat
-
Peter51
- Beiträge: 6502
- Registriert: Sa 6. Aug 2011, 10:04
- Roller: E-Max 90s, E-Max 110s, E-Max 120s
- PLZ: 2
- Kontaktdaten:
Re: Und noch´n Kabelsalat
Hallo Zimbow,
es kann sein, daß die 5A Sicherung für 60V und die 15A Sicherung im DC DC Wandler eingebaut waren!
es kann sein, daß die 5A Sicherung für 60V und die 15A Sicherung im DC DC Wandler eingebaut waren!
E-Max 90s von 2012 - Vmax>46km/h - km-Stand >5150 - 16x Littokala 51,2V 105Ah = 5kWh. JK-B1A24S15P - Sevcon Gen4
E-Max 110s von 2010 - Vmax>50km/h - km-Stand >1.800 - 4x Littokala 72V 50Ah = 14,4kWh
E-Max 120s von 2015 - Vmax 80km/h - TÜV 03.2026 - 72V100Ah LFP-Akku - JK-B2A24S15P Balancer BT - MQ Controller BT
E-Max 110s von 2010 - Vmax>50km/h - km-Stand >1.800 - 4x Littokala 72V 50Ah = 14,4kWh
E-Max 120s von 2015 - Vmax 80km/h - TÜV 03.2026 - 72V100Ah LFP-Akku - JK-B2A24S15P Balancer BT - MQ Controller BT
-
Zimbow
Re: Und noch´n Kabelsalat
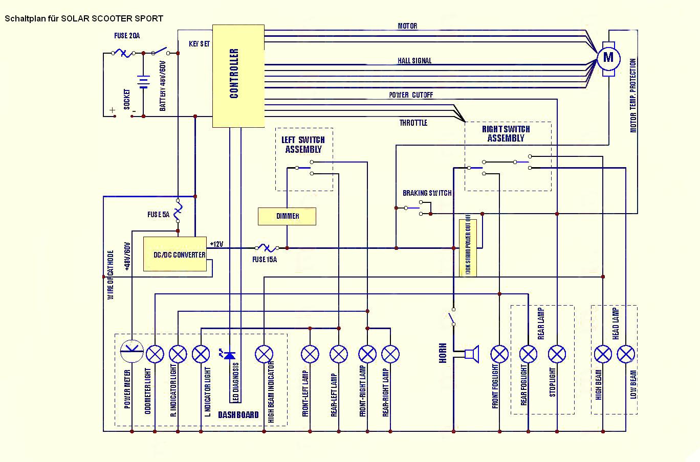
Laut dem Schaltplan ist es so ....
Ach so, Du meinst die sind physich gar nicht vorhanden, waren im DC/DC Wandler integriert - oder was ...
Ach so, Du meinst die sind physich gar nicht vorhanden, waren im DC/DC Wandler integriert - oder was ...
-
Peter51
- Beiträge: 6502
- Registriert: Sa 6. Aug 2011, 10:04
- Roller: E-Max 90s, E-Max 110s, E-Max 120s
- PLZ: 2
- Kontaktdaten:
Re: Und noch´n Kabelsalat
Im Schaltplan sind sie extern gezeichnet. Wie gesagt vielleicht waren sie - die Sicherungen - im DC DC Wandler integriert.
Vielleicht weiß Titanusman da mehr, weil er ja einen baugleichen Solar Scooter Sport sein eigen nennt.
Die 12V Seite entspricht ja einem Benziner.
Vielleicht ersteinmal die 60V Seite anschauen:
Plus 60V geht zum Sicherungsautomat und dann zum Controller und parallel zum Ladestecker.
Desweiteren geht von den plus 60V ein Kabel zum DC DC Wandler - Wandler war links neben der Lenksäule?
Desweiteren geht von den plus 60V ein dünnes rotes Kabel zum Zündschloß und vom Zündschloß ein dünnes rotes Kabel zum Controller. Erst einmal bis hierhin, dann sind wir schon ganz schön weit und der Motor dreht bald
So ganz nebenbei:
Im Schaltplan ist die Ladebuchse mit einer 20A Sicherung abgesichert.
Im Schaltplan ist zwischen plus 60V und Controller kein Sicherungsautomat 100A eingezichnet, gehört aber einer 'rein und ist ja auch vorhanden!
Vielleicht weiß Titanusman da mehr, weil er ja einen baugleichen Solar Scooter Sport sein eigen nennt.
Die 12V Seite entspricht ja einem Benziner.
Vielleicht ersteinmal die 60V Seite anschauen:
Plus 60V geht zum Sicherungsautomat und dann zum Controller und parallel zum Ladestecker.
Desweiteren geht von den plus 60V ein Kabel zum DC DC Wandler - Wandler war links neben der Lenksäule?
Desweiteren geht von den plus 60V ein dünnes rotes Kabel zum Zündschloß und vom Zündschloß ein dünnes rotes Kabel zum Controller. Erst einmal bis hierhin, dann sind wir schon ganz schön weit und der Motor dreht bald
So ganz nebenbei:
Im Schaltplan ist die Ladebuchse mit einer 20A Sicherung abgesichert.
Im Schaltplan ist zwischen plus 60V und Controller kein Sicherungsautomat 100A eingezichnet, gehört aber einer 'rein und ist ja auch vorhanden!
E-Max 90s von 2012 - Vmax>46km/h - km-Stand >5150 - 16x Littokala 51,2V 105Ah = 5kWh. JK-B1A24S15P - Sevcon Gen4
E-Max 110s von 2010 - Vmax>50km/h - km-Stand >1.800 - 4x Littokala 72V 50Ah = 14,4kWh
E-Max 120s von 2015 - Vmax 80km/h - TÜV 03.2026 - 72V100Ah LFP-Akku - JK-B2A24S15P Balancer BT - MQ Controller BT
E-Max 110s von 2010 - Vmax>50km/h - km-Stand >1.800 - 4x Littokala 72V 50Ah = 14,4kWh
E-Max 120s von 2015 - Vmax 80km/h - TÜV 03.2026 - 72V100Ah LFP-Akku - JK-B2A24S15P Balancer BT - MQ Controller BT
-
Peter51
- Beiträge: 6502
- Registriert: Sa 6. Aug 2011, 10:04
- Roller: E-Max 90s, E-Max 110s, E-Max 120s
- PLZ: 2
- Kontaktdaten:
Re: Und noch´n Kabelsalat
......ich denke deine Schaltungsergänzung verwirrt einwenig. Der Schalter gegenüber der 20A Sicherung schaltet den Hauptstrom und soll wohl den 100A Sicherungsautomaten darstellen.
Das Zündschloß (key set ?) ignition lock bekommt +60V vom Sicherungsautomat und gibt die +60V über ein dünnes rotes Kabel wieder zurück zum Controller - geht aus dem originalen und deinem geänderten Schaltplan leider nicht hervor.
Das Zündschloß (key set ?) ignition lock bekommt +60V vom Sicherungsautomat und gibt die +60V über ein dünnes rotes Kabel wieder zurück zum Controller - geht aus dem originalen und deinem geänderten Schaltplan leider nicht hervor.
E-Max 90s von 2012 - Vmax>46km/h - km-Stand >5150 - 16x Littokala 51,2V 105Ah = 5kWh. JK-B1A24S15P - Sevcon Gen4
E-Max 110s von 2010 - Vmax>50km/h - km-Stand >1.800 - 4x Littokala 72V 50Ah = 14,4kWh
E-Max 120s von 2015 - Vmax 80km/h - TÜV 03.2026 - 72V100Ah LFP-Akku - JK-B2A24S15P Balancer BT - MQ Controller BT
E-Max 110s von 2010 - Vmax>50km/h - km-Stand >1.800 - 4x Littokala 72V 50Ah = 14,4kWh
E-Max 120s von 2015 - Vmax 80km/h - TÜV 03.2026 - 72V100Ah LFP-Akku - JK-B2A24S15P Balancer BT - MQ Controller BT
- MEroller
- Moderator
- Beiträge: 19405
- Registriert: Mo 1. Nov 2010, 22:37
- Roller: Zero S 11kW ZF10.5/erider Thunder (R.I.P)
- PLZ: 7
- Tätigkeit: Entwickler (Traktionsbatterie)
- Kontaktdaten:
Re: Und noch´n Kabelsalat
Alf20658 hat geschrieben:Wenn Dein Motor dann noch 5KW hat ist der schon recht ordentlich.![]()
Der Motor sieht gleich (etwas neuer, der Deine
Wenn der Motor auf der hier fotografierten Seite auf dem blanken Ring um den Stern in Achsmitte die Nummer 09050116 eingeschlagen hat ist das ein 5 (nominal
Aber erst braucht es noch eine Batterie und den DC/DC-Wandler...
PS: Das Motorkabel sah bei mir damals dicker aus als bei Dir, weil ein "Schutzschlauch" darüber geschoben wurde von meinem Händler, der dann im Motor drin schmolz und ihm vollends den Garaus machte. Also am Besten das Motorkabel ganauso lassen wie es ist...
Zero S 11kWZF10.5
e-rider Thunder 5000: Ruht in Frieden
e-rider Thunder 5000: Ruht in Frieden
-
Peter51
- Beiträge: 6502
- Registriert: Sa 6. Aug 2011, 10:04
- Roller: E-Max 90s, E-Max 110s, E-Max 120s
- PLZ: 2
- Kontaktdaten:
Re: Und noch´n Kabelsalat
....es macht schon Sinn eine 20A Sicherung zwischen 10A Ladegerät und Batteriepack 60...64V und 40Ah zu haben z.B. wenn das Ladegerät defekt ist und versucht den Batteriepack kurz zu schließen! Naja, ein Ladegerät wird seinerseits eine Sicherung im Ausgang haben. Immer wenn der Strom von einer dicken Leitung auf eine dünne Leitung abzweigt, sollte eine Sicherung vorhanden sein. Der Fahrstrom ist über den 100A Sicherungsautomat abgesichtert. Von den +60V geht ein dünnes rotes - also Sicherung 5AAlf20658 hat geschrieben:Genauso wie dargestellt funktioniert das Ganze................
Es sind auch keine Leitungsdimensionierungen dargestellt.....
Und wofür ist Deiner Meinung nach der 20 Ampere-Sicherungsautomat....?
für z.B. 0,75 mm² vorsehen - zum Zündschloß und vom Zündschloß zum Controller. Also so weit liegen wir gar nicht auseinander.
E-Max 90s von 2012 - Vmax>46km/h - km-Stand >5150 - 16x Littokala 51,2V 105Ah = 5kWh. JK-B1A24S15P - Sevcon Gen4
E-Max 110s von 2010 - Vmax>50km/h - km-Stand >1.800 - 4x Littokala 72V 50Ah = 14,4kWh
E-Max 120s von 2015 - Vmax 80km/h - TÜV 03.2026 - 72V100Ah LFP-Akku - JK-B2A24S15P Balancer BT - MQ Controller BT
E-Max 110s von 2010 - Vmax>50km/h - km-Stand >1.800 - 4x Littokala 72V 50Ah = 14,4kWh
E-Max 120s von 2015 - Vmax 80km/h - TÜV 03.2026 - 72V100Ah LFP-Akku - JK-B2A24S15P Balancer BT - MQ Controller BT
-
Zimbow
Re: Und noch´n Kabelsalat
Ihr seid spitze
Am Anfang war alles nur ein Klumpen Kabel - jetzt sehe ich schon klarer.
Werde heute Abend gleich mal nach dem Motor schauen.
Da es so viel Spaß macht von Euch zu lernen, habe ich gleich einen weiteren Tread (oder wie heißt das auf neudeutsch) aufgemacht.
Gruß
Zimbow
Werde heute Abend gleich mal nach dem Motor schauen.
Da es so viel Spaß macht von Euch zu lernen, habe ich gleich einen weiteren Tread (oder wie heißt das auf neudeutsch) aufgemacht.
Gruß
Zimbow
-
Zimbow
Re: Und noch´n Kabelsalat
Schade, hab leider keine Nummer am Motor gefunden ... 
Nur den Hinweis: http://www.erider.cn - doch die Homepage sagt nicht viel ....
Aber bin trotzdem zufrieden - am Wochenende wird mal mit den Notbatterien getestet.
Übrigens, wenn sich der Roller bewährt, und ich bin sicher das wird er, dann werde ich ihn im Sommer schlachten (für den Kaninenroller).
Wer also noch die Gabel oder Plastikteile gebrauchen kann, bitte melden.
Gruß Zimbow
Nur den Hinweis: http://www.erider.cn - doch die Homepage sagt nicht viel ....
Aber bin trotzdem zufrieden - am Wochenende wird mal mit den Notbatterien getestet.
Übrigens, wenn sich der Roller bewährt, und ich bin sicher das wird er, dann werde ich ihn im Sommer schlachten (für den Kaninenroller).
Wer also noch die Gabel oder Plastikteile gebrauchen kann, bitte melden.
Gruß Zimbow
-
Peter51
- Beiträge: 6502
- Registriert: Sa 6. Aug 2011, 10:04
- Roller: E-Max 90s, E-Max 110s, E-Max 120s
- PLZ: 2
- Kontaktdaten:
Re: Und noch´n Kabelsalat
....es wird ein Quanshun Motor sein, wie er auch von Kelly Control vertrieben wird. Versuchs 'mal auf deren homepage.
E-Max 90s von 2012 - Vmax>46km/h - km-Stand >5150 - 16x Littokala 51,2V 105Ah = 5kWh. JK-B1A24S15P - Sevcon Gen4
E-Max 110s von 2010 - Vmax>50km/h - km-Stand >1.800 - 4x Littokala 72V 50Ah = 14,4kWh
E-Max 120s von 2015 - Vmax 80km/h - TÜV 03.2026 - 72V100Ah LFP-Akku - JK-B2A24S15P Balancer BT - MQ Controller BT
E-Max 110s von 2010 - Vmax>50km/h - km-Stand >1.800 - 4x Littokala 72V 50Ah = 14,4kWh
E-Max 120s von 2015 - Vmax 80km/h - TÜV 03.2026 - 72V100Ah LFP-Akku - JK-B2A24S15P Balancer BT - MQ Controller BT
- MEroller
- Moderator
- Beiträge: 19405
- Registriert: Mo 1. Nov 2010, 22:37
- Roller: Zero S 11kW ZF10.5/erider Thunder (R.I.P)
- PLZ: 7
- Tätigkeit: Entwickler (Traktionsbatterie)
- Kontaktdaten:
Re: Und noch´n Kabelsalat
Nein, das ist zwar wahrscheinlich ein Quanschun Nachbau, aber es ist das eigene Gehäuse von Xiamen ZAP/Erider, die auch ihre (extrem vernachlässigte) Homepageadresse in den Deckel geprägt haben.
Die Motornummer sollte in den inneren Ring eingeprägt sein, der um den Stern rum läuft. Aber die sichtbare Hälfte des Rings hat nichts dergleichen drin... Wenn da auf der nicht sichtbaren Hälfte nix ist, müsste die Nummer aber auch in der CoC zum Roller stehen...
Die Motornummer sollte in den inneren Ring eingeprägt sein, der um den Stern rum läuft. Aber die sichtbare Hälfte des Rings hat nichts dergleichen drin... Wenn da auf der nicht sichtbaren Hälfte nix ist, müsste die Nummer aber auch in der CoC zum Roller stehen...
Zuletzt geändert von MEroller am Mi 21. Nov 2012, 21:41, insgesamt 1-mal geändert.
Zero S 11kWZF10.5
e-rider Thunder 5000: Ruht in Frieden
e-rider Thunder 5000: Ruht in Frieden
Wer ist online?
Mitglieder in diesem Forum: 0 Mitglieder und 20 Gäste