Club der 10-Tausender
-
antonius
- Beiträge: 234
- Registriert: Sa 4. Jul 2009, 19:33
- Roller: E-rider B3000, Fury 100
- PLZ: 8052
- Land: A
- Wohnort: Graz
- Tätigkeit: Versuche Studenten etwas über das effiziente Arbeiten in den Betrieben beizubringen.
- Kontaktdaten:
Re: Club der 10-Tausender
Hi DAGA,
2 Bemerkungen:
- DC/DC-Wandler: ich hab das gleiche Phänomen gehabt. Da habe ich festgestellt, dass der 12 V-Kreis mit einer handelsüblichen Autosicherung abgesichert ist und diese ein wenig aus der Halterung gerutscht war.
- Wenn du 1 Zelle mehr drinnen hast, reagiert der Controller zu spät beim Abschalten. Bei mir gibt es dann noch die Möglichkeit mit der Sparschaltung ein paar Kilometer nach Hause zu schleichen. Mit der Zelle mehr muss ich das aber schon früher machen um keine Unterspannung zu provozieren.
Ansonsten beneide ich dich um die 60Ah-Akkus.
2 Bemerkungen:
- DC/DC-Wandler: ich hab das gleiche Phänomen gehabt. Da habe ich festgestellt, dass der 12 V-Kreis mit einer handelsüblichen Autosicherung abgesichert ist und diese ein wenig aus der Halterung gerutscht war.
- Wenn du 1 Zelle mehr drinnen hast, reagiert der Controller zu spät beim Abschalten. Bei mir gibt es dann noch die Möglichkeit mit der Sparschaltung ein paar Kilometer nach Hause zu schleichen. Mit der Zelle mehr muss ich das aber schon früher machen um keine Unterspannung zu provozieren.
Ansonsten beneide ich dich um die 60Ah-Akkus.
E-rider 3000 (3 kW, 19*LiFePo4), Fury 100
-
STW
- Beiträge: 8409
- Registriert: So 22. Feb 2009, 11:31
- Roller: RGNT Classic NO. 1 SEL
- PLZ: 14***
- Wohnort: bei Berlin
- Kontaktdaten:
Re: Club der 10-Tausender
Die Reichweite ist schon phantastisch mit Deinen 60AH-Zellen. Der DC-Wandler sollte sich von einer Zelle mehr nicht beeinflußen lassen, von einem anderen Fahrer habe ich jedoch gehört, dass seiner gerne heiß wird und dann zu Aussetzern neigt. Das kann aber durchaus ein Einzelfallproblem sein, insbesondere dann, wenn sonst niemand die Beobachtung gemacht hat.
Von daher würde ich auch die Sicherung überprüfen, ggf. auf Kontaktkorrosion, auch bei den Steckverbindern.
Zur Reichweite nochmals: 2.63V ist schon kurz vor Grätsche - noch ein paar hundert Meter, und die Schallmauer von 2.5V ist durchbrochen. Leerlaufspannungen von 3V ist noch gesund, 2.8V grenzwertig nach meinem Geschmack.
Von daher würde ich auch die Sicherung überprüfen, ggf. auf Kontaktkorrosion, auch bei den Steckverbindern.
Zur Reichweite nochmals: 2.63V ist schon kurz vor Grätsche - noch ein paar hundert Meter, und die Schallmauer von 2.5V ist durchbrochen. Leerlaufspannungen von 3V ist noch gesund, 2.8V grenzwertig nach meinem Geschmack.
RGNT V2 ab 01/23 > 20000km
NIU NGT ab 06/20 Km-Stand > 36000km, nach Unfall verkauft in 5/23
Niu NPro seit 09/19 Km-Stand > 8000km - Verkauft in 10/22
Ahamani Swap Bj 2007 - 2.4KW - Vario - Km-Stand > 27.000km - 40AH Thundersky ab 11/08 - CALB 70AH seit 10/11 -Verschrottung 09/19
NIU NGT ab 06/20 Km-Stand > 36000km, nach Unfall verkauft in 5/23
Niu NPro seit 09/19 Km-Stand > 8000km - Verkauft in 10/22
Ahamani Swap Bj 2007 - 2.4KW - Vario - Km-Stand > 27.000km - 40AH Thundersky ab 11/08 - CALB 70AH seit 10/11 -Verschrottung 09/19
-
elektronix
- Beiträge: 18
- Registriert: So 1. Nov 2009, 17:17
- Roller: Leviate Sprinter 60
- PLZ: 90763
- Wohnort: Fürth (Bay.)
- Kontaktdaten:
Re: Club der 10-Tausender
Hallo Daga,
die Reichweite ist beneidenswert!
zum DC/DC-Wandler:
Ich habe meinen Roller seit Juli 2009. An heißen Tagen ist der Wandler immer wieder ausgefallen, und zwar nicht morgens zur Arbeit (da war zuvor die kühle Nacht), sondern auf der Rückfahrt nach dem er vor dem Werk in der Sonne gestanden hatte. Ich konnte dann (verbotener Weise) nur noch mit Standlicht fahren.
Ich habe dann den DC/DC-Wandler auf das flache Blech neben dem Original-Platz versetzt. Das Blech dient nun als "Kühlfläche", vor dem Montieren habe ich eine dünne Schicht Silikon aufgespritzt, damit der Wärme-Übergang verbessert ist. Die Luft-Wirbel durch das Hinterrad kühlen das Blech von unten. Mit dieser Maßnahme habe ich das Abschalten um ca. 5°C nach oben verschieben können, aber an wirklich heißen Tagen kam das Problem immer noch vor.
Im Winter habe ich mir von Leviatec einen neuen DC/DC-Wandler schicken lassen (auf Garantie), der hat bisher noch keine Probleme gemacht, es war aber auch noch nicht richtig warm.
(Ich habe ihn wieder auf's Blech geschraubt, weil das sicher nützlich ist, wie folgt.)
Noch einen Satz zum 12-V-Verbrauch:
Front-Scheinwerfer (2x35W), Standlicht vorne (2x5 W), Rücklicht (5W), Kennzeichen (5W), Armaturen (3x3W) machen zusammen rund 100W, wenn wir nun bremsen, kommen kurzzeitig 21W dazu, beim Blinken nochmal 20W. Der DC/DC-Wandler ist mit 120W (10Ax12V) spezifiziert, bei "Normal-Betrieb" ist er schon zu 85% belastet, bei den Kurz-Einsätzen wird er überlastet.
Ich werde jetzt wärmere Tage abwarten, falls der Wandler wieder aussteigt, werde ich versuchen ein anderes Fabrikat zu finden, auch wenn das etwas mehr als die 20 Euro der eingebauten Variante kostet - Sicherheit geht vor!
Grüße aus Herzogenaurach
elektronix.
PS: Ich wäre auch an dem Einbau-Ort des 16. Akkus interessiert.
die Reichweite ist beneidenswert!
zum DC/DC-Wandler:
Ich habe meinen Roller seit Juli 2009. An heißen Tagen ist der Wandler immer wieder ausgefallen, und zwar nicht morgens zur Arbeit (da war zuvor die kühle Nacht), sondern auf der Rückfahrt nach dem er vor dem Werk in der Sonne gestanden hatte. Ich konnte dann (verbotener Weise) nur noch mit Standlicht fahren.
Ich habe dann den DC/DC-Wandler auf das flache Blech neben dem Original-Platz versetzt. Das Blech dient nun als "Kühlfläche", vor dem Montieren habe ich eine dünne Schicht Silikon aufgespritzt, damit der Wärme-Übergang verbessert ist. Die Luft-Wirbel durch das Hinterrad kühlen das Blech von unten. Mit dieser Maßnahme habe ich das Abschalten um ca. 5°C nach oben verschieben können, aber an wirklich heißen Tagen kam das Problem immer noch vor.
Im Winter habe ich mir von Leviatec einen neuen DC/DC-Wandler schicken lassen (auf Garantie), der hat bisher noch keine Probleme gemacht, es war aber auch noch nicht richtig warm.
(Ich habe ihn wieder auf's Blech geschraubt, weil das sicher nützlich ist, wie folgt.)
Noch einen Satz zum 12-V-Verbrauch:
Front-Scheinwerfer (2x35W), Standlicht vorne (2x5 W), Rücklicht (5W), Kennzeichen (5W), Armaturen (3x3W) machen zusammen rund 100W, wenn wir nun bremsen, kommen kurzzeitig 21W dazu, beim Blinken nochmal 20W. Der DC/DC-Wandler ist mit 120W (10Ax12V) spezifiziert, bei "Normal-Betrieb" ist er schon zu 85% belastet, bei den Kurz-Einsätzen wird er überlastet.
Ich werde jetzt wärmere Tage abwarten, falls der Wandler wieder aussteigt, werde ich versuchen ein anderes Fabrikat zu finden, auch wenn das etwas mehr als die 20 Euro der eingebauten Variante kostet - Sicherheit geht vor!
Grüße aus Herzogenaurach
elektronix.
PS: Ich wäre auch an dem Einbau-Ort des 16. Akkus interessiert.
Leviate Sprinter 60 (seit 1.7.2009, 3 kW, seit 05/2018 neue 15 x 60Ah Winston LiFeYPo4)
-
DAGA
Re: Club der 10-Tausender
@elektronix
Danke für den Hinweis zu dem DC/DC-Wandler!
Da ich aber vor habe, einen Anhänger für meinen Roller zu bauen(braucht Licht/Blinker), werde ich mich wohl nach einem anderen DC/DC-Wandler umsehen müssen.
Wie ich sehe hast du keine Balancerboards oder ein BMS verbaut. an deiner Stelle würde ich jede Zelle noch mit einem Board nachrüsten.
Ich habe die Boards mit LED verbaut, so kann ich direkt sehen, ob alle Zellen auch auf 3,6V geladen werden...
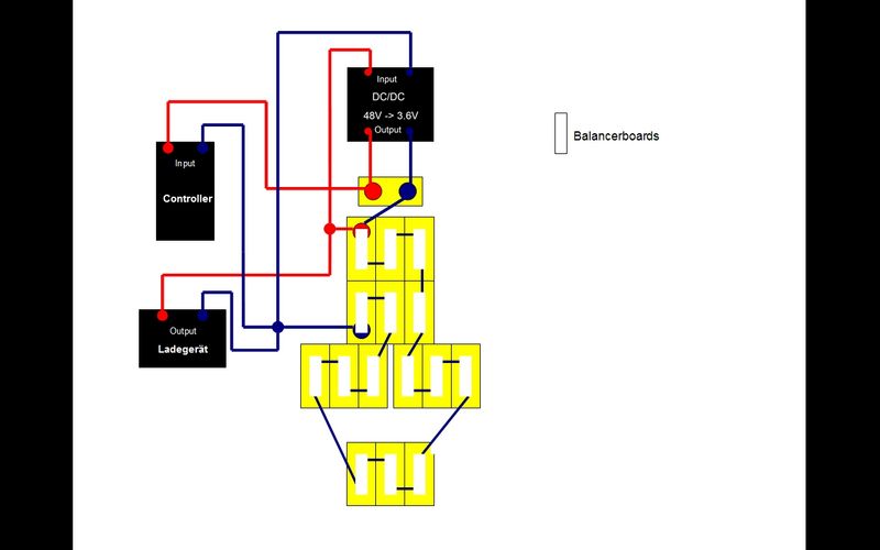
Zum Einbau des 16ten Akkus:
Ich habe die Zelle in den Zwischenraum (vor allen anderen Zellen) verbaut, durch die Abdeckung kann man dort Problemlos dran

Von unten habe ich den Kasten, mit zwei Gummischellen am Ramen befestigt:

Geladen wird die Zelle mithilfe eines DC/DC-Wandlers:

Die 16te Zelle wird nur mit der Controller-Leitung in Reihe geschaltet, die Plusleitung des Ladegerätes bleibt am Ursprünglichen Platz.
Da der Controller die Kontrollspannung, die er misst um bei Niederiger Spannung abzuschalten von der Ladeleitung bezieht, bleibt der Unterspannungsschutz gewährleistet. D.h. wenn die 15 Zellen (ohne die 16te Zelle) eine Spannung von ca.42 V unterschreiten, wird abgeschaltet.
Ich habe aber die Ladeleitung auch an der 16ten Zelle angebracht und das andere Ende hab ich vom Stecker abgemacht und isoliert.
So bezieht der Controller die Kontrollspannung von den 16 Zellen und schaltet im Winter nicht mehr so früh ab(war ein großes Problem bei mir).
Dann habe ich noch eine neue Ladeleitung vom Stecker zur 15ten Zelle gelegt.
Dann muss noch der DC/DC-Wandler eingebaut werden.
Ich verwende zur Zeit das Modell Artesyn BXB150-48S05!
Ich würde aber einen Artesyn BXB100-48S05 (http://cgi.ebay.de/Artesyn-BXB100-48S05 ... 518e22a398) benutzen, da dieser einen Ausgangsstrom von 20A anstatt (wie bei mir) 30A hat.
So werden alle Zellen nahezu gleichmäßig geladen(ein Modell mit 75w output habe ich noch nicht gefunden).
Da das Modell eine Ausgangsspannung von 5V hat muss ein zusätzlicher Widerstand am DC/DC-Wandler angelötet werden, der die Ausgangsspannung auf exakt 3,6V reduziert.

Input + und - werden mit + und - der 15 in Reihe geschalteten Zellen verkabelt.
Output + und - werden mit + und - der 16ten Zelle verkabelt.
Wenn man nun die markierten Pins(Ein/Aus), also Input - und RC verbindet wird der DC/DC-Wandler eingeschaltet.
Bei mir wird der DC/DC-Wandler nur eingeschaltet wenn der Stecker eingesteckt wird, da ich zwei Nieten am Helmfach(hinterm Stecker) angebracht und diese mit den Pins Verbunden habe. Auf dem Stecker habe ich noch eine Metallplatte befestig(siehe folgende Bilder).


Zur Kontrolle habe ich noch eine LED eingebaut, welche nur leuchtet, wenn die der DC/DC-Wandler lädt.
Da, wenn man den Wandler einschaltet, eine Verbindung zu Masse entsteht(Input -) kann man die LED(-) an der Leitung, welche zum Pin RC führt befestigen.
Die "Plus-Seite" kann dann einfach an eine der Thunderskys befestigt werden(bei mir an der dritten von Masse aus gesehen, da meine LED 12V benötigt).
Wenn jetzt der Stecker eingesteckt wird bekommt die LED ein Verbindung mit Masse(Input -) und leuchtet.

Ich hoffe ich konnte weiterhelfen...
Gruß
DAGA
Danke für den Hinweis zu dem DC/DC-Wandler!
Da ich aber vor habe, einen Anhänger für meinen Roller zu bauen(braucht Licht/Blinker), werde ich mich wohl nach einem anderen DC/DC-Wandler umsehen müssen.
Wie ich sehe hast du keine Balancerboards oder ein BMS verbaut. an deiner Stelle würde ich jede Zelle noch mit einem Board nachrüsten.
Ich habe die Boards mit LED verbaut, so kann ich direkt sehen, ob alle Zellen auch auf 3,6V geladen werden...
Zum Einbau des 16ten Akkus:
Ich habe die Zelle in den Zwischenraum (vor allen anderen Zellen) verbaut, durch die Abdeckung kann man dort Problemlos dran

Von unten habe ich den Kasten, mit zwei Gummischellen am Ramen befestigt:

Geladen wird die Zelle mithilfe eines DC/DC-Wandlers:

Die 16te Zelle wird nur mit der Controller-Leitung in Reihe geschaltet, die Plusleitung des Ladegerätes bleibt am Ursprünglichen Platz.
Da der Controller die Kontrollspannung, die er misst um bei Niederiger Spannung abzuschalten von der Ladeleitung bezieht, bleibt der Unterspannungsschutz gewährleistet. D.h. wenn die 15 Zellen (ohne die 16te Zelle) eine Spannung von ca.42 V unterschreiten, wird abgeschaltet.
Ich habe aber die Ladeleitung auch an der 16ten Zelle angebracht und das andere Ende hab ich vom Stecker abgemacht und isoliert.
So bezieht der Controller die Kontrollspannung von den 16 Zellen und schaltet im Winter nicht mehr so früh ab(war ein großes Problem bei mir).
Dann habe ich noch eine neue Ladeleitung vom Stecker zur 15ten Zelle gelegt.
Dann muss noch der DC/DC-Wandler eingebaut werden.
Ich verwende zur Zeit das Modell Artesyn BXB150-48S05!
Ich würde aber einen Artesyn BXB100-48S05 (http://cgi.ebay.de/Artesyn-BXB100-48S05 ... 518e22a398) benutzen, da dieser einen Ausgangsstrom von 20A anstatt (wie bei mir) 30A hat.
So werden alle Zellen nahezu gleichmäßig geladen(ein Modell mit 75w output habe ich noch nicht gefunden).
Da das Modell eine Ausgangsspannung von 5V hat muss ein zusätzlicher Widerstand am DC/DC-Wandler angelötet werden, der die Ausgangsspannung auf exakt 3,6V reduziert.

Input + und - werden mit + und - der 15 in Reihe geschalteten Zellen verkabelt.
Output + und - werden mit + und - der 16ten Zelle verkabelt.
Wenn man nun die markierten Pins(Ein/Aus), also Input - und RC verbindet wird der DC/DC-Wandler eingeschaltet.
Bei mir wird der DC/DC-Wandler nur eingeschaltet wenn der Stecker eingesteckt wird, da ich zwei Nieten am Helmfach(hinterm Stecker) angebracht und diese mit den Pins Verbunden habe. Auf dem Stecker habe ich noch eine Metallplatte befestig(siehe folgende Bilder).


Zur Kontrolle habe ich noch eine LED eingebaut, welche nur leuchtet, wenn die der DC/DC-Wandler lädt.
Da, wenn man den Wandler einschaltet, eine Verbindung zu Masse entsteht(Input -) kann man die LED(-) an der Leitung, welche zum Pin RC führt befestigen.
Die "Plus-Seite" kann dann einfach an eine der Thunderskys befestigt werden(bei mir an der dritten von Masse aus gesehen, da meine LED 12V benötigt).
Wenn jetzt der Stecker eingesteckt wird bekommt die LED ein Verbindung mit Masse(Input -) und leuchtet.

Ich hoffe ich konnte weiterhelfen...
Gruß
DAGA
Zuletzt geändert von DAGA am So 18. Apr 2010, 17:16, insgesamt 1-mal geändert.
-
elektronix
- Beiträge: 18
- Registriert: So 1. Nov 2009, 17:17
- Roller: Leviate Sprinter 60
- PLZ: 90763
- Wohnort: Fürth (Bay.)
- Kontaktdaten:
Re: Club der 10-Tausender
Hallo Daga,
danke für die ausführliche Darstellung zum Einbau der 16. Zelle.
@Balancer-Boards:
Wie in Beitrag 5 im "Club der 10-Tausender" gesagt, bin ich aktuell damit beschäftigt, ein komplett neues Ladegerät für 15 (oder 16) Zellen mit eingebauten Balancer-Schaltungen zu entwerfen. Ich werde eine Kommunikation zwischen Balancern und Ladegerät vorsehen, dass immer eine optimale Ladung aller Zellen erfolgt, nötigenfalls will ich den Ladestrom in der End-Phase reduzieren.
Außerdem werde ich eine Anzeige für jede Zelle (grün=Zelle o.k. / gelb=Balancer arbeitet / rot=Balancer überlastet) und eine digitale Spannungs-/Strom-Anzeige an der Front-Platte des Ladegerätes anbringen.
Gruß
elektronix.
danke für die ausführliche Darstellung zum Einbau der 16. Zelle.
@Balancer-Boards:
Wie in Beitrag 5 im "Club der 10-Tausender" gesagt, bin ich aktuell damit beschäftigt, ein komplett neues Ladegerät für 15 (oder 16) Zellen mit eingebauten Balancer-Schaltungen zu entwerfen. Ich werde eine Kommunikation zwischen Balancern und Ladegerät vorsehen, dass immer eine optimale Ladung aller Zellen erfolgt, nötigenfalls will ich den Ladestrom in der End-Phase reduzieren.
Außerdem werde ich eine Anzeige für jede Zelle (grün=Zelle o.k. / gelb=Balancer arbeitet / rot=Balancer überlastet) und eine digitale Spannungs-/Strom-Anzeige an der Front-Platte des Ladegerätes anbringen.
Gruß
elektronix.
Leviate Sprinter 60 (seit 1.7.2009, 3 kW, seit 05/2018 neue 15 x 60Ah Winston LiFeYPo4)
-
gervais
- Beiträge: 1362
- Registriert: Di 30. Mär 2010, 09:26
- PLZ: 3
- Kontaktdaten:
Re: Club der 10-Tausender
Zum DC/DC: Elektronix, beziehen sich die Leistungsangaben bei China DC/DC nicht auf die Leistungsaufnahme ?
Ich habe bei meinem Roller schon mit einem Hauptscheinwerfer , Blinker , Bremslicht bereits um die 100W Aufnahme gemessen, und selbst da wäre für den sicheren Betrieb eigentlich ein 150W DCDC notwendig , zumal der Wirkungsgrad im oberen Eingangsspannungsbereich eher sinkt. Und das die Angaben unserer asiatischen Lieferanten geradezu nach Abzügen rufen, ist ja nichts neues (siehe Elkos mit gefühlten 63V < immer gute Kandidaten ähnlich früheren Tantal) .
Ich habe bei meinem Roller schon mit einem Hauptscheinwerfer , Blinker , Bremslicht bereits um die 100W Aufnahme gemessen, und selbst da wäre für den sicheren Betrieb eigentlich ein 150W DCDC notwendig , zumal der Wirkungsgrad im oberen Eingangsspannungsbereich eher sinkt. Und das die Angaben unserer asiatischen Lieferanten geradezu nach Abzügen rufen, ist ja nichts neues (siehe Elkos mit gefühlten 63V < immer gute Kandidaten ähnlich früheren Tantal) .
-
elektronix
- Beiträge: 18
- Registriert: So 1. Nov 2009, 17:17
- Roller: Leviate Sprinter 60
- PLZ: 90763
- Wohnort: Fürth (Bay.)
- Kontaktdaten:
Re: Club der 10-Tausender
Hallo gervais,
auf dem Typenschild steht für die Ausgangsseite 12V/10A.
Ich stimme Dir natürlich zu, dass wir mit "chinesischen Toleranzen" rechnen müssen. Wenn der Wandler wieder ausfällt, kaufe ich mir gleich einen hochwertigeren.
Ich hatte auch schon mal ein paar Gedanken daran verschwendet, den Hauptscheinwerfer durch weiße Hochleistungs-LED's zu ersetzen, das wäre für Akku-Betrieb eine tolle Sache.
Grob habe ich auch schon entsprechende LED's gefunden, aber zuerst muss ich mein Ladegerät fertig machen ... dann sehe ich weiter.
Gruß
elektronix.
auf dem Typenschild steht für die Ausgangsseite 12V/10A.
Ich stimme Dir natürlich zu, dass wir mit "chinesischen Toleranzen" rechnen müssen. Wenn der Wandler wieder ausfällt, kaufe ich mir gleich einen hochwertigeren.
Ich hatte auch schon mal ein paar Gedanken daran verschwendet, den Hauptscheinwerfer durch weiße Hochleistungs-LED's zu ersetzen, das wäre für Akku-Betrieb eine tolle Sache.
Grob habe ich auch schon entsprechende LED's gefunden, aber zuerst muss ich mein Ladegerät fertig machen ... dann sehe ich weiter.
Gruß
elektronix.
Leviate Sprinter 60 (seit 1.7.2009, 3 kW, seit 05/2018 neue 15 x 60Ah Winston LiFeYPo4)
-
gervais
- Beiträge: 1362
- Registriert: Di 30. Mär 2010, 09:26
- PLZ: 3
- Kontaktdaten:
Re: Club der 10-Tausender
Alles klar . Bei den LED Geschichten frage ich mich allerdings, ob der Mehrverbrauch der Standardbeleuchtung angesichts des gesamten Energieverbrauchs nicht geradezu im Rauschen untergeht.
-
raylee
Re: Club der 10-Tausender
Gratulation
das macht mir ja hoffnung.
habe seit dem 28.4.2010 den Eco-Flash 2000 von Real für 999,-€
hab erst 85km drauf. Bin heute morgen 35 km gefahren und war in 4 Std wieder geladen.
Mal sehen wann Ich die 10000 km schaffe.
Gruss Ray
das macht mir ja hoffnung.
habe seit dem 28.4.2010 den Eco-Flash 2000 von Real für 999,-€
hab erst 85km drauf. Bin heute morgen 35 km gefahren und war in 4 Std wieder geladen.
Mal sehen wann Ich die 10000 km schaffe.
Gruss Ray
-
STW
- Beiträge: 8409
- Registriert: So 22. Feb 2009, 11:31
- Roller: RGNT Classic NO. 1 SEL
- PLZ: 14***
- Wohnort: bei Berlin
- Kontaktdaten:
Re: Club der 10-Tausender
Und Dir Glückwunsch zum neuen Spielzeugund viel Freude mit dem Roller. Wenn meine Frau nicht schon einen Chinakracher hätte, dann wäre der Flash jetzt als Zweitroller bei uns.
RGNT V2 ab 01/23 > 20000km
NIU NGT ab 06/20 Km-Stand > 36000km, nach Unfall verkauft in 5/23
Niu NPro seit 09/19 Km-Stand > 8000km - Verkauft in 10/22
Ahamani Swap Bj 2007 - 2.4KW - Vario - Km-Stand > 27.000km - 40AH Thundersky ab 11/08 - CALB 70AH seit 10/11 -Verschrottung 09/19
NIU NGT ab 06/20 Km-Stand > 36000km, nach Unfall verkauft in 5/23
Niu NPro seit 09/19 Km-Stand > 8000km - Verkauft in 10/22
Ahamani Swap Bj 2007 - 2.4KW - Vario - Km-Stand > 27.000km - 40AH Thundersky ab 11/08 - CALB 70AH seit 10/11 -Verschrottung 09/19