Sprinter QS 310 Und er läuft ..... nicht...
- gge
- Beiträge: 184
- Registriert: Mo 23. Jul 2012, 14:05
- Roller: E-Fun X-Treme, CMOTO QS 310
- PLZ: 79258
- Wohnort: 79258 Hartheim am Rhein
- Tätigkeit: Programmierer
- Kontaktdaten:
Re: Und er läuft ..... nicht...
Hat sich erledigt. Cmoto hats genehmigt
als für alle hier der Plan:
Cemoto QS-310C 3 KW/54,4 (V 48 Volt Blei (30AH)/ 6,4 Volt LiFePo4 (40 AH), Range Extender 26 + X AH Lipo) 4F/65V Ultracaps , 1 Satz Akku 10100 km, aktuell 14950 km, 2.Satz Akkus E-Fun X-Treme 5 KW Blei 12.000 km 2. Satz Akkus
- Alfons Heck
- Beiträge: 1805
- Registriert: Sa 28. Jan 2012, 21:24
- Roller: Naxeon I AM pro + Elmoto Loop + My Esel E-Tour Komfort
- PLZ: 60385
- Wohnort: Frankfurt am Main - OT Bornheim
- Kontaktdaten:
Re: Sprinter QS 310 Und er läuft ..... nicht...
Hallo gge,
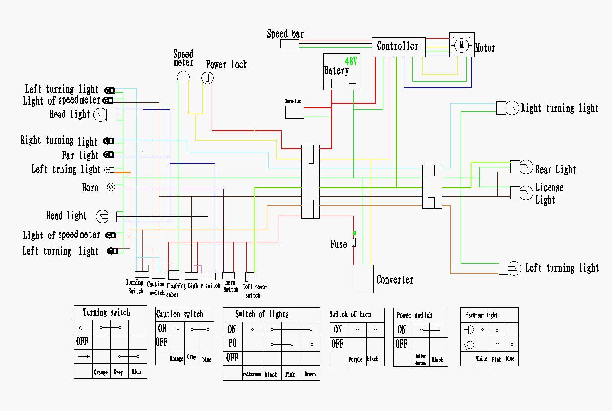
also der "left power Switch" bringt 12V an den Controller und an das Bremslicht; dann wird vermutlich der Motorstrom weggeschaltet.
Der Controller ist belegt (von link nach rechts):
-Stromgriff -links außen
- 48V Batterie
- 0V Batterie
- 48V bei eingeschalteter Zündung
- 12V bei geschaltetem left power Switch
- 3Motorphasen
- Sensoren Motor -rechts außen
Gruß
Alfons.
also der "left power Switch" bringt 12V an den Controller und an das Bremslicht; dann wird vermutlich der Motorstrom weggeschaltet.
Der Controller ist belegt (von link nach rechts):
-Stromgriff -links außen
- 48V Batterie
- 0V Batterie
- 48V bei eingeschalteter Zündung
- 12V bei geschaltetem left power Switch
- 3Motorphasen
- Sensoren Motor -rechts außen
Gruß
Alfons.
Naxeon I AM pro --- Elmoto Loop --- My Esel E-Tour Komfort --- seit 2015: Zoe + Kangoo HECKelektro-Shop.de
...Dosenbier und Kaviar...
...Dosenbier und Kaviar...
-
Peter51
- Beiträge: 6502
- Registriert: Sa 6. Aug 2011, 10:04
- Roller: E-Max 90s, E-Max 110s, E-Max 120s
- PLZ: 2
- Kontaktdaten:
Re: Sprinter QS 310 Und er läuft ..... nicht...
Wenn ich 'mal unterstelle, daß der left power switch der Seitenständerschalter (Schließer) ist, schaltet der im ausgeklappten Zustand 12V auf den Controller ( Power cut off, Sperre) und gleichzeitig das Bremslicht an. Also doch lieber einmal die Hallsensoren durchmessen!
E-Max 90s von 2012 - Vmax>46km/h - km-Stand >5150 - 16x Littokala 51,2V 105Ah = 5kWh. JK-B1A24S15P - Sevcon Gen4
E-Max 110s von 2010 - Vmax>50km/h - km-Stand >1.800 - 4x Littokala 72V 50Ah = 14,4kWh
E-Max 120s von 2015 - Vmax 80km/h - TÜV 03.2026 - 72V100Ah LFP-Akku - JK-B2A24S15P Balancer BT - MQ Controller BT
E-Max 110s von 2010 - Vmax>50km/h - km-Stand >1.800 - 4x Littokala 72V 50Ah = 14,4kWh
E-Max 120s von 2015 - Vmax 80km/h - TÜV 03.2026 - 72V100Ah LFP-Akku - JK-B2A24S15P Balancer BT - MQ Controller BT
- gge
- Beiträge: 184
- Registriert: Mo 23. Jul 2012, 14:05
- Roller: E-Fun X-Treme, CMOTO QS 310
- PLZ: 79258
- Wohnort: 79258 Hartheim am Rhein
- Tätigkeit: Programmierer
- Kontaktdaten:
Re: Sprinter QS 310 Und er läuft ..... nicht...
@AlfonsHeck - Danke
@Peter51 - Ja - aber über die Bremslichtbirne liegen 0 V nicht an wenn das Bremslicht nicht angeklemmt ist. Heisst der Eingang
hat kein Potential! Es wurde ja schon berichtet, dass einige Roller ohne Bremslichtbirne nicht laufen!
Ich werd jetzt erst mal die Beleuchtung hinten fertig verdrahten. Wenn ich Zeit habe ziehe ich bei meinem
laufenden Sprinter mal den Stecker für die hintere Elektrik. Mal sehen was passiert.
mfg
@Peter51 - Ja - aber über die Bremslichtbirne liegen 0 V nicht an wenn das Bremslicht nicht angeklemmt ist. Heisst der Eingang
hat kein Potential! Es wurde ja schon berichtet, dass einige Roller ohne Bremslichtbirne nicht laufen!
Ich werd jetzt erst mal die Beleuchtung hinten fertig verdrahten. Wenn ich Zeit habe ziehe ich bei meinem
laufenden Sprinter mal den Stecker für die hintere Elektrik. Mal sehen was passiert.
mfg
Cemoto QS-310C 3 KW/54,4 (V 48 Volt Blei (30AH)/ 6,4 Volt LiFePo4 (40 AH), Range Extender 26 + X AH Lipo) 4F/65V Ultracaps , 1 Satz Akku 10100 km, aktuell 14950 km, 2.Satz Akkus E-Fun X-Treme 5 KW Blei 12.000 km 2. Satz Akkus
-
Peter51
- Beiträge: 6502
- Registriert: Sa 6. Aug 2011, 10:04
- Roller: E-Max 90s, E-Max 110s, E-Max 120s
- PLZ: 2
- Kontaktdaten:
Re: Sprinter QS 310 Und er läuft ..... nicht...
Kannst ja probehalber den betreffenden Controllereingang mit einer 12V (Bremslichbirne) verbinden und diesen auf den Minus der 48V legen - normalerweise ist diese "Brücke" ja vorhanden und es braucht den DC DC Wandler nicht. (Bastelroller?!)
E-Max 90s von 2012 - Vmax>46km/h - km-Stand >5150 - 16x Littokala 51,2V 105Ah = 5kWh. JK-B1A24S15P - Sevcon Gen4
E-Max 110s von 2010 - Vmax>50km/h - km-Stand >1.800 - 4x Littokala 72V 50Ah = 14,4kWh
E-Max 120s von 2015 - Vmax 80km/h - TÜV 03.2026 - 72V100Ah LFP-Akku - JK-B2A24S15P Balancer BT - MQ Controller BT
E-Max 110s von 2010 - Vmax>50km/h - km-Stand >1.800 - 4x Littokala 72V 50Ah = 14,4kWh
E-Max 120s von 2015 - Vmax 80km/h - TÜV 03.2026 - 72V100Ah LFP-Akku - JK-B2A24S15P Balancer BT - MQ Controller BT
- gge
- Beiträge: 184
- Registriert: Mo 23. Jul 2012, 14:05
- Roller: E-Fun X-Treme, CMOTO QS 310
- PLZ: 79258
- Wohnort: 79258 Hartheim am Rhein
- Tätigkeit: Programmierer
- Kontaktdaten:
Re: Sprinter QS 310 Und er läuft ..... nicht...
@Peter51 (Bastelroller?!)
Ne, Bausatz. (Na ja, kann man dann auch Bastelroller nennen
)Wie bereits bemerkt ist am Kabelbaum ein Stecker UND am Kabel für den gesamten 'hinteren Beleuchtungteil' auch ein Stecker und das geht dann erst mal auf Anhieb nich zusammen! Da ich nicht auf die Idee kam
, daß das einen Einfluss haben könnte habe ich es erst mal unterlassen die Verbindung herzustellen.
Da hatte ich aber auch noch keinen Anschlussplan
mfg
Ne, Bausatz. (Na ja, kann man dann auch Bastelroller nennen
Da hatte ich aber auch noch keinen Anschlussplan
mfg
Cemoto QS-310C 3 KW/54,4 (V 48 Volt Blei (30AH)/ 6,4 Volt LiFePo4 (40 AH), Range Extender 26 + X AH Lipo) 4F/65V Ultracaps , 1 Satz Akku 10100 km, aktuell 14950 km, 2.Satz Akkus E-Fun X-Treme 5 KW Blei 12.000 km 2. Satz Akkus
-
STW
- Beiträge: 8409
- Registriert: So 22. Feb 2009, 11:31
- Roller: RGNT Classic NO. 1 SEL
- PLZ: 14***
- Wohnort: bei Berlin
- Kontaktdaten:
Re: Sprinter QS 310 Und er läuft ..... nicht...
Da ich keinen Bock habe, alle zwischenzeitlich geposteten Vermutungen oder Tatsachen nachzuvollziehen, hier mal eine kurze Abhandlung, wie das funktionstechnisch zu verschalten wäre auch ohne DC-Konverter.
Das knallgrüne Kabel geht vom Controller über Steckverbindung zur Glühlampe Rearlight / Zweifadenbirne, also Bremslicht, die wiederum direkt mit Minus verschaltet ist, Potential des Anschlusses muß daher auf Minus liegen, damit der Motor läuft. Wird der "Left Power Switch" betätigt, gehen 12V auf den entsprechenden Controlleranschluß und die Bremslichtbirne. Also haben wir bei +12V auf dem Controllerkabel die Motorabschaltung, bei 0V rennt der Motor. Um sicherzugehen, ist das entsprechende Controllerkabel zum Test ohne DC-Konverter auf Masse zu schalten - bevor an einem neuen Motor an den Hallensoren rumgepfuscht wird (arghh) oder irgendwelche wirren Verkabelungen über irgendwelche Birnchen nach sonstwohin gezogen werden.
Ich finde keine ausgewiesenen Bremslichtschalter und Seitenständerschalter, so dass der Schaltplan m.E. vereinfacht dargestellt ist, die Bremslichschalter werden alle parallel zum Seitenstännderschalter verdrahtet sein. (Da hätte ich auch vorher drauf kommen können, ich hatte ja so eine Kiste mehrfach vor Augen, aber dummerweise vergessen, den Schlüsselschalter gedanklich mit einzuarbeiten).
Da ich immer noch davon ausgehe, dass der Controller ein eigenes Spannungspotential auf der Leitung hat, ist die inverse Funktion des Seitenständers auch zu erklären. Über sonstige Bauteile der 12V-Verkabelung laufen Querströme, oder sogar über den vormals eingebauten defekten DC-Konverter (evtl. Ausgangskondensator) wurde kurzzeitig ein Potential von 0V bei schlossenem Schalter hergestellt und daher "durfte" der Motor ruckeln.
Also: zum Testen das Kabel auf Minus, Seitenständer oben vorsichtshalber, und dann sollte der Motor schön drehen.
Das knallgrüne Kabel geht vom Controller über Steckverbindung zur Glühlampe Rearlight / Zweifadenbirne, also Bremslicht, die wiederum direkt mit Minus verschaltet ist, Potential des Anschlusses muß daher auf Minus liegen, damit der Motor läuft. Wird der "Left Power Switch" betätigt, gehen 12V auf den entsprechenden Controlleranschluß und die Bremslichtbirne. Also haben wir bei +12V auf dem Controllerkabel die Motorabschaltung, bei 0V rennt der Motor. Um sicherzugehen, ist das entsprechende Controllerkabel zum Test ohne DC-Konverter auf Masse zu schalten - bevor an einem neuen Motor an den Hallensoren rumgepfuscht wird (arghh) oder irgendwelche wirren Verkabelungen über irgendwelche Birnchen nach sonstwohin gezogen werden.
Ich finde keine ausgewiesenen Bremslichtschalter und Seitenständerschalter, so dass der Schaltplan m.E. vereinfacht dargestellt ist, die Bremslichschalter werden alle parallel zum Seitenstännderschalter verdrahtet sein. (Da hätte ich auch vorher drauf kommen können, ich hatte ja so eine Kiste mehrfach vor Augen, aber dummerweise vergessen, den Schlüsselschalter gedanklich mit einzuarbeiten).
Da ich immer noch davon ausgehe, dass der Controller ein eigenes Spannungspotential auf der Leitung hat, ist die inverse Funktion des Seitenständers auch zu erklären. Über sonstige Bauteile der 12V-Verkabelung laufen Querströme, oder sogar über den vormals eingebauten defekten DC-Konverter (evtl. Ausgangskondensator) wurde kurzzeitig ein Potential von 0V bei schlossenem Schalter hergestellt und daher "durfte" der Motor ruckeln.
Also: zum Testen das Kabel auf Minus, Seitenständer oben vorsichtshalber, und dann sollte der Motor schön drehen.
RGNT V2 ab 01/23 > 20000km
NIU NGT ab 06/20 Km-Stand > 36000km, nach Unfall verkauft in 5/23
Niu NPro seit 09/19 Km-Stand > 8000km - Verkauft in 10/22
Ahamani Swap Bj 2007 - 2.4KW - Vario - Km-Stand > 27.000km - 40AH Thundersky ab 11/08 - CALB 70AH seit 10/11 -Verschrottung 09/19
NIU NGT ab 06/20 Km-Stand > 36000km, nach Unfall verkauft in 5/23
Niu NPro seit 09/19 Km-Stand > 8000km - Verkauft in 10/22
Ahamani Swap Bj 2007 - 2.4KW - Vario - Km-Stand > 27.000km - 40AH Thundersky ab 11/08 - CALB 70AH seit 10/11 -Verschrottung 09/19
- gge
- Beiträge: 184
- Registriert: Mo 23. Jul 2012, 14:05
- Roller: E-Fun X-Treme, CMOTO QS 310
- PLZ: 79258
- Wohnort: 79258 Hartheim am Rhein
- Tätigkeit: Programmierer
- Kontaktdaten:
Re: Sprinter QS 310 Und er läuft ..... nicht...
@STW
Danke mal - werde berichten! Wenn nix dazwischen kommt bin ich heute abend schlauer!
mfg
Danke mal - werde berichten! Wenn nix dazwischen kommt bin ich heute abend schlauer!
mfg
Cemoto QS-310C 3 KW/54,4 (V 48 Volt Blei (30AH)/ 6,4 Volt LiFePo4 (40 AH), Range Extender 26 + X AH Lipo) 4F/65V Ultracaps , 1 Satz Akku 10100 km, aktuell 14950 km, 2.Satz Akkus E-Fun X-Treme 5 KW Blei 12.000 km 2. Satz Akkus
- gge
- Beiträge: 184
- Registriert: Mo 23. Jul 2012, 14:05
- Roller: E-Fun X-Treme, CMOTO QS 310
- PLZ: 79258
- Wohnort: 79258 Hartheim am Rhein
- Tätigkeit: Programmierer
- Kontaktdaten:
Re: Sprinter QS 310 Und er läuft ..... nicht...
So nicht fertig aber Lagebericht:
Leitungen spannungslos mit Ohmmeter durchgemessen. Was die 12 Volt angeht betreffen die nur die (im Plan gelb/gruen) Bremshebel. +12 Volt werden über die Bremshebel (dabei festgestellt einer schaltet nicht
)an den Controler gelegt und ans Bremslicht gelegt. Die + 48V gehen über das Zündschloss dann über den im Plan nicht eingezeichneten Seitenständer zum Converter und Controller.Der arbeitet jetzt invertiert warum auch immer - ist angeschlossen wie bei meinem laufenden Quadix! Vielleicht anderer Schaltertyp obwohl von aussen baugleich! Wie auch immer - bei eingeklappten Seitenständer müssen die +48V durchgeschaltet werden denn sonst wird der DC/DC Wandler nicht mit 48 V versorgt! Also am Controller auch +48V für Fahrbetrieb. Insofern bleibts erst mal bei der Ansage von STW. Wahrscheinlich werde ich es am WE aber nicht schaffen (straffes Program
)
Ich meld mich sobald ich den Versuch durchgeführt habe!
Allen Helfern und natürlich auch allen Lesern ein schönes Wochenende!
mfg
Leitungen spannungslos mit Ohmmeter durchgemessen. Was die 12 Volt angeht betreffen die nur die (im Plan gelb/gruen) Bremshebel. +12 Volt werden über die Bremshebel (dabei festgestellt einer schaltet nicht
Ich meld mich sobald ich den Versuch durchgeführt habe!
Allen Helfern und natürlich auch allen Lesern ein schönes Wochenende!
mfg
Cemoto QS-310C 3 KW/54,4 (V 48 Volt Blei (30AH)/ 6,4 Volt LiFePo4 (40 AH), Range Extender 26 + X AH Lipo) 4F/65V Ultracaps , 1 Satz Akku 10100 km, aktuell 14950 km, 2.Satz Akkus E-Fun X-Treme 5 KW Blei 12.000 km 2. Satz Akkus
-
STW
- Beiträge: 8409
- Registriert: So 22. Feb 2009, 11:31
- Roller: RGNT Classic NO. 1 SEL
- PLZ: 14***
- Wohnort: bei Berlin
- Kontaktdaten:
Noch hast Du den Roller offen und kannst diese Fehlkonstruktion bereinigen. Der ausgeklappte Seitenständer sorgt jetzt auch dafür (wenn er in die richtige Richtung arbeiten würde), dass nicht nur der Controller stromlos wird, sondern auch gleich das Licht ausgeht, und wer will das schon. Weiterhin müßte er ca. 1-2A verkraften, da sind die Zündschlösser schon oft genug überfordert und haben dadurch verbrannte Kontakte, da muß man ein ähnliches Problem nicht noch am Seitenständer haben.
Wenn das so verschaltet ist wie jetzt, arbeitet der natürlich invers - Kontakt geschlossen wenn ausgeklappt.
Von daher:
- das Zündschloss direkt mit dem Controller verbinden unter Umgehung des Seitenständerschalters
- den Seitenständer parallel zu den Bremslichtschaltern verkabeln, dann arbeitet der auch nicht mehr invers, sondern korrekt
Wenn das so verschaltet ist wie jetzt, arbeitet der natürlich invers - Kontakt geschlossen wenn ausgeklappt.
Von daher:
- das Zündschloss direkt mit dem Controller verbinden unter Umgehung des Seitenständerschalters
- den Seitenständer parallel zu den Bremslichtschaltern verkabeln, dann arbeitet der auch nicht mehr invers, sondern korrekt
RGNT V2 ab 01/23 > 20000km
NIU NGT ab 06/20 Km-Stand > 36000km, nach Unfall verkauft in 5/23
Niu NPro seit 09/19 Km-Stand > 8000km - Verkauft in 10/22
Ahamani Swap Bj 2007 - 2.4KW - Vario - Km-Stand > 27.000km - 40AH Thundersky ab 11/08 - CALB 70AH seit 10/11 -Verschrottung 09/19
NIU NGT ab 06/20 Km-Stand > 36000km, nach Unfall verkauft in 5/23
Niu NPro seit 09/19 Km-Stand > 8000km - Verkauft in 10/22
Ahamani Swap Bj 2007 - 2.4KW - Vario - Km-Stand > 27.000km - 40AH Thundersky ab 11/08 - CALB 70AH seit 10/11 -Verschrottung 09/19
Wer ist online?
Mitglieder in diesem Forum: 0 Mitglieder und 22 Gäste